CPC Definition - Subclass A47L
This place covers:
The following overview of the main groups indicating the coverage of the subclass A47L is given below.
A detailed description of the covered subject matter at main-group level, e.g. A47L 15/00, is to be found at said main groups.
Cleaning windows, window shades, window screens, venetian blinds, Safety devices for use in window cleaning
Cleaning windows | |
Safety devices for use in window-cleaning | |
Cleaning window shades, window screens, venetian blinds |
Suction cleaners
Structural features of suction cleaners | |
Suction cleaners adapted for additional purposes; Tables with suction openings for cleaning purposes; Containers for cleaning articles by suction; Suction cleaners adapted to cleaning of brushes; Suction cleaners adapted to taking-up liquids | |
Details or accessories of suction cleaners, e.g. mechanical means for controlling the suction or for effecting pulsating action; Storing devices specially adapted to suction cleaners or parts thereof; Carrying-vehicles specially adapted for suction cleaners |
Machines and implements for cleaning floors, carpets, furniture, walls, or wall coverings:
Machines for cleaning floors, carpets, furniture, walls, or wall coverings | |
Implements for cleaning floors, carpets, furniture, walls, or wall coverings |
Apparatus or implements for cleaning or polishing household articles or the like:
Washing or rinsing machines for crockery or tableware, e.g. of non-domestic use type | |
Apparatus or implements used in manual washing or cleaning of crockery, table-ware, cooking-ware or the like | |
Drying devices for crockery or table-ware, e.g. tea-cloths | |
Polishing of table-ware, e.g. knives, forks, spoons | |
Cleaning footwear | |
Miscellaneous cleaning devices |
Attention is drawn to the following places, which may be of interest for search:
Methods or apparatus for sterilising materials of objects in general | |
Separation, filtration in general | |
Cleaning in general | |
Cleaning quantities of bottles or of other hollow articles of one kind | |
Polishing machines in general | |
Handles | |
Cleaning of vehicles | |
Cleaning of vehicles not otherwise provided for - Other vehicle hand-held cleaning arrangements, e.g. with sponges, brushes, scrapers or the like | |
Machines for cleaning carpets not fixed to a surface | |
Street cleaning; cleaning of permanent ways | |
Roof working-tools | |
Arrangements for cleaning building façades | |
Non-positive displacement pumps | |
Valves | |
Pipes; hoses; means for thermal; insulation in general | |
Control or regulation of non-electric variables | |
Electric switches | |
Batteries | |
Dynamo-electric machines | |
Control or regulation of electric motors, generators or dynamoelectric convertors |
Machines or implements which can be used for cleaning windows, window shades, window screens, venetian blinds, as well as floors, carpets, furniture, walls or wall coverings are classified in groups A47L 11/00 or A47L 13/00.
This place covers:
All aspects of cleaning windows including wetting, cleaning and drying of the window surface.
Power-driven machines or devices for cleaning windows, e.g. all machines and devices with a power driven motor, power heating element or the like.
Hand implements for cleaning windows, e.g. all hand operated implements.
Attention is drawn to the following places, which may be of interest for search:
Implements which can be used for cleaning windows as well as floors, carpets, furniture, walls or wall coverings | |
Single-unit hand-held apparatus in which flow of contents is produced by the muscular force of the operator at the moment of use | |
Cleaning or de-icing of aircrafts |
This place covers:
Safety devices specifically for use in window-cleaning such as mounted or suspended platforms and cages attachable to windows/window frames; and safety ropes having securing means or sit portions for window cleaners for home use.
Platforms and cages supported by building constructions and for performing work in existing buildings - i.e. cleaning of the façade - are classified in E04G 3/00. Safety belts and body harnesses are classified in A62B 35/00. If the only described use of the platform, cage, safety belt or harness is for cleaning windows in the domestic ambit or specially adapted for that use, it is classified under A47L 3/00. Likewise, aspects of platforms, cages, safety belts and harnesses which are specific for cleaning windows are classified in A47L 3/00.
Attention is drawn to the following places, which may be of interest for search:
Apparatus for mountaineering - Safety belts of body harnesses | |
Apparatus for mountaineering - Mountaineering ropes | |
Work on existing buildings - Scaffold and mobile platforms essentially supported by building constructions. | |
Devices for preventing persons from falling from ladders |
This place covers:
All aspects of cleaning window shades, screens, venetian blinds.
This place does not cover:
Implements which can be used for cleaning window shades, window screens, venetian blinds as well as floors, carpets, furniture, walls or wall coverings |
This place covers:
All structural features of suction cleaning machines, using suction as major cleaning tool in domestic environments.
With user-driven air-pumps or compressors, e.g. all suction cleaners with manually driven air pumps or compressors
With power-driven air-pumps or compressors, e.g. all suction cleaners with motor driven air pumps or compressors
Hand supported suction cleaners, e.g. all suction cleaners which are dedicated to be used hand supported or as a back-pack.
All upright suction cleaners with wheels and fixed steering handle, e.g. vertical, tank or bucket type
Suction cleaners with hose between nozzle and casing, e.g. horizontal, canister or sledge type
Suction cleaners for fixing on staircases.
Machines for cleaning floors, carpets, furniture, walls or wall coverings are classified in A47L 11/00. In the vacuum cleaners of A47L 5/00, A47L 7/00, A47L 9/00, the main cleaning action is carried out by the provision of vacuum. If the machine has provisions for supplying cleaning fluid to the surface, it generally falls under A47L 11/00. Likewise, if the machine is not a conventional domestic vacuum cleaner, but a machine of bigger size dislodging the dirt with the aid of large brushes and subsequently sucking the dislodged dust and dirt, it is classified as a sweeping machine in the relevant groups under A47L 11/22, A47L 11/24 and A47L 11/40.
This place does not cover:
Suction cleaner with liquid supply |
Attention is drawn to the following places, which may be of interest for search:
It is highly desirable to add the Indexing Code A47L 2201/00 to identify "robotic" aspects (see A47L 2201/00 FCR for further details) of the suction cleaners covered by this main group.
This place covers:
Special type suction cleaners.
Furniture pieces with suction opening for domestic use.
Suction cleaners adapted to take up liquid, e.g. suction cleaners of the wet/dry type.
Using the exhaust air for other purposes, e.g. distribution of chemicals/deodorant
For supporting the suction cleaner on the exhaust air, e.g. all suction cleaners floating on their respective exhaust air, most without wheels.
Machines for cleaning floors, carpets, furniture, walls or wall coverings are classified in A47L 11/00. In the vacuum cleaners of A47L 5/00, A47L 7/00, A47L 9/00, the main cleaning action is carried out by the provision of vacuum. If the machine has provisions for supplying cleaning fluid to the surface, it generally falls under A47L 11/00. Likewise, if the machine is not a conventional domestic vacuum cleaner, but a machine of bigger size dislodging the dirt with the aid of large brushes and subsequently sucking the dislodged dust and dirt, it is classified as a sweeping machine in the relevant groups under A47L 11/22, A47L 11/24 and A47L 11/40.
This place does not cover:
Floor polishing tools | |
Floor-scrubbing machines taking-up dirty liquid by suction | |
Suction devices for removing ash |
Attention is drawn to the following places, which may be of interest for search:
Suction cleaner adapted to take up liquids of the bucket type | |
Lawn Mowers supported by an air cushion | |
Devices for removing chips for machine tools |
It is highly desirable to add the Indexing Code A47L 2201/00 to identify "robotic" aspects (see A47L 2201/00 FCR for further details) of the suction cleaners covered by this main group.
This place covers:
Details of suction cleaners.
Details of parts, elements of the suction cleaner such as those related to the hose, nozzle or casing of the vacuum cleaner.
Accessories of suction cleaners.
Elements which are not integral part of the suction cleaner itself, but which can be used in combination with it. Examples: exchangeable nozzles or brushes, extension wands, etc.
Storing devices.
Those for storing the whole suction cleaner or elements of it. They can be elements external to the suction cleaner or elements integrated in the suction cleaner.
Carrying vehicles.
This includes any means facilitating, contributing to or making possible the displacement of the whole suction cleaner or a part of it (e.g. its nozzle), regardless of whether the means is integrated (e.g. wheels) or not in the suction cleaner.
This also includes means for avoiding mechanical obstacles, such as control means, as well as bumpers in the casing of the suction cleaner.
Machines for cleaning floors, carpets, furniture, walls or wall coverings are classified in A47L 11/00. The vacuum cleaners in A47L 9/00 may be able to take-up liquid by vacuum, but they do not generally add cleaning liquid. If the machine has provisions for supplying cleaning fluid to the surface, it generally falls under A47L 11/00. Likewise, if the machine is not a conventional domestic vacuum cleaner, but a machine of bigger size dislodging the dirt with the aid of large brushes and subsequently sucking the dislodged dust and dirt, it is classified as a sweeping machine in the relevant groups under A47L 11/22, A47L 11/24 and A47L 11/40.
If the detail is somehow related to the kind of vacuum cleaner, the relevant subgroup of A47L 5/00 should also be given.
This place does not cover:
Making dust bags | B31B41/00F |
Attention is drawn to the following places, which may be of interest for search:
Machines for cleaning floors in combination with vacuum cleaners. Including suction cleaner accessories such as suction cleaner nozzles with fluid delivery means. | |
Apparatus using free vortex flow, e.g. cyclones | |
Nozzles, spray heads or other outlets, with or without auxiliary devices such as valves or heating means | |
Shaping or joining of plastics | |
Protecting against, or damping of, acoustic waves, e.g. sound |
It is highly desirable to add the Indexing Code A47L 2201/00 to identify "robotic" aspects (see A47L 2201/00 FCR for further details) of the suction cleaners covered by this main group.
In this place, the following terms or expressions are used with the meaning indicated:
Agitator, beater | element striking the surface to be cleaned for dislodging dirt from it |
Blower, fan, turbine | element provided with blades and rotating for generation of an underpressure |
Dry filter | filter separating small particles contained in air flowing through it and which is not shaped as a bag |
Suction mouth, suction head | vacuum cleaner nozzle |
In patent documents, the following abbreviations are often used:
Autonomous cleaner | robotic cleaner |
Universal joint | cardan joint |
This place covers:
Floor surfacing or polishing machines. (A47L 11/02 - A47L 11/20)
In this group polishing (burnishing, buffering, waxing) : to provide a glossy, reflective surface. Can be aided with polishing agents or waxes.

Floor-sweeping machines. (A47L 11/22 - A47L 11/24)
In this group sweeping is defined as a dry (in contrast to scrubbing) operation involving removing dust, debris and larger particles from a floor such as brushing, vacuuming or blowing - i.e. to loose particles.


Floor-scrubbing machines (A47L 11/26 - A47L 11/307)
In this group scrubbing (scouring): wet operation involving application of water/cleaning composition together with mechanical action on the floor surface with mops, rotating pads or brushes or other cleaning tools.
It may involve recovery of the dirty liquid or not.

Carpet-sweepers. (A47L 11/32 - A47L 11/33)
In this group a carpet sweeper in the sense of A47L 11/32 and subgroups is defined as a mechanical device for the cleaning of carpets that typically consists of a small box, the base of the box having rollers and brushes, connected by a belt or gears. There may also be a container for dirt.

Machines for treating carpets in position by liquid, foam, or vapour, e.g. by steam. (A47L 11/34)
These machines are intended for powerful carpet extraction - i.e. for removing deep, embedded soils in carpets laying on the floor (also called carpet extractors).
Higher pressure steam, cleaning fluid and/or shampoo is applied to the carpet. Scrubbing action may be used (brushes, etc...).
Dirty liquid is normally - not always - recovered by the machine.

Machines for beating upholstery (A47L 11/36).
Machines, specially adapted for cleaning walls, ceilings, roofs, or the like (A47L 11/38).
Parts or details of the machines, e.g. handles, arrangement of switches, skirts,... (A47L 11/40 - A47L 11/4097).
Group A47L 13/00 covers implements for cleaning floors, carpets, furniture, walls or wall coverings. Hence implements for such a use are classified in A47L 13/00 and the present group (A47L 11/00) covers the machines for that use. The carpet-sweepers can be considered as one example of limit case between machine and implement. Here they are still considered as machines and classified under A47L 11/32 and subgroups. Other limit case are the steam mops, which are in contrast considered as implements and classified under A47L 13/225.
Conventional domestic suction cleaners are classified in A47L 5/00; A47L 7/00; A47L 9/00 and not under A47L 11/00. In the vacuum cleaners of A47L 5/00; A47L 7/00; A47L 9/00 the main cleaning action is carried out by the provision of vacuum. If the machine has provisions for supplying cleaning fluid to the surface, it generally falls under A47L 11/00. Likewise, if the machine is not a conventional domestic vacuum cleaner, but a machine of bigger size dislodging the dirt with the aid of large brushes and subsequently sucking the dislodged dust and dirt, it is classified as a sweeping machine in the relevant groups under A47L 11/22 - A47L 11/24 and A47L 11/40.
This place does not cover:
Attention is drawn to the following places, which may be of interest for search:
Dispensing, delivering or transferring liquids not otherwise provided for. | |
Mechanical or pressure cleaning of carpets not in position. | |
Arrangements for removing of previously fixed floor coverings | |
Steam generation per-se. |
It is highly desirable to add the Indexing Code A47L 2201/00 to identify "robotic" aspects (see A47L 2201/00 for further details) of the machines covered by this main group.
In patent documents, the following abbreviations are often used:
Disc brush; roll brush | In the group definitions of A47L 11/02 - A47L 11/38 disc brush and roll brush mean any disc shaped or roll shaped floor engaging tool (brush, pad, ...), and is not restricted to brushes per-se made of bristles. |
This place covers:
Scraping implements such as steel wool, wire meshes...
Scrubbing implements such as wipes, sponges, cloths, mops...
Scouring implements including scouring implements for hearths or metal objects.
Polishing implements as well as squeegees, carpet beaters, dusters and other implements for cleaning floors, carpets, furniture, walls or wall coverings in the domestic ambit.
Manual operation of the user is required to perform the cleaning action.
Auxiliary devices related to said implements are classified here too (storing devices, shakers for dust-cloths, dust pans, crumb trays, wringers, kneeling supports for cleaning floors...).
Group A47L 11/00 covers machines for cleaning floors, carpets, furniture, walls or wall coverings. Hence machines for such a use are classified in A47L 11/00.
and the present group (A47L 13/00) covers the implements for that use. The carpet-sweepers can be considered as one example of limit case between machine and implement. Here they are still considered as machines and classified under A47L 11/32 and subgroups. Other limit case are the steam mops, which are in contrast considered as implements and classified under A47L 13/225.
A47L 1/00 and A47L 4/00 cover machines or implements for cleaning windows, window shades, window screens and venetian blinds. Implements which can be used for cleaning windows, window shades, window screens or venetian blinds as well as floors, carpets, furniture, walls or wall coverings are classified under A47L 13/00.
This place does not cover:
Implements used in manual washing or polishing of crockery, table-ware or the like | |
Dusting implements using adhesive surfaces | |
Brooms |
Attention is drawn to the following places, which may be of interest for search:
Sanitary equipment not otherwise provided for; toilet accessories | |
Absorbent pads, e.g. sanitary towels, swabs or tampons for external or internal application to the body | |
Hand propelled vehicles e.g. hand-carts | |
Layered products |
This place covers:
Features of washing or rinsing machines for crockery or tableware, i.e. machines which are suitable for washing or rinsing articles such as dishes, plates, knives, forks, spoons, glasses, cups, etc., used at meals or in the kitchen, e.g. for cooking.
Attention is drawn to the following places, which may be of interest for search:
Cleaning, e.g. washing, meat or sausages | |
Machines for cleaning, blanching, drying or roasting fruits or vegetables, e.g. coffee, cocoa, nuts | |
Devices for washing vegetables or the like | |
Cleaning devices specially adapted for surgical instruments | |
Cleaning devices for bed-pans, urinals or other sanitary devices for bed-ridden persons | |
Methods or apparatus for disinfecting or sterilising materials or objects other than foodstuffs | |
Apparatus for cleaning or rinsing laboratory receptacles or instruments | |
Cleaning in general | |
Laundry washing machines |
In this place, the following terms or expressions are used with the meaning indicated:
Dishwashing machine | a machine for washing dishes, plates and like tableware, cutlery, cooking vessels and utensils. |
This place covers:
Washing methods or processes, i.e. machine working principles or operational steps.
In the field of washing machine for crockery and/or tableware there exists a clear distinction between washing methods and washing processes.
A washing method defines the washing principle according to which a machine works: by utilising water, ultrasonic wave, microwaves, steam, etc.
A washing process defines the series of operations performed by a machine to wash the tableware according to a defined washing principle.
For example, a conventional domestic dishwasher uses water for washing the crockery and the washing processes of domestic dishwashers usually comprise the series of operations of: rinsing with cold water, washing with water containing detergent and rinsing with hot water.
This distinction between washing methods and washing processes is not always used in documents in the field of dishwashers.
However, a clear indication that a dishwasher application relates to a washing method and/or process, is given by the subject-matter of the application, which must relate to the way the crockery or the tableware is treated.
Does the invention information of the application concern the principle according to which the dishes are treated? Is steam applied to the crockery? Are microwaves used for drying the tableware? Then there is a clear indication that the technical information of the application relates to a washing method.
Does the invention information concern the temporal sequence of the machine operational steps affecting the washing cycle of the dishes? Pre-rinse, washing, final rinse and drying? Does the invention information concern the values of the washing parameters affecting the crockery? What will be the value of the water temperature during the rinsing step? What will be the value of the air temperature during the drying step? Then there is a clear indication that the application relates to a washing process.

Attention is drawn to the following places, which may be of interest for search:
Special cleaning and washing methods |
Documents related to washing method and/or processes are classified by allocating A47L 15/0002 and its subgroups at inventive information level as well as the orthogonal Indexing Code A47L 2601/00.
The following special classification rules must be observed in order to reflect the distinction between washing methods and washing processes so as to render the retrieval of the relevant state of the art easier.
If the invention information of an application concerns a washing method, which is characterized by the use of a particular washing principle or treatment on the crockery or tableware, the classification at inventive level A47L 15/0002 must be assigned to the application and in addition the orthogonal Indexing Code A47L 2601/00 corresponding to this particular treatment must also be assigned.

The preceding image includes references to A47L 15/0002, A47L 15/0005, A47L 15/0007, A47L 15/001, A47L 15/0013, A47L 15/0015, A47L 2601/00, A47L 2601/02, A47L 2601/04, A47L 2601/08, A47L 2601/10, A47L 2601/12, A47L 2601/14, A47L 2601/17, A47L 2601/20
The classification approach CPC symbol and orthogonal indexing codes provides a multi-parametric search strategy.
Example of classification 1:
The application relates to a washing method characterized by the application of steam to the dishes. In addition to the classification at inventive level A47L 15/0002 the Indexing Code A47L 2601/04 must further be assigned to this application.
If the invention information of an application concerns a washing process, characterized by one or more particular operational steps or washing phases of the machine, one or more subgroups of the A47L 15/0002 corresponding to the one or more particular washing steps or phases must be assigned to the application. An orthogonal Indexing Code A47L 2601/00 corresponding to the corresponding washing method must further be assigned to the application.
If the washing process does not refer to any particular operational step of the machine, then the higher subgroup A47L 15/0002 is to be assigned.
Example of classification 2:
The application relates to a washing process characterized by the implementation of a plurality of intermediate rinsing phases. The dishwasher uses pressurized cleaning liquid delivered by a pump. The classification A47L 15/0005 (rinsing phases) at inventive level and the Indexing Code A47L 2601/02 (crockery treated with pressurized water) must be assigned to this application.
If a washing method and/or process is specially adapted/used for a particular type of dishwasher, in addition to the classification symbols for the washing method and/or process the Classification at inventive level or the Indexing Code (depending whether invention information or additional information are to classify) corresponding to the particular dishwasher type should be assigned.
Example of classification 3:
The subject of the patent application is a washing process, wherein a better drying of the crockery is achieved. The process is used in a conveyor-type dishwasher and uses microwaves to dry the dishes. No invention information concerning the conveyor-type dishwasher and the drying arrangement is given.
The searcher can easily retrieve the relevant state of the art by combining the classification A47L 15/0013 at inventive level (machine operational step => drying phase) with the corresponding Indexing Codes A47L 2601/12 (washing method characterized by the use of => microwaves) and A47L 15/241 (additional information which identifies the implementation of the washing process in a conveyor-type dishwasher).

The preceding image includes references to A47L 15/0002, A47L 15/0013, A47L 2601/00, A47L 2601/12, and A47L 15/241
This place covers:
Applications characterized by temporal sequence of rinsing operations and/or rinsing parameters (e.g. water temperature, pressure) affecting the crockery during a rinsing phase.

The Indexing Code corresponding to the particular treatment on the crockery must also be assigned.
For example, if the crockery is treated with pressurized water the Indexing Code A47L 2601/02 must further be assigned to the application.
This place covers:
Applications characterized by temporal sequence of washing operations and/or washing parameters (e.g. water temperature, pressure) affecting the crockery during a washing phase.

The Indexing Code corresponding to the particular treatment on the crockery must also be assigned.
For example, if the crockery is treated with pressurized water the Indexing Code A47L 2601/02 must further be assigned to the application.
This place covers:
Applications characterized by temporal sequence of draining operations and/or draining parameters (e.g. partial draining) during a washing cycle.

The Indexing Code corresponding to the particular treatment on the crockery must also be assigned.
For example, if the crockery is treated with pressurized water the Indexing Code A47L 2601/02 must further be assigned to the application.
This place covers:
Applications characterized by temporal sequence of drying operations and/or drying parameters (e.g. temperature of air) affecting the crockery during a drying phase.

The Indexing Code corresponding to the particular treatment on the crockery must also be assigned.
For example, if the crockery is treated with pressurized water the Indexing Code A47L 2601/02 must further be assigned to the application.
This place covers:
Applications characterized by temporal sequence and/or parameters of other particular treatments affecting the crockery during a washing cycle.

Attention is drawn to the following places, which may be of interest for search:
Laundry washing machines, apparatus, or methods not otherwise provided for |
The Indexing Code corresponding to the particular treatment on the crockery must also be assigned.
For example, if the crockery is treated with steam the Indexing Code A47L 2601/04 must further be assigned to the application.
This place covers:
Controlling method relating to the command of the machine, i.e. the control of any kind of operation of the machine. In the controlling methods information (manual or automatic inputs) is used by controlling means (e.g. a processor) to command actuators (e.g. valves, pump's motors, heating means, etc.)
A controlling method may have different purposes, for example: the control of a washing phase of a washing process (e.g. the control of the drying phase); the prevention of the malfunction of the machine; the control of a component of the machine (e.g. the detergent dispenser, the circulation pump, etc.).
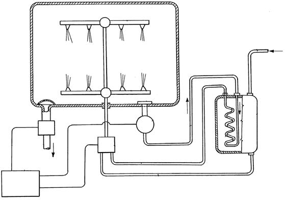
The following picture schematically illustrates the workflow of a controlling method: Information (manual settings or automatic detections from e.g. sensors) is inputted into the controlling means which, depending on the purpose of the controlling, sends command signals to the dishwasher components.

The controlling devices per se (hardware) are classified in the A47L 15/46 subgroup.

The preceding image includes references to A47L 15/46.
A47L 15/0018 (Controlling processes) vs. A47L 15/42 (Details)
When it has been decided to create the current classification scheme for the controlling method, it has been noted that some of the "purpose of the control" entries, i.e. some of the A47L 15/0018 subgroups, could have been a repetition of some of the "details" entries, i.e. some of the A47L 15/42 subgroups.
In fact, some measuring or regulating arrangements hystorically classified according the A47L 15/42 subgroups may implicitly or explicitly disclose controlling processes. For example, a spray-pressure measuring or regulating arrangement (ref. A47L 15/4289) may also disclose a controlling process having as purpose or target of the controlling the control of the water pressure during the operation of a dishwasher.

The preceding image includes references to A47L 15/0018 and A47L 15/42.
For such situations, to avoid unuseful duplication of classes, it has been decided, when applicable, to use the entries already existing under the A47L 15/42 subgroups to also classify purposes or targets of the controlling processes.
The orthogonal indexing codes for the controlling methods may additionally be given if useful.
Example of classification 1 - A47L 15/4297 vs. A47L 15/0031
An application relates to an arrangement for controlling the condition of the washing water in a dishwasher.
Variation of optical parameters are detected by an optical arrangement and a corresponding turbidity value of the washing water is determined and sent to a controlling device of the dishwasher.
This first aspect of the application should be classified as follow:
purpose of the controlling: condition of the washing water => A47L 15/4297
automatic detection inputted into the controlling device: variation of optical quantity => A47L 2401/30
action performed by the controlling device: indication of the turbidity value => A47L 2501/26

The preceding image includes references to A47L 2401/30, A47L 15/4297, and A47L 2501/26.
The application further discloses that based on the result of the turbidity measurement (ref. "first" controlling process in the figure above), the controlling device commands the execution of an intermediate washing water discharge phase during a washing cycle.
This second aspect of the application should be classified as follow:
purpose of the controlling: controlling of washing water discharge phases => A47L 15/0031
automatic detection inputted into the controlling device: turbidity of washing water => A47L 2401/10
action performed by the controlling device: discharge of washing water => A47L 2501/02

The preceding image includes references to A47L 2401/10, A47L 15/46, A47L 15/0031, and A47L 2501/02
Example of classification 2 - A47L 15/4295 vs. A47L 15/0034
An application relates to an arrangement for detecting or measuring the condition of the crockery loaded in the dishwasher per se. The purpose of the controlling method is exclusively to detect the nature or the quantity of the crockery. Only the classification at inventive level A47L 15/4295 should be assigned to the application in-suit.
Should the detection or the measurement of the condition of the crockery loaded in the dishwasher be used to control other components or washing parameters of the machine, then this detection or measurement represents the input of the controlling method and to assign only the A47L 15/4295 class may not be correct (see below).
An application relates to a controlling method to optimize the drying phase of a washing cycle. The controlling method utilizes the information provided by an arrangement to measure the quantity of the crockery loaded in the dishwasher to regulate an air heater accordingly.
This application should be classified as follow:
purpose of the controlling: optimization of the drying phase => A47L 15/0034
automatic detection inputted into the controlling device: quantity of the crockery => A47L 2401/04
component controlled by the controlling device: air heater => A47L 2501/11
Should this application also contain relevant information concerning the arrangement to measure the quantity of the crockery, then, depending from the relevance of this information, the corresponding classification at inventive level A47L 15/4295 or Indexing Code A47L 15/4295 should also be assigned to the application.

The preceding image includes references to A47L 15/0018, A47L 15/4295, A47L 2401/04, A47L 15/0034, and A47L 2501/11.
Example of classification 3 - A47L 15/4244 vs A47L 15/0023
An application relates to a water-level regulating arrangement.
It is disclosed the monitoring of a recirculation pump's parameter to measure the level of the water inside the tub and to close the water inlet valve once the desired water-level is reached.
This application should be classified as follow:
purpose of the controlling: water-level measuring or regulating arrangements => A47L 15/4244
automatic detection inputted into the controlling means: recirculation pump's parameter => A47L 2401/08
component controlled by the controlling means: water inlet valve => A47L 2501/01
Example of classification 4 - Classification of a component and a control method thereof.
Dishwashers components are mainly classified in the subgroups A47L 15/42 (details). If an application, in addition to a component, further discloses a control method thereof, only the classification at inventive level of the component must be assigned, both for the component per se and for the control method thereof. The orthogonal indexing codes for the controlling methods may additionally be given if useful.
For example, an application discloses a pump, which can be used for re-circulating and/or discharging washing liquid in a dishwasher.
The pump is controlled so as automatically to change from recirculation into drain mode if the turbidity of the washing liquid is higher than a reference value.
This application should be classified as follow:
classification at inventive level: pump and control method thereof => A47L 15/4225
automatic detection inputted into the controlling means: turbidity of washing liquid => A47L 2401/10
components controlled by the controlling means:
pump's operating mode => A47L 2501/05 and
drain valve => A47L 2501/02

The preceding image includes references to A47L 2401/10, A47L 15/4225, A47L 2501/05, and A47L 2501/02.
Attention is drawn to the following places, which may be of interest for search:
Programme-control systems | |
Testing or monitoring of control systems or parts thereof |
The purpose or target of the controlling method (what is to be controlled?) is usually (ref. par. Relationship between large subject-matter areas) classified according to the A47L 15/0018 and its subgroups.
The information inputted by a user into a controlling device (i.e. manual inputs), the information provided by e.g. sensors to the controlling device (i.e. automatic detections) and the quantities or components controlled or the actions taken by the controlling device in order to carry out the required control (i.e. output of the controlling method) are classified according to the corresponding orthogonal Indexing Codes:
A47L 2301/00 - Manual input;
A47L 2401/00 - Automatic detections;
A47L 2501/00 - Output of the controlling method.

The preceding image includes references to A47L 15/46, A47L 15/0018, A47L 2301/00, A47L 2401/00, and A47L 2501/00.
The classification approach CPC symbol and orthogonal indexing codes provides a multi-parametric search strategy.
Example of classification 1:
An application relates to a controlling method of a dishwasher, which allows the reduction of the amount of energy used by the machine. The method uses the information given by a water temperature sensor for switching on/off a water-heater.
This application should be classified as follow:
purpose of the controlling: energy saving => A47L 15/0047
automatic detection inputted into the controlling device: water temperature => A47L 2401/12
component controlled by the controlling device: water heater => A47L 2501/06
Example of classification 2:
An application relates to a controlling method to optimize the drying phase of a washing cycle.
The controlling method utilizes the information provided by an arrangement to measure the air humidity in the dishwasher to regulate an air heater and an air blower accordingly.
No information about the controlling device (e.g. CPU) is given.
This application should be classified as follow:
purpose of the controlling: optimization of the drying phase => A47L 15/0034
automatic detection inputted into the controlling device: air humidity => A47L 2401/12
components controlled by the controlling device:
air heater => A47L 2501/11
air blower => A47L 2501/12
Should this application also contain relevant information concerning the condensing arrangement, then, depending from the relevance of this information, the corresponding classification at inventive level A47L 15/483 or indexing code A47L 15/483 should also be assigned to the application.

The preceding image includes references to A47L 2401/19, A47L 15/0034, A47L 15/483, A47L 2501/11, and A47L 2501/12.
The searcher can easily retrieve the relevant state of the art by combining the classification at inventive level with the corresponding Indexing Codes.

The preceding image includes references to A47L 2401/19, A47L 15/0034, A47L 2501/11, and A47L 2501/12
This place covers:
Controlling methods of the dishwashers operational steps. In other words, the control of the operation of the machine during a particular phase of the washing process.
This place does not cover:
Washing methods or processes |
This place covers:
Controlling methods of any water filling phase in a dishwasher.
In other words, the purpose of the controlling method is to control the amount of water to let into the dishwasher and/or the length (time duration) of the water filling phase.
The main focus of the control is the particular operational step of the machine, i.e. the filling phase.
Such controlling methods may, for example, involve the monitoring of the water level in the dishwasher's tub to decide on when to terminate the water filling phase.

Other methods may, for example, involve the steps of operating a recirculation pump during the filling phase and monitoring the behaviour of the pump's electrical parameters in order to decide when to close the water inlet valve.

A47L 15/0023 (Control of water filling) vs. A47L 15/4244 (Water-level measuring or regulating arrangements)
If the purpose of the control is to measure or regulate the water level in the tub (or any other container) of the dishwasher, i.e. the main focus of the application is the control of the water level per se, the subgroup A47L 15/4244 (Water-level measuring or regulating arrangements) takes precedence.
In other words, attention must be paid to the "role "of the water-level measurement.
Is the water-level monitored to decide on the termination of the water filling phase? Then the water-level measurement is the input of the water filling controlling method. This "role" of the water-level measurement must be identified by the corresponding Indexing Code A47L 2401/09 and the application must be classified in the A47L 15/0023 subgroup.
If, on the contrary, the application concerns the water-level measure or regulation per se, then the application must be classified in the A47L 15/4244 subgroup.
Example of classification 1
An application relates to a controlling method to regulate the water-level in the tub of a dishwasher.
The method is based on the fact that the electrical current absorbed by a recirculation pump's motor is correlated to the level of water in the tub.
The main focus of the application is the control of the water-level per se.
This application should be classified as follow:
purpose of the controlling: measuring of the water-level in the tub => A47L 15/4244
automatic detection inputted into the controlling device: current absorbed by the pump's motor => A47L 2401/08
component controlled by the controlling device: water inlet valve => A47L 2501/01

The preceding image includes references to A47L 2401/08, A47L 15/4244, and A47L 2501/01.
Example of classification 2
An application relates to a controlling process to regulate the amount of water to let into a dishwasher's tub during a water filling phase.
The controlling process discloses operating a recirculation pump during the filling phase and monitoring the behaviour of the pump's electrical parameters in order to decide when to close the water inlet valve.
The main focus of the control is the particular operational step of the machine, i.e. the filling phase.
This application should be classified as follow:
purpose of the controlling: Water filling phase => A47L 15/0023
information inputted into the controlling device:
water level in the dishwasher's tub => A47L 2401/09 and
current absorbed by the pump's motor => A47L 2401/08
component controlled by the controlling device: water inlet valve => A47L 2501/01

The preceding image includes references to A47L 15/0023, A47L 2401/08, A47L 2401/09, and A47L 2501/01.
This place covers:
Controlling of any rinsing phase in a dishwasher.

This place covers:
Controlling of washing phases in a dishwasher.

This place covers:
Controlling of any water discharge phase in a dishwasher.

This place covers:
Controlling of any water drying phase in a dishwasher.

Attention is drawn to the following places, which may be of interest for search:
Control of humidity | |
Automatic switching arrangements for electric heating apparatus |
This place covers:
Controlling of steam phases in a dishwasher.

Controlling of any type of sterilization phase(s) in a dishwasher (e.g. by using UV).

This place covers:
Control of the filter cleaning phases, i.e. in a washing cycle the control of the phase dedicated to the cleaning of the filter (e.g. executing a filter cleaning during a drying phase of a washing cycle).
This place does not cover:
Arrangements for cleaning of filters and control method therefor |
This place covers:
Controlling of regeneration phases of reversibly dehydrogenated drying materials like zeolite.

This place covers:
Controlling methods for reducing the operation time of a dishwasher.
This place covers:
Controlling methods for reducing the energy or water consumption of a dishwasher.
This place covers:
This subgroup may also include controlling methods for adjusting operational parameters of the dishwashing based on the user satisfaction.
This place does not cover:
Safety arrangements for preventing water damage |
Attention is drawn to the following places, which may be of interest for search:
Controlling method concerning the control of the clogging of the filters in order to start a self-cleaning phase |
If the purpose of the controlling method is to detect the malfunction of a dishwasher component, the classification at inventive level or the Indexing Code (depending whether invention information or additional information are to classify) corresponding to this component should be assigned.
Example of classification 1:
The subject-matter of an application is a controlling method to detect malfunction of a drying device using an absorbent material like zeolite. The technical features of the drying device are not important per se.
The purpose of the controlling method is the detection of malfunction of a dishwasher component and therefore the classification at inventive level A47L 15/0049 should be assigned to the application.
The dishwasher component to be monitored is the drying device using zeolite. This additional information is useful for a searcher because it constitutes a pointer to the component, which is under surveillance. Consequently, the Indexing Code A47L 15/481 should also be assigned to this application.
A searcher can easily retrieve the relevant state of the art in this technical field by combining A47L 15/0049 and Indexing Code A47L 15/481.
Example of classification 2:
The subject-matter of an application is a controlling method to detect malfunction of a washing pump. The technical features of the pump are not important per se.

The purpose of the controlling method is the detection of malfunction of a dishwasher component and therefore the classification at inventive level A47L 15/0049 should be assigned to the application.
The dishwasher component to be monitored is the washing pump. This additional information is useful for a searcher because it constitutes a pointer to the component, which is under surveillance. Consequently, the Indexing Code A47L 15/4225 should also be assigned to this application.
A searcher can easily retrieve the relevant state of the art in this technical field by combining A47L 15/0049 and Indexing Code A47L 15/4225.
This place covers:
Controlling methods to detect and/or prevent and/or reduce noise during operation of a dishwasher.


This place covers:
Controlling methods related to consumable products.


Attention is drawn to the following places, which may be of interest for search:
Arrangements for measuring the detergent concentration in laundry washing machines | |
Control of chemical or physical-chemical variables, e.g. pH value |
This place covers:
Controlling methods involving cleaning of dishwashers parts.

This place does not cover:
Arrangements for cleaning of filters and control method therefor |
Attention is drawn to the following places, which may be of interest for search:
Methods for disinfecting the tub or the drum of laundry washing machines |
This place covers:
Controlling methods involving wireless communications between internal components of a dishwasher

This place covers:
Controlling methods involving a remote control of a dishwasher.


This place covers:
Machines for cleaning drinking vessels, such as glasses and beer mugs.
In this place, the following terms or expressions are used with the meaning indicated:
Commercial dishwasher, domestic dishwasher | Domestic and commercial dishwashers differ substantially in design and manner of use, with the possible exception of a few commercial machine styles which are an outgrowth of domestic unit designs. Even though these latter designs may appear similar in many respects, they differ in function and operation, not only in the length of time it takes to wash and rinse a rack of ware, but also in the number of washes and rinses per rack.Domestic units ordinarily have the further capability of drying washed dishes within the wash chamber, whereas comparable commercial units may feature air drying outside the chamber in order to minimize the time it takes to complete each rack of ware. It is important in a commercial environment to wash racks successively in rapid order. Thus, a commercial washer may be used for washing and rinsing but not for drying, if the length of time it takes for the latter is too much. |
This place covers:


Attention is drawn to the following places, which may be of interest for search:
Hood-type dishwashers, often comprising separated washing liquid and rinsing liquid circuits. |
This place covers:



Attention is drawn to the following places, which may be of interest for search:
Door, lid body (Japanese FI class) | A47L15/42&B |
Vertical sliding unit (Japanese F-term) | 3B082/BB05 |
English | Hood-type dishwasher |
German | Haubengeschirrspülmaschine |
French | Lave-vaisselle type capot |
This place covers:
Dishwashers mounted in an aperture provided in a kitchen work surface and/or table.


Attention is drawn to the following places, which may be of interest for search:
Sinks |
In patent documents, the following words/expressions are often used as synonyms:
- "in-sink dishwashers" and "inset dishwashers"
This place covers:

If the miniature dishwasher can be used for washing glasses, then also assign the class A47L 15/0065 or one of the subclasses.
This place covers:
Washing machines specially adapted to wash items of cumbersome dimensions like serving trays, barbecue-grilles, or similar items which usually do not fit into ordinary dishwashers.



This place covers:
Dishwashers in which small, hard particles, such as specially designed plastic granules, are mixed with water and detergent to achieve a cleaning mixture that is sprayed under e.g. high pressure against articles to be washed.


This place covers:
Multifunctional appliances which may perform dishwashing operations.
The applicances can be machines having a plurality of operating units (e.g. dishwasher and oven), which share part of the functional volumes thereof within a single housing cabinet:

and can also be convertable appliances, e.g. dishwashers that can be converted into laundry washing machine and vice versa:

This place does not cover:
Combination of two dishwashers in a common frame |
Attention is drawn to the following places, which may be of interest for search:
Combinations of laundry washing machines with other separate apparatus in a common frame or the like |
This place covers:
Dishwashers in which the crockery or tableware to be cleaned is positioned in a stationary basket, which is typically immersed in a liquid medium subjected to agitation by means of an impeller located in the cleaning chamber.

This place covers:
Dishwashers in which the crockery or tableware to be cleaned is positioned in a stationary basket, which is typically immersed in a liquid medium subjected to circulation around and between the dishes by means of a pump.

This place covers:
Dishwashers usually comprising a vessel filled with water to a predetermined level and a compressed air arrangement by means of which air is introduced into the washing chamber. As the air enters the washing chamber it forms bubbles which flow across the articles and turbulate the water within the chamber.

This place covers:
Dishwashers usually comprising a vessel filled with water to a predetermined level and heating means to heat the water up to the boiling point.
Alternatively the water can be heated in a separated boiler and once the water is boiling, the water is discharged over the dishes.

This place covers:
Dishwashers having sonic or ultrasonic generators connected to the water bath of a cleaning chamber.
In such dishwashers using for example ultrasonic generators, a high frequency sound wave is radiated by a generator through the water bath. This rapidly alternating wave produces a sequence of localized positive and negative pressure regions. The negative pressure regions effectively separate or cavitate the water bath to produce a large quantity of minute bubbles. As these cavitation bubbles within the water bath are contacted against a surface of a crockery item to be cleaned, the bubbles implode and thus provide a substantial mechanical scrubbing action which can be effective in dislodging and removing debris from the submerged crockery item.

This place does not cover:
Methods for cleaning crockery using sonic or ultrasonic waves | |
Dish washers specially adapted for drinking glasses using sonic or ultrasonic waves | |
Dish washers of non-domestic use type using sonic or ultrasonic waves | |
Dish washers of the drawer-type using sonic or ultrasonic waves | |
In-sink dishwashers using sonic or ultrasonic waves | |
Dish washers of small size, e.g. portable mini dishwashers for small kitchens, using sonic or ultrasonic waves | |
Dish washers specially adapted to wash large items like pots, using sonic or ultrasonic waves | |
Dish washers specially adapted to wash large items like pots, using sonic or ultrasonic waves | |
Dish washers with stationary crockery baskets and spraying devices within the cleaning chamber, using sonic or ultrasonic waves | |
Dish washers with movement of the crockery baskets by conveyors using sonic or ultrasonic waves | |
Dish washers with movement of the crockery baskets by other means, using sonic or ultrasonic waves | |
Dish washers with crockery cleaned by brushes using sonic or ultrasonic waves |
The Indexing Code A47L 2601/17 must be assigned to all the applications related to the treating of crockery with sonic or ultrasonic waves.
This place covers:
Dishwashers of domestic use type only, i.e. the type commonly found in home use.
Details of spraying devices per se, i.e. independently from the machine type, are also classified according to the subgroups A47L 15/16, A47L 15/18 and its subgroups.
This place does not cover:
Dishwashers specially adapted for drinking glasses | |
Dishwashers of non-domestic use type | |
Drawer-type dishwashers | |
In-sink dishwashers | |
Miniature dishwasher | |
Dishwashers specially adapted to wash pots, trays, cooking grids |
This place covers:
In addition to dishwashers with stationary crockery baskets and rigidly-mounted spraying devices within the cleaning chamber, this subgroup also covers details of rigidly-mounted spraying devices per se arranged within a washing chamber of a dishwasher.


This place does not cover:
Details of the nozzles | |
Hydraulic connections of the spraying devices when attached to the racks |
If the spraying devices are not for a domestic-type dishwasher but for another particular type of dishwasher, in addition to the classification symbols for the spraying devices the classification at inventive level or the Indexing Code (depending whether invention information or additional information are to classify) corresponding to the particular dishwasher type should be assigned. If the arrangement comprises a controlling method, i.e. a document relates to the spraying devices and a control method thereof, in addition to the classification at inventive level the pertinent orthogonal Indexing Codes for the controlling methods (A47L 2301/00, A47L 2401/00, A47L 2501/00) may also be assigned.
This place covers:
In addition to dishwashers with stationary crockery baskets and movably-mounted spraying devices within the cleaning chamber, this subgroup also covers details of movably-mounted spraying devices per se arranged within a washing chamber of a dishwasher.




This place does not cover:
Details of the nozzles | |
Hydraulic connections of the spraying devices when attached to the racks |
If the spraying devices are not for a domestic-type dishwasher but for another particular type of dishwasher, in addition to the classification symbols for the spraying devices the classification at inventive level or the Indexing Code (depending whether invention information or additional information are to classify) corresponding to the particular dishwasher type should be assigned.
If the arrangement comprises a controlling method, i.e. a document relates to the spraying devices and a control method thereof, in addition to the classification at inventive level the pertinent orthogonal Indexing Codes for the controlling methods (A47L 2301/00, A47L 2401/00, A47L 2501/00) may also be assigned.
This place covers:
In addition to dishwashers with stationary crockery baskets and swingable-mounted spraying devices within the cleaning chamber, this subgroup also covers details of swingable spraying devices per se arranged within a washing chamber of a dishwasher.


This place does not cover:
Details of the nozzles | |
Arrangements to modify spray pattern or direction of spray | |
Hydraulic connections of the spraying devices when attached to the racks |
If the spraying devices are not for a domestic-type dishwasher but for another particular type of dishwasher, in addition to the classification symbols for the spraying devices the classification at inventive level or the Indexing Code (depending whether invention information or additional information are to classify) corresponding to the particular dishwasher type should be assigned.
If the arrangement comprises a controlling method, i.e. a document relates to the spraying devices and a control method thereof, in addition to the classification at inventive level the pertinent orthogonal Indexing Codes for the controlling methods (A47L 2301/00, A47L 2401/00, A47L 2501/00) may also be assigned.
This place covers:
In addition to dishwashers with stationary crockery baskets and rotary-mounted spraying devices within the cleaning chamber, this subgroup also covers details of rotary spraying devices per se arranged within a washing chamber of a dishwasher.

This place does not cover:
Details of the nozzles | |
Hydraulic connections of the spraying devices when attached to the racks |
If the spraying devices are not for a domestic-type dishwasher but for another particular type of dishwasher, in addition to the classification symbols for the spraying devices the classification at inventive level or the Indexing Code (depending whether invention information or additional information are to classify) corresponding to the particular dishwasher type should be assigned. If the arrangement comprises a controlling method, i.e. a document relates to the spraying devices and a control method thereof, in addition to the classification at inventive level the pertinent orthogonal Indexing Codes for the controlling methods (A47L 2301/00, A47L 2401/00, A47L 2501/00) may also be assigned.
This place covers:
In addition to dishwashers with stationary crockery baskets and hydraulic-driven rotary-mounted spraying devices within the cleaning chamber, this subgroup also covers details (for examples hydraulic connections, sealing arrangements, materials) of hydraulic-driven rotary spraying devices per se.




This place does not cover:
Details of the nozzles | |
Hydraulic connections of the spraying devices when attached to the racks |
Attention is drawn to the following places, which may be of interest for search:
Sealing arrangements |
If the spraying devices are not for a domestic-type dishwasher but for another particular type of dishwasher, in addition to the classification symbols for the spraying devices the classification at inventive level or the Indexing Code (depending whether invention information or additional information are to classify) corresponding to the particular dishwasher type should be assigned.

The preceding image includes references to A47L 15/23
If the arrangement comprises a controlling method, i.e. a document relates to the spraying devices and a control method thereof, in addition to the classification at inventive level the pertinent orthogonal Indexing Codes for the controlling methods (A47L 2301/00, A47L 2401/00, A47L 2501/00) may also be assigned.
This place covers:
Dishwashers comprising one or more treating zone(s), wherein the crockery is transported through this or these zone(s) by mean of an endless conveying device (e.g. belt, chain), which extends across said zone(s) and which is loaded with the crockery to be washed.

This place covers:

In patent documents the expression "tunnel dishwashers" is often used to indicate such type of dishwashers.
This place covers:
Conveyor apparatus, wherein the dishes are placed onto the conveyor itself, the surface of the conveyor being provided with pin-like projections or recesses to hold the dishes in place during the wash.


In patent documents, the following words/expressions are often used with the meaning indicated:
"fly type conveyor apparatus" | "a conveyor apparatus, wherein the dishes are placed onto the conveyor itself". |
This place covers:

This place covers:
Details of components specially adapted or exclusively used in conveyor-type dishwashers, which are therefore not covered by any of the A47L 15/42 subgroups.
An example of such specific details are curtains to separate the washing zones.


This place does not cover:
Baskets for conveyor-type dishwashers |
When the subject-matter of the detail is covered by any of the subgroups of the A47L 15/42, the classification at inventive level of the corresponding A47L 15/42 subgroup must be assigned.
The classification at inventive level or the Indexing Code (depending whether invention information or additional information are to classify) corresponding to the conveyor-type machine should additionally be assigned.
This place covers:
Details exclusively related to the conveyors.


This place covers:
Dishwashers in which the basket(s) loaded with the crockery to be washed is moved by means other than endless conveying devices.

This place covers:
Dishwashers in which the crockery to be washed is secured onto a movable basket, which is submerged in the cleaning fluid contained in a washing chamber.

This place covers:


This place covers:
Dishwashers characterized by alternating or reciprocating sideways movements, either of the crockery supporting arrangement (inside a washing chamber) or of the washing chamber.


This place covers:

This place covers:
Dishwashers in which the cleaning action is effected by the mechanical rubbing action of brushes arranged on movable supports.

This place covers:
Details of all dishwashers type.
This place does not cover:
Details specific (i.e. not simply suitable for) of conveyor-type dishwashers |
If the aspect of the detail in conjunction with a particular type of dishwasher is important, in addition to the classification at inventive level of the detail (subject of the invention) also the classification at inventive level or by Indexing Code (depending whether invention information or additional invention) corresponding to the particular dishwasher-type should be given.
This place covers:
Filter means, strainers or other similar arrangements which do not fit in any of the sub-classes

Macerators, i.e. chopping devices for reducing the size of entrained food particles in the water which are normally located in or associated in the pump, should be classified in A47L 15/4227. If the invention concerns a filter arrangement and a macerator then both classes should be given.
Attention is drawn to the following places, which may be of interest for search:
(Pumps) further comprising macerator arrangement for chopping entrained food particles | |
Filtering arrangements of laundry washing machines |
When subclass(es) are assigned, the main class i.e. A47L 15/4202 should NOT routinely be assigned unless a particular extra feature relating to filtering that is not covered by the subclass(es) is mentioned.
Additional or interesting aspects related to filtering should be assigned the appropriate Indexing Code e.g. A47L 15/4204 Flat filters.
This place covers:
Filter arrangements having a substantial two-dimentional shape.



If appropriate multiple classifications should be given; e.g. in case of flat filter with self-cleaning arrangement, A47L 15/4208 should also be given.
This place covers:


If appropriate multiple classifications should be given; e.g. in case of tubular filter with self-cleaning arrangement A47L 15/4208 should also be given.
This place covers:
Arrangements which clear away foreign substances accumulated in filter devices and/or prevent foreign materials from remaining lodged in a filter.
Examples:

Nozzle in a tubular filter.

Spray arms used to clean flat filter.
If appropriate multiple sub-classes should be given; e.g. in case of self-cleaning arrangement for a flat filter A47L 15/4204 should also be given.
If the arrangement comprises a controlling method, i.e. an application relates to an arrangement for cleaning of a filter and the control method thereof, in addition to the classification at inventive level the pertinent orthogonal Indexing Codes for the controlling methods (A47L 2301/00, A47L 2401/00, A47L 2501/00) may also be assigned.
This place covers:

Attention is drawn to the following places, which may be of interest for search:
Insulating elements, e.g. for sound insulation, for body-finishing of vehicles | |
Heat, sound or noise insulation of buildings | |
Methods or devices for protecting against, or for damping, noise or other acoustic waves in general |
Whenever appropriate, to identify how the insulation arrangement is connected to the dishwasher, in addition to the symbol A47L 15/4209 (INV), a CPC classification symbol for additional information should be assigned, e.g. A47L 15/4251 (ADD) for insulation arrangements connected to the casing, A47L 15/4257 (ADD) for insulation arrangements connected to the loading door, A47L 15/4246 (ADD) for insulation arrangements connected to the tub.
This place covers:
Arrangements for detecting and preventing water leakages:

The preceding image includes references to A47L 15/4206 and A47L 15/421.
Controlling methods therefor:


Attention is drawn to the following places, which may be of interest for search:
Water supply, e.g. plumbing to cold or warm water lines, valves, aquastops | |
Water recirculation | |
Water discharge, e.g. devices to prevent siphoning, non-return valves | |
Safety arrangements for preventing water damage in laundry washing machines |
If the controlling method to prevent water damage comprises the detection of the malfunction of a dishwasher component, the classification at inventive level or the Indexing Code (depending whether invention information or additional information are to classify) corresponding to this component should be assigned.
In case of controlling methods for preventing water damage, in addition to the classification at inventive level the pertinent orthogonal Indexing Codes for the controlling methods (A47L 2301/00, A47L 2401/00, A47L 2501/00) may also be assigned.
This place covers:
Liquid leak detection and collection arrangements placed between the appliance and the supporting surface immediately under the appliance (e.g. drip or catch pans).

This place covers:
Water supply or recirculation or discharge arrangements or devices.
Attention is drawn to the following places, which may be of interest for search:
Liquid supply or discharge arrangements in laundry washing machines |
When subclass(es) are assigned, the main class i.e. A47L 15/4214 should NOT routinely be assigned unless a particular extra feature relating to an aspect that is not covered by the subclass(es) is mentioned.
Additional or interesting aspects related to water supply should be assigned the appropriate Indexing Code e.g. A47L 15/4217.
This place covers:



This place does not cover:
Safety arrangements for preventing water damage |
Attention is drawn to the following places, which may be of interest for search:
Liquid supply or discharge arrangements in laundry washing machines | |
Valves; Taps; Cocks; Actuating-floats; Device for venting or aerating | |
Safety valves | |
Pipes; Joints or fittings for pipes; Supports for pipes; Cable s or protective tubing | |
Measuring volume, volume flow, mass flow or liquid level, metering by volume |
This place covers:
This subgroup covers details of the water recirculation piping.


For example, venturi devices arranged in the washing water recirculation hydraulic circuit:

This place does not cover:
Safety arrangements for preventing water damage | |
Pump arrangements |
Attention is drawn to the following places, which may be of interest for search:
Liquid discharge or recirculation arrangements in laundry washing machines | |
Measuring volume, volume flow, mass flow or liquid level, metering by volume |
This place covers:
Deviating valves and control method thereof, which redirect the washing/rinsing fluid, e.g., between the upper and subgroupser spray arms or between the tub and a water storage tank.


This place does not cover:
Arrangements to modify spray patter or direction of spray |
Attention is drawn to the following places, which may be of interest for search:
Arrangement for selectively supplying water to detergent compartments of laundry washing machines | |
Valves per se |
If the arrangement comprises a controlling method, i.e. an application relates to an arrangement for changing the water flow and the control method thereof, in addition to the classification at inventive level the pertinent orthogonal Indexing Codes for the controlling methods (A47L 2301/00, A47L 2401/00, A47L 2501/00) may also be assigned.
This place covers:
Water discharge arrangements and devices therefor. This subgroup covers details of the drainage system for draining the wash water from the washing tank to the outside of the dishwasher (e.g. siphon break, valves, venturi devices arranged in the waste water drain).


This place does not cover:
Filters | |
Safety arrangements for preventing water damage | |
Pumps arrangements |
Attention is drawn to the following places, which may be of interest for search:
Liquid supply or discharge arrangements in laundry washing machines | |
Liquid discharge or recirculation arrangements in laundry washing machines | |
Arrangements for avoiding detergent wastage in the discharge conduit of laundry washing machines | |
Valves; Taps; Cocks; Actuating-floats; Device for venting or aerating | |
Safety valves | |
Pipes; Joints or fittings for pipes; Supports for pipes; Cable s or protective tubing | |
Measuring volume, volume flow, mass flow or liquid level, metering by volume |
This place covers:
Arrangements of recirculation and/or discharge pumps and control methods therefor. It also covers pump electric motors arrangements.


Attention is drawn to the following places, which may be of interest for search:
Laundry washing machines: arrangement or adaptations of pumps | |
Pumps in general | |
Dynamo-electric machines | |
Control or regulation of electrical motors |
If the arrangement comprises a controlling method, i.e. a document relates to a pump and a control method thereof, in addition to the classification at inventive level the pertinent orthogonal Indexing Codes for the controlling methods (A47L 2301/00, A47L 2401/00, A47L 2501/00) may also be assigned.
If the arrangement concerns the mounting of the pump to the tub (e.g. sealing, fitment within sump) it should be considered the addition of the classification at inventive level A47L 15/4246 - Details of the tub (or of the corresponding Indexing Code A47L 15/4246).
This place covers:
Arrangements to chop or mince food particles and control methods therefor.


Attention is drawn to the following places, which may be of interest for search:
Disintegrating by knives or other cutting or tearing members which chop material into fragments | |
Specially adapted for disintegrating garbage, waste or sewage | |
For waste water or for garbage |
This place covers:
Water softeners and control methods therefor.

Attention is drawn to the following places, which may be of interest for search:
Softening using ion-exchange | |
Treatment of water with complexing chemicals or other solubilising agents for softening, scale prevention or scale removal | |
Water softeners for laundry washing machines |
If the arrangement comprises a controlling method, i.e. the document relates to a water softener arrangement and a control method thereof, in addition to the classification at inventive level the pertinent orthogonal Indexing Codes for the controlling methods (A47L 2301/00, A47L 2401/00, A47L 2501/00) may also be assigned.
This place covers:

This place covers:
Steam generating arrangements and control methods thereof.


Attention is drawn to the following places, which may be of interest for search:
Steam generating arrangements for laundry washing machines | |
Laundry conditioning arrangements in domestic laundry driers | |
Steam generation in boilers |
If the arrangement comprises a controlling method, i.e. the document relates to a steam generating arrangement and a control method thereof, in addition to the classification at inventive level the pertinent orthogonal Indexing Codes for the controlling methods (A47L 2301/00, A47L 2401/00, A47L 2501/00) may also be assigned.
This place covers:
Arrangements to sterilize or disinfect dishes or washing liquids which do not fit in any of the sub-classes (e.g. microwaves arrangements for disinfecting).

If the application also relates to a particular treatment of the crockery, the Indexing Code A47L 2601/00 corresponding to this particular treatment on the crockery must also be assigned.
If the arrangement comprises a controlling method, i.e. the document relates to a sterilizing or disinfecting arrangement and a control method thereof, in addition to the classification at inventive level the pertinent orthogonal Indexing Codes for the controlling methods (A47L 2301/00, A47L 2401/00, A47L 2501/00) may also be assigned.
This place covers:
Arrangements of electrolytic cells and control methods thereof.

Attention is drawn to the following places, which may be of interest for search:
Treatment of water by electrochemical methods | |
Laundry washing machines, apparatus or methods using electrochemical cells |
If the application also relates to the treatment of the crockery by electrolysed water, the Indexing Code A47L 2601/06 corresponding to this particular treatment on the crockery must also be assigned. If the arrangement comprises a controlling method in addition to the classification at inventive level the pertinent orthogonal Indexing Codes for the controlling methods (A47L 2301/00, A47L 2401/00, A47L 2501/00) may also be assigned.
This place covers:
Sterilizing arrangements using ozone and control methods thereof.

Attention is drawn to the following places, which may be of interest for search:
Preparation of ozone in general | |
Laundry washing machines, apparatus or methods using ozone |
If the application also relates to the ozone treatment of the crockery, the Indexing Code A47L 2601/08 corresponding to this particular treatment on the crockery must also be assigned.
If the arrangement comprises a controlling method in addition to the classification at inventive level the pertinent orthogonal Indexing Codes for the controlling methods (A47L 2301/00, A47L 2401/00, A47L 2501/00) may also be assigned.
This place covers:
Sterilising arrangements using ultraviolet generators and control methods thereof.

If the application also relates to the ultraviolet treatment of the crockery, the Indexing Code A47L 2601/10 corresponding to this particular treatment on the crockery must also be assigned.
If the arrangement comprises a controlling method in addition to the classification at inventive level the pertinent orthogonal Indexing Codes for the controlling methods (A47L 2301/00, A47L 2401/00, A47L 2501/00) may also be assigned.
This place covers:
Water-level measuring or regulating arrangements and control methods thereof.



Attention is drawn to the following places, which may be of interest for search:
Water level measuring or regulating devices for laundry washing machines | |
Measuring volume, volume flow, mass flow or liquid level; Metering by volume | |
Electric switches; Relays; Selectors; Emergency protective devices |
If the water-level measuring or regulating arrangement comprises a controlling method, i.e. the purpose of the control is the water level, in addition to the classification at inventive level the pertinent orthogonal Indexing Codes for the controlling methods (A47L 2301/00, A47L 2401/00, A47L 2501/00) may also be assigned.
If the water level is the unique purpose of the controlling method, there is not need to also assign any classification at inventive level of the controlling methods (A47L 15/0018 and subgroups).
Example:
An application relates to a water-level regulating arrangement. It is disclosed the monitoring of a recirculation pump's parameter to measure the level of the water inside the tub and to close the water inlet valve once the desired water-level is reached.
This application should be classified as follow:
Water-level regulating arrangements ( purpose of the controlling) => A47L 15/4244
automatic detection inputted into the controlling means: recirculation pump's parameter => A47L 2401/08
component controlled by the controlling means: water inlet valve => A47L 2501/01
This place covers:


This place covers:
Arrangements for creating multiple treating chambers within a single housing cabinet.


This place covers:
Details of the external casing (housing cabinet) of the dishwashers


Attention is drawn to the following places, which may be of interest for search:
Casing of laundry washing machines | |
Casing of domestic stove | |
Casing of water heaters |
This place covers:

Attention is drawn to the following places, which may be of interest for search:
Feet for furniture in general | |
Adjustable feet for furniture using screw means | |
Supporting arrangements for the casing of laundry washing machines | |
Engineering details of attaching supporting legs on foundation or base | |
Refrigerators: general constructional features | |
Legs for dishwashers casing (Japanese FI class) | A47L15/42&C |
Legs or bases for the casing of laundry washing machines (Japanese F-term) | 3B155/DA13 |
This place covers:
Details of the dishwasher's loading door, including door handles.



This place does not cover:
Vertical sliding doors | |
Door specially adapted for drawer-type dishwashers |
Attention is drawn to the following places, which may be of interest for search:
Laundry washing machine doors | |
Doors specially adapted for stoves or ranges | |
Refrigerator doors |
If the detail of the door is linked to another main aspect of the invention (guidance to the invention information is usually provided by the claims with due regard given to the description and the drawings) a multiple classification of the application may be appropriated.

For example, if the invention relate to the arrangement in the door of control panels or electrical component (e.g. cables) the corresponding classification at inventive level for these additional invention information should also be given.

This place covers:


Attention is drawn to the following places, which may be of interest for search:
Door locks of laundry washing machines | |
Fastening devices for door in general | |
Latches for doors specially adapted for stoves or ranges | |
Electric switches; Relays; Selectors; Emergency protective devices |
This place covers:

This place does not cover:
Open/closing mechanism of hood-type dishwashers | |
Connections of the door to the casing specially adapted for drawer-type dishwashers |
Attention is drawn to the following places, which may be of interest for search:
Arrangements of door covering/decoration panels or plinths | |
Hinges in general | |
Mounting of doors specially adapted for stoves or ranges |
This place covers:

If the sealing arrangement is specially adapted for a certain type of dishwasher the Indexing Code corresponding to the particular type of the machine should be assigned.
Example:
Sealing arrangement for a drawer-type dishwasher: classification at inventive level A47L 15/4263, Indexing Code A47L 15/0084.
This place covers:



This subgroup also covers decorative elements to align the control panel to the door's decorative panel, e.g. strip-like elements which are incorporated between the control panel and the decorative panel.

Attention is drawn to the following places, which may be of interest for search:
Kitchen cabinets, provision for incorporating apparatus operated by power | |
Refrigerator doors, covers |
This place covers:
Arrangements for transporting or moving the dishwashers, which also comprise reinforcements for discharging external clamping forces acting on the dishwasher housing.


Attention is drawn to the following places, which may be of interest for search:
Arrangements for transporting laundry washing machines; protective arrangements to use during transport |
This place covers:
Arrangements for setting the dishwasher housing, e.g. for prevention of tilting of the dishwasher's housing.


Arrangements for installation of built-in dishwashers, i.e. arrangements for fixing dishwashers in installation recess of furniture.
For example, mounting plates or mounting angle brackets to fix dishwashers after insertion into installation niches of items of kitchen furniture.

Attention is drawn to the following places, which may be of interest for search:
Arrangements for setting laundry washing machines |
This place covers:



This place covers:



If the arrangement comprises a controlling method, i.e. the purpose of the control is, for example, the removal of the bad smells, in addition to the classification at inventive level the pertinent orthogonal Indexing Codes for the controlling methods (A47L 2301/00, A47L 2401/00, A47L 2501/00) may also be assigned.
This place covers:
Nozzles per se and details of nozzles apertures arranged on spraying devices.



Attention is drawn to the following places, which may be of interest for search:
Dishwashers specially adapted for drinking glasses | |
Spray pressure measuring or regulating arrangements | |
Nozzles, spray heads or other outlets, with or without auxiliary devices such as valves or heating means |
This place covers:
Rotary nozzles per se and details of rotary nozzles arranged on spraying devices.


This place covers:
Arrangements to modify spray patterns and/or spray directions of spray nozzles and/or spraying devices.
The steering mechanisms may be part of the spray nozzles:

or may be arranged inside the spraying devices:


This place does not cover:
Arrangements to selectively supply different spray devices |
Attention is drawn to the following places, which may be of interest for search:
Spray pressure measuring or regulating arrangements |
This place covers:



Attention is drawn to the following places, which may be of interest for search:
Heat pump arrangements | |
Laundry washing machines heating arrangements | |
Boilers | |
Water heaters | |
Electric heating |
If the arrangement comprises a controlling method, i.e. the document relates to a water-heater arrangement and a control method thereof, in addition to the classification at inventive level the pertinent orthogonal Indexing Codes for the controlling methods (A47L 2301/00, A47L 2401/00, A47L 2501/00) may also be assigned.
This place covers:
Water and/or air temperature measuring or regulating arrangements.



Attention is drawn to the following places, which may be of interest for search:
Regulation of operational steps within the washing processes | |
Detection or prevention of malfunction, including accident prevention | |
Temperature measuring or regulating devices for laundry washing machines | |
Measuring temperature, measuring quantity of heat | |
Control of temperature |
If the arrangement comprises a controlling method, i.e. the purpose of the control is the temperature of the water or of the air, in addition to the classification at inventive level the pertinent orthogonal Indexing Codes for the controlling methods (A47L 2301/00, A47L 2401/00, A47L 2501/00) must also be assigned.
This place covers:



Attention is drawn to the following places, which may be of interest for search:
Nozzles - Arrangements to change or modify spray pattern or direction |
If the arrangement comprises a controlling method, i.e. the purpose of the control is the water pressure, in addition to the classification at inventive level the pertinent orthogonal Indexing Codes for the controlling methods (A47L 2301/00, A47L 2401/00, A47L 2501/00) must also be assigned.
This place covers:
Dishwashers with heat recovery arrangements, i.e. dishwashers comprising heat exchangers and/or heat pump arrangements in process water circuits for the purpose of storing and/or recovering thermal energy.
For example, in this subgroup are classified dishwashers comprising heat transfer arrangements for transferring thermal energy from the circulating (or waste) water to the feed water:

An other example of dishwashers classified in this subgroup are dishwashers with water recovery arrangements, i.e. dishwashers comprising liquid storage container(s) for storing liquid (used in a previous wash/rinse phase of the wash cycle) in order to be reused subsequently:

The water storage tanks may or may not be arranged in heat-exchange relation with the washing tub and/or the hydraulic circuit.
This place does not cover:
Control of energy or water consumption | |
Heat pump arrangements during the drying phases |
Attention is drawn to the following places, which may be of interest for search:
Arrangements for the recovery of water in laundry washing machines | |
Arrangements for the recovery of energy in laundry washing machines | |
Heat pump arrangements of domestic laundry driers | |
Domestic hot-water supply system | |
Heat-exchange apparatus Heat pump system |
If the arrangement comprises a controlling method, i.e. the document relates, for example, to a water recovery arrangement and a control method thereof, in addition to the classification at inventive level the pertinent orthogonal Indexing Codes for the controlling methods (A47L 2301/00, A47L 2401/00, A47L 2501/00) may also be assigned.
Water storage tanks may also be arranged in heat-exchange with the washing tub in order to act as condensing surface during the drying phase of an operating cycle. In this cases, the condensing aspect during the drying phase need to be classified by adding the corresponding symbol A47L 15/483 or A47L 15/483, depending if this aspect represents an invention or an additional information.
This place covers:
Arrangements for programme selection, e.g. jog dials, buttons, and any kind of visual or acoustical indicator means, which provide information on the operation, function or status of the machine and of any of its components.


Attention is drawn to the following places, which may be of interest for search:
Control panels of laundry washing machine | |
Control panels of domestic stoves | |
Removable panels of domestic stoves | |
Mounting of control devices | |
Electro-, magneto- or acousto-optic display devices | |
Controlling members, e.g. knobs or handles; Assemblies or arrangements thereof; Indicating position of controlling members | |
Pattern recognition |
This place covers:



Attention is drawn to the following places, which may be of interest for search:
Arrangements for measuring or detecting the condition of the laundry, e.g. nature or weight | |
Measuring | |
Pattern recognition |
This place covers:
Arrangements for detecting or measuring the condition of the water in terms of cloudiness or dirtiness, e.g. turbidity, foaming or level of bacteria, and further the condition of the water in terms of quantity, e.g. the amount of water left in the wash tub in case of incomplete drain. The subgroup also covers arrangements for measuring the washing water hardness.

This place does not cover:
Arrangements for measuring or controlling concentration of consumable products in water | |
Arrangements (i.e. devices) for measuring or controlling the water level |
Attention is drawn to the following places, which may be of interest for search:
Arrangements for detecting or measuring the condition of the washing water in laundry washing machines | |
Investigating or analysing materials by the use of optical means, i.e. using infrared, visible, or ultraviolet light. | |
Optical systems measuring the opacity of a fluid |
Attention is drawn to the following places, which may be of interest for search:
Devices for dosing additives to water | |
Detergent compositions | |
Devices for adding soap or other washing agents in laundry washing machines | |
Stoves or ranges having self-cleaning provisions using a cleaning liquid | |
Indicating or measuring liquid level, or level of fluent solid material, e.g. indicating in terms of volume, indicating by means of an alarm |
This place covers:


Attention is drawn to the following places, which may be of interest for search:
Devices for adding washing agents in laundry washing machines, the powder or tables being added directly, without the need of a flushing liquid |
This place covers:
Arrangements for dispensing cleaning agents, rinsing agents and the like in a liquid state.

Attention is drawn to the following places, which may be of interest for search:
Devices for adding washing agents in a liquid state in laundry washing machines |
This place covers:

This place covers:


Attention is drawn to the following places, which may be of interest for search:
Devices for dosing additives to water, in which the water progressively dissolves a solid compound |
This place covers:
Detachable detergent dispensing devices and/or detachable detergent "cartridges". The detachable aspect rather than the way the dispensing is activated is important.


This place does not cover:
Aspects related to blister packaging or refill cartridge per se |
Attention is drawn to the following places, which may be of interest for search:
Insoluble free body dispenser | |
Free body dispenser for washing machines |
This place covers:

Attention is drawn to the following places, which may be of interest for search:
Methods or arrangements for sensing record carrier | |
Record carriers for use with machines and with at least a part designed to carry digital mark |
This place covers:


Attention is drawn to the following places, which may be of interest for search:
Multiple dosing systems for laundry washing machines |
This place covers:

This place covers:
Control units characterized by a dedicated control of the devices for dispensing cleaning agents, rinsing aid or deodorants.

This place does not cover:
Methods for metering consumable products |
This place covers:
Controlling devices per se, e.g. electrical, mechanical, electro-mechanical controlling devices.



This place does not cover:
Controlling methods |
Attention is drawn to the following places, which may be of interest for search:
Electronic devices for laundry washing machines | |
Arrangement or mounting of control or safety devices | |
Measuring electric variables, measuring magnetic variables | |
Control or regulating systems in general; functional elements of such systems; monitoring or testing arrangements for such systems or elements | |
Pattern recognition | |
Transmission systems for measured values, control or similar signals | |
Electric switches; Relays; Selectors; Emergency protective devices | |
Emergency protective circuit arrangements in general | |
Circuit arrangements or systems for supplying or distributing electric power; Systems for storing electric energy | |
Transmission of digital information | |
Printed circuits; Casings or constructional details of electric apparatus; manufacture of assemblages of electrical components |
This place covers:
Drying arrangements which do not fit in any of the sub-classes.
Attention is drawn to the following places, which may be of interest for search:
Domestic laundry drying cabinets or chambers having heating or ventilation means | |
General details of domestic laundry driers | |
Machines or apparatus for drying solid material or objects |
When subclass(es) are assigned, the main class i.e. A47L 15/48 should NOT routinely be assigned unless a particular extra feature relating to drying that is not covered by the subclass(es) is mentioned.
Additional or interesting aspects related to drying should be assigned the appropriate Indexing Code, e.g. A47L 15/483 by using condensers.
This place covers:


Additional or interesting aspects related to drying should be assigned the appropriate indexing, class e.g. A47L 15/483 by using condensers.
This place covers:
Condensing devices used to remove water during the drying process and heat pump arrangements.


Attention is drawn to the following places, which may be of interest for search:
Arrangements for the recovery of thermal energy | |
Heat pump arrangements of domestic laundry driers | |
Condensing arrangements of domestic laundry driers |
Documents merely mentioning a condenser should not be classified here. This class is limited to special arrangements of such devices which are described in detail, provide an advantage over the prior art or solve a particular problem.
However, if the arrangement of the condenser could be interesting for common general knowledge or for future inventive step argumentation then the Indexing Code A47L 15/483 should be assigned.
This place covers:
Arrangements using heat sources other than (conventional) electric resistors, e.g. microwaves and/or infrared lamps

These types of heating may also used for sterilising or disinfecting, see A47L 15/4236.
Attention is drawn to the following places, which may be of interest for search:
Microwave heating equipment of domestic laundry driers |
Additional or interesting aspects related to drying should be assigned the appropriate indexing class e.g. A47L 15/483 by using condenser.
This place covers:


Documents merely mentioning a blower/fan should not be classified here. This class is limited to special arrangements of such devices which are described in detail, provide an advantage over the prior art or solve a particular problem.
However, if the arrangement of the blower could be interesting for common general knowledge or for future inventive step argumentation then the Indexing Code A47L 15/483 should be assigned.
Additional or interesting aspects related to drying should be assigned the appropriate Indexing Code e.g. by using condenser
If the position of the blower or fan is of particular importance this may also require an additional classification at inventive level, e.g. A47L 15/4257 for a fan located in the door.
This place covers:
Taking or expelling air from outside the machine (open air circuit).

Attention is drawn to the following places, which may be of interest for search:
Air inlet or exhaust system (Japanese FI class) | A47L15/42&E |
Air intake and venting (Japanese F-term) | 3B082/BE00 |
Additional or interesting aspects related to drying should be assigned the appropriate Indexing Code e.g. A47L 15/483 by using condenser.
Attention is drawn to the following places, which may be of interest for search:
Crockery baskets; Draining-racks |
If appropriate multiple classification, as provided for in the subgroups, should be given, e.g. folding cutlery basket, A47L 15/503 and A47L 15/502 should be given.
This place covers:


Examples of machine per se which use such baskets:
machines specially adapted for drinking glasses A47L 15/0065;
hood type A47L 15/0081;
drawer-type dishwashers A47L 15/0084;
conveyor -type dishwashers A47L 15/24.
Attention is drawn to the following places, which may be of interest for search:
Sliding drawers; Slides or guides therefor | |
Miscellaneous kitchen containers including racks |
Additional or interesting aspects related to racks should be assigned the appropriate Indexing Code e.g. A47L 15/501 .
This place covers:
Cutlery baskets and/or drawers



If appropriate multiple classification as provided in the subgroups, should be given e.g. for folding cutlery basket, A47L 15/503 should also be given.
Additional or interesting aspects related to racks should be assigned the appropriate Indexing Code e.g. A47L 15/502 .
This place covers:


Additional or interesting aspects related to racks should be assigned the appropriate Indexing Code e.g. A47L 15/502 .
If appropriate multiple classification should be given, e.g.:
Folding cutlery basket, A47L 15/502 should also be given;
Folding insert, e.g. for holding a cup, A47L 15/505 should also be given.
This place covers:
For example, two height positions for rack.

Additional or interesting aspects related to racks should be assigned the appropriate Indexing Code e.g. A47L 15/502 .
If appropriate multiple classification should be given e.g. if invention information also concerns a cutlery basket A47L 15/502 should also be assigned.
This place covers:


Additional or interesting aspects related to racks should be assigned the appropriate Indexing Code e.g. A47L 15/502 .
If appropriate multiple classifications should be given, e.g. in case of folding insert for holding a cup, A47L 15/503 should also be given.
This place covers:


Additional or interesting aspects related to racks should be assigned the appropriate Indexing Code e.g. A47L 15/502 .
If appropriate multiple classification should be given e.g. if invention information also concerns a cutlery basket A47L 15/502 should also be assigned.
This place covers:

Additional or interesting aspects related to racks should be assigned the appropriate Indexing Code e.g. A47L 15/502 .
If appropriate multiple classification should be given e.g. if invention information also concerns a cutlery basket A47L 15/502 should also be assigned.
This place covers:
Hydraulic connections of the spraying arms, when these latter are also connected to the dishwasher racks.


Additional or interesting aspects related to racks should be assigned the appropriate Indexing Code e.g. A47L 15/502.
Depending from the spray arms type connected the corresponding Indexing Codes should be assigned (A47L 15/18 and its subgroups).
If appropriate multiple classification should be given e.g. if invention information also concerns a cutlery basket A47L 15/502 should also be assigned.
This place covers:
Apparatus or implements used in manual washing or cleaning of crockery, table-ware, cooking-ware or the like.
Manual operation of the user is required for performing the cleaning action.
The items to be cleaned can be crockery or table-ware (which can also usually be cleaned by dishwashing machines), but also bigger items such as oven plates.
Brushes specially adapted for washing or cleaning bottles are classified in A46B. If the implement is not simply a brush, then it should be classified in A47L 17/04, although it can contain a brush or bristles.
A47L 15/00 relates to what is generally known as dishwashers or dishwashing machines. A47L 17/00 relates to apparatus and implements, which are generally smaller and simpler devices than the machines of A47L. These apparatus and implements are generally not provided with electrically fed elements (such as a motor), although this must not always be the case; i.e. some apparatus and implements of A47L 17/00 can have a small motor.
A47L 13/16 contains generally pads for domestic cleaning. If the pad is specially adapted for crockery, table-ware or cooking-ware, then it should be classified in A47L 17/08.
This place does not cover:
Brushes for cleaning bottles |
Attention is drawn to the following places, which may be of interest for search:
Automatic washing or cleaning of crockery, table-ware, cooking-ware or the like. | |
Tables; desks; office furniture; cabinets; drawers; general details of furniture | |
Wash basins | |
Domestic plumbing installations for fresh water or waste water; sinks | |
Sinks |
This place covers:
Drying devices for crockery or table-ware. Their degree of complexity ranges from a draining board or rack where the items are placed and dried by letting the water drip to more complex ones involving an air circulation.
This place does not cover:
Drying arrangements for dishwashers | |
Racks of dishwashers |
Attention is drawn to the following places, which may be of interest for search:
Cabinets/racks for storing dishware | |
Kitchen equipment | |
Trays for sterilisation | |
Drying in general |
This place covers:
Implements, machines and supports or rests used for polishing of table-ware.
Polishing involves a treatment of the surface of the table-ware items that is not present in the washing or cleaning operations of A47L 17/00.
Attention is drawn to the following places, which may be of interest for search:
In this place, the following terms or expressions are used with the meaning indicated:
Polishing | Polishing involves a treatment of the surface e.g. of table-ware items to achieve a glossy surface. |
This place covers:
All aspects of cleaning footwear in the domestic ambit, including the upper as well as the sole.
Shoe cleaning machines and hand implements for shoe cleaning.
Shoe-shine stands and devices for holding footwear during cleaning or shining.
Devices and implements for drying footwear.
Storing shoe-cleaning equipment
Devices or implements resting on the floor e.g. doormats, gratings.
Attention is drawn to the following places, which may be of interest for search:
Footwear per-se and machines, tools, equipment or methods for manufacturing or repairing footwear | |
Carpets; Stair runners; Bedside rugs; Foot mats | |
Car mats | |
Embroidering; tufting |
This place covers:
Other cleaning devices used in domestic cleaning, whose subject-matter is not covered by the previous groups.
Including, in particular, cleaning devices using adhesive or tacky surfaces (lint removers) and devices for cleaning cloths, buttons, clasps, military insignia, door-knobs and for cleaning lamp chimneys.
Attention is drawn to the following places, which may be of interest for search:
Adhesives in the form of films or foils | |
Devices for cleaning spectacles | |
Reconditioning of record carriers; Cleaning of record carriers; carrying off electrostatic charges |
Reference G02C 13/00 is non-limiting in the group A47L 25/00. CPC will be updated/corrected once this inconsistency is resolved in IPC.
This place covers:
This entry - A47L 2201/00 - is an orthogonal code identifying aspects or details of robotic or autonomous suction cleaners (A47L 5/00; A47L 7/00; A47L 9/00) or cleaning machines (A47L 11/00) for cleaning floors, carpets, furniture, walls, or wall coverings, which are particular of robotic cleaners. This entry - A47L 2201/00 - comprises inventive as well as additional information, covering in particular:
Docking stations: Static station where the autonomous cleaner is serviced for further cleaning - i.e. recharging of batteries, emptying dust container, exchange of cleaning brushes,...
Automatic control of the travelling movement: Navigation system, automatic obstacle detection,...
Control of the cleaning action for autonomous devices: Automatic detection of the surface type and application of the corresponding cleaning action (sweeping, scrubbing, vacuuming,...).
Attention is drawn to the following places, which may be of interest for search:
Control of position, course or altitude of land, water, air, or space vehicles, e.g. automatic pilot. |
Attention is drawn to the following places, which may be of interest for search:
Automatic detection of water level in controlling methods of washing or rinsing machines for crockery or tableware | |
Automatic detection of water pressure or flow rate in controlling methods of washing or rinsing machines for crockery or tableware |
Attention is drawn to the following places, which may be of interest for search:
Steam generators in controlling methods of washing or rinsing machines for crockery or tableware |




















