CPC Definition - Subclass H03B
This place covers:
Generation of oscillations in a non-switching manner, i.e. by harmonic oscillators providing sinusoidal signals.
Generation without frequency changing
by means of amplification and feedback; negative resistance
by means of transit-time tubes; electron-beam tubes
by shock-exciting; Hall effect; radiation source and detectors
Generation with frequency changing
by multiplication or division of a signal
by combining unmodulated signals
Particularities of generated oscillations
Swept-over frequency range; multifrequency; multiphase; noise
This subclass covers circuits and methods dedicated to achieve sinusoidal oscillations by analogue means. This is to be distinguished from circuits and methods intended to generate edge shaped periodic signals (pulses, digital clocks) that are to be classified elsewhere (see references below).
This subclass covers generic oscillators that are generally applicable to any application. Oscillators adapted for a specific application or apparatus (e.g. for a specific measurement device or radar system) and which are not generally applicable should generally be classified in the groups for that application.
This place does not cover:
Attention is drawn to the following places, which may be of interest for search:
Measuring, testing | |
Digital function generators | |
Generating clock signals | |
Speech synthesis | |
Dynamo-electric machines | |
Power inverter circuits | |
Amplifiers | |
Resonant circuits, resonators | |
Tuning of resonators | |
Oscillators using pulse techniques | |
Automatic control, starting, synchronisation, or stabilisation of generators of electronic oscillations |
In this place, the following terms or expressions are used with the meaning indicated:
Elements that operate in non-switching manner | Gain element not driven to saturation; No full swing operation as in digital circuit |
In patent documents, the following abbreviations are often used:
VCO | Voltage Controlled Oscillator |
Q factor | Quality factor of resonator |
Quadrature oscillators | Oscillators generating two signals with same frequency shifted by 90° |
Varactor | Varicap diode, varactor diode, variable capacitance diode, variable reactance diode: tuning diode with variable capacitance |
This place covers:
Details regarding the means for making the frequency variable
Structural details of power oscillators
Reduction of undesired oscillations
This main group is orthogonal to the other groups within H03B, i.e. multiple classification in H03B 1/00 and in H03B 5/00 - H03B 29/00 is made when appropriate.
This place does not cover:
Features of generators for heating by electromagnetic fields |
Attention is drawn to the following places, which may be of interest for search:
Structural details of waveguide cavity resonators | |
Structural details of electromechanical resonators | |
Details of transmitters |
Attention is drawn to the following places, which may be of interest for search:
Features of generators for heating by electromagnetic fields |
This place covers:
Oscillators with feedback comprising in particular
- LC tanks
- RC or RL tuned circuits
- distributed reactances (e.g. striplines, cavity resonators, magneto-sensitive resonators)
- electromechanical resonators (e.g. piezoelectric resonators, magneto-strictive resonators)
Compensation of variations in parameters affecting the output frequency or amplitude of feedback oscillators (such as power supply, load or temperature) as far as a modification of the generator itself is concerned
Starting of feedback oscillators as long as a modification of the generator itself is concerned
This place does not cover:
Generation of oscillations using transit-time effects | |
Generation of oscillations using galvano-magnetic devices |
Attention is drawn to the following places, which may be of interest for search:
Waveguide cavity resonators | |
Constructional details of electromechanical resonators and their holders and supports | |
Ring oscillators | |
External temperature control | |
Starting of generators if no features within the oscillator are concerned | |
Automatic control of amplitude of generators | |
Automatic control of frequency of generators |
In this place, the following terms or expressions are used with the meaning indicated:
Connection via bridge circuit to closed ring | The oscillation loop is a closed ring including a bridge circuit, e.g. |
In patent documents, the following abbreviations are often used:
AT cut | Particular angle of crystal cut |
BAW resonator | Bulk acoustic wave resonator |
SAW resonator | Surface acoustic wave resonator |
Butler type oscillator | Colpitts (or Clapp) type oscillator with a series resonant crystal inserted in series between the emitter and the rest of the tank circuit. |
Clapp type oscillator |
|
Colpitts type oscillator |
|
Hartley |
|
Pierce type oscillator |
|
Wien bridge oscillator |
|
This place covers:

US20100102892, J. Arai
Rb(t): Temperature sensing resistor within the oscillator, considered as a "modification of the generator" falling within the scope of H03B 5/04.

US2009261917, M. Taghivand Et al.: temperature compensating varactor receives control signal from outside the oscillator. NOT to be classified in H03B 5/04, but instead in H03L 1/023, because it is not a "modification of the generator" itself.
Attention is drawn to the following places, which may be of interest for search:
Stabilisation of generator output against variations of temperature |
This place covers:
Oscillators using amplifier with regenerative feedback with frequency-determining element comprising lumped inductance and capacitance and active element in amplifier being vacuum tube.
This place does not cover:
Frequency-determining element connected via bridge circuit to closed ring around which signal is transmitted |
This place covers:
Oscillators using amplifier with regenerative feedback with frequency-determining element comprising lumped inductance and capacitance and active element in amplifier being semiconductor device. The majority of transistor based LC oscillators are classified here or in the subgroups.
This place does not cover:
Frequency-determining elements connected via bridge circuit to closed ring around which signal is transmitted | |
Oscillators with a lumped LC resonant circuit and the active element being a semiconductor device, but where the active element provides a negative resistance instead of using regenerative feedback. |
Documents falling under H03B 5/12 should generally receive multiple classifications from the subgroups and all relevant group symbols should be applied. Generally, it is required to apply at least one of the subgroups H03B 5/1203 or H03B 5/1206 to define the amplifier configuration, at least one of the subgroups H03B 5/1228 and H03B 5/1231 to define the transistor types and possibly also one of the subgroups H03B 5/1234 or H03B 5/1237 to define any variable parameters.
This place covers:
Oscillators using an amplifier with regenerative feedback and a frequency-determining element comprising lumped inductance and capacitance, the active element in the amplifier being a single transistor.
This place does not cover:
Any oscillators with more than one transistor for amplification |
The single-transistor-amplifier should be the amplifier that provides the gain in the oscillation loop. Other amplifiers, e.g. connected after the oscillator and outside the loop are not considered when deciding if a single transistor is used. Auxiliary transistors that are provided for a purpose other than amplification, e.g. as a current source or a switch, are also not counted. Hence any oscillator with a single amplification transistor should be classified here. In general further subgroup symbols under H03B 5/12 will also be added in combination with this one.
Example:

WO0211277, Y.M. Yeong
Single transistor 22 used for amplification in the oscillation loop.

US2008309415, T. Aramata
The circuit contains 5 transistors, but two (Tr4 and Tr5) are used for switching and one (Tr1) is a buffer at the output, these are therefore outside of the oscillation loop and not used for providing gain. The remaining two are providing gain, but in separate oscillation loops. This therefore effectively shows two oscillators, each with a single amplification transistor and is classified in H03B 5/1203.
This place covers:
Oscillators using an amplifier with regenerative feedback and a frequency-determining element comprising lumped inductance and capacitance, the active element in the oscillation amplifier using more than one transistor to provide the gain.
Particular configurations of the multiple amplification transistors:
- Oscillators with differential amplifiers and no cross coupling
- Cross coupled oscillators
- Oscillators with differential amplifiers and cross coupling
- Balanced oscillators
- Oscillators with multistage amplifiers
- Oscillators with multiple amplifiers connected in parallel
This group and its subgroups are intended to contain oscillators where multiple transistors are used to provide the gain for a single oscillation loop. For example, differential amplifiers, multistage amplifiers, multiple amplifiers connected in parallel and to a common resonator are all to be found here or in subgroups. Other amplifiers, e.g. connected after the oscillator and outside the loop are not considered for determination whether multiple transistors are present. Auxiliary transistors that are provided for a purpose other than amplification, e.g. as a current source or a switch, are also not counted, so an oscillator comprising a single amplification transistor and a further transistor for switching off the oscillator, would NOT be classified here, but instead as a single transistor in H03B 5/1203.
This place covers:
Oscillators using an amplifier with regenerative feedback and a frequency-determining element comprising lumped inductance and capacitance, the active element in the oscillation amplifier for oscillation using more than one transistor and having two current paths conducting a differential current, i.e. being a differential amplifier. A current source or degeneration circuit in common to both paths provides current which is then split between the two current paths.
Example:

US2007182503, J.G. Petrofsky
Q10L and Q10R are a differential pair and Q16 is the common current source of the differential amplifier. C12 and L12 make the resonator. There is no cross coupling between the transistors of the differential pair.
This place does not cover:
Oscillators where the amplifier is a cross-coupled transistor pair |
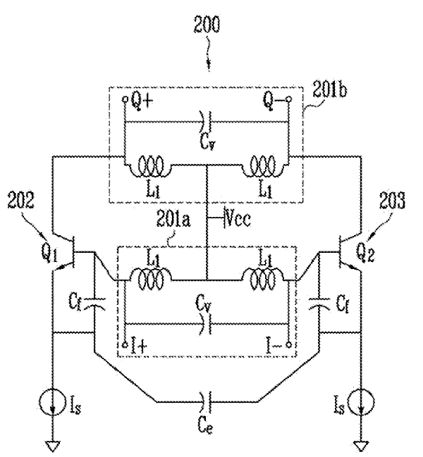
This place covers:
Oscillators using an amplifier with regenerative feedback and a frequency-determining element comprising lumped inductance and capacitance, the active element in the oscillation amplifier for oscillation comprising a pair of cross-coupled transistors.
This group contains any oscillators where the amplifier contains a pair of transistors the output of each one being connected to the input of the other. The normal case is a cross-coupled emitter or source-coupled pair, but other configurations are also possible.
Example:

US2008258827, M. Tsai
LC oscillator comprising a cross-coupled source-coupled pair of transistors.
This place covers:
Oscillators using an amplifier with regenerative feedback and a frequency-determining element comprising lumped inductance and capacitance, the active element in the oscillation amplifier for oscillation comprising a pair of cross-coupled transistors and a current source or degeneration circuit in common to both paths.
Any oscillators where the amplifier contains a pair of transistors the output of each one being connected to the input of the other and further having a common current source (or degeneration circuit). The current source or degeneration circuit in common to both transistors provides current which is then split between the current paths of the two transistors, hence these are LC oscillators using cross coupled differential amplifiers.
Example:
or 
both from US2008258827, M. Tsai
Circuits 14 and 26 act as a current source in common to both transistors of the respective cross-coupled pair and building a differential amplifier.
This place covers:
Oscillators using an amplifier with regenerative feedback and a frequency-determining element comprising lumped inductance and capacitance, the active element in the oscillation amplifier comprising multiple transistors and the generator being of the balanced type.
Here a balanced oscillator is not considered to include the differential type with a cross coupled transistor pair. Instead balanced oscillators are considered to include configurations where at least two amplifiers operate with separate oscillation circuits which are however coupled in such a way as to provide a balanced output. Often a single resonant circuit is coupled between both amplifiers.
Example:

US5012205, W.J. Howell
Transistors 12 and 14 build a balanced type oscillator.

WO2004075394, H. Veenstra
Both two-stage emitter follower circuits provide gain to the single resonant circuit, but are coupled at opposite sides of it to provide a balanced output.

US2008129392, J.Y. Lee
Two colpitts type oscillators coupled in a balanced configuration
This place covers:
Oscillators using an amplifier with regenerative feedback and a frequency-determining element comprising lumped inductance and capacitance, the oscillation amplifier comprising multiple stages in cascade.
Any oscillators where the amplifier contains multiple stages in cascade. This is not considered to include the case where a differential pair is cross coupled (which is instead considered to be a single differential stage) .
Example:

EP1753136, Y. ARAYASHIKI
Two amplifier stages 22a and 22b in a single loop.
This place covers:
Oscillators using an amplifier with regenerative feedback and a frequency-determining element comprising lumped inductance and capacitance, the oscillation amplifier comprising multiple amplifier circuits in parallel.
This subgroup contains any oscillators where the amplifier contains multiple amplifier circuits in parallel, i.e. the inputs of each amplifier are connected together, as are the outputs. It also includes circuits where some or all of the parallel amplifier circuits are or can be switched in or out of the circuit, for example to provide multiple gain levels or for startup. It does not include cases where separate amplifiers are connected to different resonant circuits and therefore not in parallel.
Example:

US2009289732, D. MIYASHITA
An amplifier consisting of transistors M3 and M4 can be switched in parallel with M1, M2 to provide different gain levels.
This place covers:
Oscillators using an amplifier with regenerative feedback and a frequency-determining element comprising lumped inductance and capacitance, the active element in the amplifier comprising at least one FET.
This place does not cover:
Oscillators where a variable capacitance is provided by a FET transistor |
The group includes oscillator circuits where the amplifier of the oscillation loop comprises at least one FET. Where the amplifier includes both FET and bipolar transistors, also the classification H03B 5/1231 should be applied. This group is intended to indicate only the type of transistors used in the amplifier of the oscillation loop, but those transistors can be used to provide the gain or for other auxiliary purposes, e.g. for biasing. Hence an amplifier using one transistor type for amplification and another for biasing should receive both group symbols H03B 5/1228 and H03B 5/1231. This class is not applied to classify transistor types used at other places in the circuit, for example buffer circuits at the output and therefore not inside the oscillation loop. It is also not used to distinguish transistor types used in the oscillation loop but not part of the amplifier - for example the type of transistors providing a voltage dependent capacitance are classified in the groups H03B 5/125 and H03B 5/1253.
This place covers:
Oscillators using an amplifier with regenerative feedback and a frequency-determining element comprising lumped inductance and capacitance, the active element in the amplifier comprising at least one bipolar transistor.
This place does not cover:
Oscillators where a variable capacitance is provided by a bipolar transistor |
The subgroup includes oscillator circuits where the amplifier of the oscillation loop comprises at least one bipolar transistor. Where the amplifier includes both FET and bipolar transistors, also the classification H03B 5/1228 should be applied. This group is intended to indicate only the type of transistors used in the amplifier of the oscillation loop, but those transistors can be used to provide the gain or for other auxiliary purposes, e.g. for biasing. Hence an amplifier using one transistor type for amplification and another for biasing should receive both group symbols H03B 5/1228 and H03B 5/1231. This class is not applied to classify transistor types used at other places in the circuit, for example buffer circuits at the output and therefore not inside the oscillation loop. It is also not used to distinguish transistor types used in the oscillation loop but not part of the amplifier - for example the type of transistors providing a voltage dependent capacitance are classified in the groups H03B 5/125 and H03B 5/1253.
This place covers:
Oscillators using an amplifier with regenerative feedback and a frequency-determining element comprising lumped inductance and capacitance, the active element being a semiconductor device (e.g. a transistor) and further having means providing a variable output amplitude.
This place does not cover:
Varying the amplitude of the oscillator in dependence on the frequency | |
Automatic control of the amplitude (voltage, current or power) of generators. |
This place covers:
Oscillators using an amplifier with regenerative feedback and a frequency-determining element comprising lumped inductance and capacitance, the active element being a semiconductor device (e.g. a transistor) and the frequency being tunable.
Particular aspects of the frequency tuning:
- Tuning by means of voltage dependent capacitors
- Tuning by means of variable inductors
- Tuning by means of switched components
- Tuning by a control current
- Controlling other parameters in dependence on the frequency
- Means for achieving particular tuning characteristics
This place covers:
Oscillators using an amplifier with regenerative feedback and a frequency-determining element comprising lumped inductance and capacitance, the active element being a semiconductor device (e.g. a transistor) and the frequency being tuned by a control current.
All types of current controlled oscillators are classified here, regardless of whether the control current is applied to a current dependent inductor or capacitor or whether it is applied elsewhere (e.g. as a bias to an active element) where a frequency tuning is thereby achieved. Additional group symbols should be applied where appropriate, e.g. typically H03B 5/124, H03B 5/1256 or their subgroups.
This place covers:
Oscillators using an amplifier with regenerative feedback and a frequency-determining element comprising lumped inductance and capacitance, the active element being a semiconductor device (e.g. a transistor), the frequency being tuned and additionally having means for achieving a desired tuning characteristic.
Typically the desired tuning characteristic is a linear control voltage to frequency characteristic, but this subgroup covers any measures to obtain any tuning characteristic. For example, stepwise linear functions or higher and subgroupser tuning sensitivity (which amount to a steeper/less steep tuning curve) are also covered.
This place covers:
Oscillators using an amplifier with regenerative feedback and a frequency-determining element comprising lumped inductance and capacitance, the active element being a semiconductor device (e.g. a transistor), the frequency being tuned and another parameter also being varied (continuously or in steps) in dependence on the oscillation frequency.
Typical examples for documents to be classified here or in the subgroups are:
- where the gain is controlled such that the output amplitude remains constant over the frequency range, which would be classified in the subgroup H03B 5/1278 and depending on the specific implementation perhaps also in H03B 5/1281 or H03B 5/129.
- where the oscillator comprises a filter to select a specific harmonic component of the fundamental resonant frequency and that frequency is tuned in tandem with the tuning of the resonant circuit, which would be classified in H03B 5/1284
This place covers:
Oscillators using an amplifier with regenerative feedback and a frequency-determining element comprising lumped inductance and capacitance, the active element being a semiconductor device (e.g. a transistor) and further having a transformer in the feedback path.
This place covers:
Oscillators using amplifier with regenerative feedback and frequency-determining element comprising distributed inductance and capacitance and being a coaxial resonator and the active element in the amplifier being a vacuum tube.
This place does not cover:
Active elements in the amplifier being a vacuum tube |
This place covers:
Oscillators using amplifier with regenerative feedback and the frequency-determining element being a cavity resonator.
Physical details of cavity resonators that can be regarded as distributed inductances.
Example of an oscillator with cavity resonator:

FR2699346, L. Fourdan
1: cavity
Attention is drawn to the following places, which may be of interest for search:
Cavity resonators |
This place covers:
Oscillators using amplifier with regenerative feedback and the frequency-determining element being a strip-line resonator.
This place does not cover:
Frequency-determining elements being a coaxial resonator | |
Frequency-determining elements being a cavity resonator | |
Frequency-determining elements being a dielectric resonator | |
Frequency-determining element being a magnetic-field sensitive resonator |
Resonators comprising a strip-line and another of the resonator types defined in the other subgroups of H03B 5/18, i.e. coaxial, cavity, dielectric or field sensitive resonators, are classified according to the other resonator, i.e. not in H03B 5/1841.
This place covers:
Oscillators using amplifier with regenerative feedback and the frequency-determining element being a strip-line resonator and the active element in the amplifier being a semiconductor device.
Example:

EP1117177, T. Tanemura
The resonance circuit (8) comprises a microstrip line (10); the active element in the amplifier is a semiconductor device (1).
This place covers:
Oscillators using amplifier with regenerative feedback and the frequency-determining element being a strip-line resonator and the active element in the amplifier being a field-effect device.
Example:

EP1993199, S. El Rair
The resonance circuit comprises microstrip lines (403, 407, 411, 415, ); the semiconductor device in the amplifiers (405, 409, 413) are field effect transistors.
This place covers:
Oscillators using amplifier with regenerative feedback and frequency-determining element comprising resistance and either capacitance or inductance and active element in amplifier being vacuum tube.
This place does not cover:
Frequency-determining elements being part of bridge circuit in closed ring around which signal is transmitted; frequency-determining elements being connected via a bridge circuit to such a closed ring |
This place covers:
Oscillators using amplifier with regenerative feedback and frequency-determining element comprising resistance and either capacitance or inductance and active element in amplifier being semiconductor device.
Example:

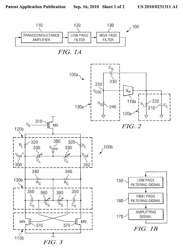
US2010231311, S.W. Park
Example of an RC oscillator
This place does not cover:
Frequency-determining elements being part of bridge circuit in closed ring around which signal is transmitted; frequency-determining element being connected via a bridge circuit to such a closed ring |
This place covers:
Oscillators using amplifier with regenerative feedback and frequency-determining element comprising resistance and either capacitance or inductance and frequency-determining element being part of bridge circuit in closed ring around which signal is transmitted; frequency-determining element being connected via a bridge circuit to such a closed ring. Most commonly these are Wien Bridge type oscillators.
Example:

EP1520339, K. Panzer
RC oscillator in Wien-bridge configuration
This place covers:
Oscillators using amplifier with regenerative feedback with frequency-determining element being a piezoelectric resonator
Attention is drawn to the following places, which may be of interest for search:
Selection of piezoelectric material |
This place covers:
Oscillators using amplifier with regenerative feedback with frequency-determining element being a piezoelectric resonator having more than two terminals.
This place does not cover:
Resonators being an acoustic wave device |
This place covers:
Oscillators using amplifier with regenerative feedback with frequency-determining element being a piezoelectric resonator and active element in amplifier being vacuum tube.
This place does not cover:
Frequency-determining elements being connected via bridge circuit to closed ring around which signal is transmitted |
This place covers:
Oscillators using amplifier with regenerative feedback with frequency-determining element being a piezoelectric resonator and active element in amplifier being semiconductor device.
This place does not cover:
Resonators having more than two terminals | |
Resonators being an acoustic wave device | |
Frequency-determining elements being connected via bridge circuit to closed ring around which signal is transmitted |
This place covers:
Oscillators using amplifier with regenerative feedback with frequency-determining element being a piezoelectric resonator and active element in amplifier being a single transistor.
Example:
US2008174377, T. Makuta et al.,
Oscillator including an electromechanical resonator (2) and a single transistor amplifier (Tr).
This place does not cover:
Amplifiers comprising field effect transistors | |
Means for varying the frequency by a variable voltage or current | |
Voltage variable capacitance diodes for varying the frequency |
This place covers:
Oscillators using amplifier with regenerative feedback with frequency-determining element being a piezoelectric resonator and active element in amplifier comprising field effect transistors.
Example:
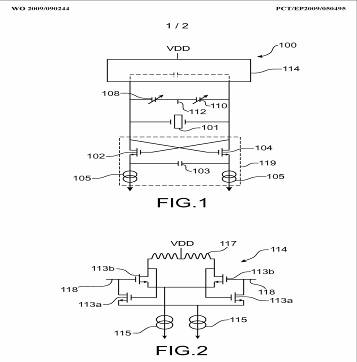
EP2341611, S. Ramet
Oscillator including an electromechanical resonator (10) and an amplifier comprising a field effect transistor (MN).
This place does not cover:
Means for varying the frequency by a variable voltage or current |
This place covers:
Oscillators using amplifier with regenerative feedback with frequency-determining element being a piezoelectric resonator and active element in amplifier being semiconductor device and comprising voltage variable capacitance diodes for varying the frequency.
Example:

EP2243215; J.-B. David et al
Oscillator including an electromechanical resonator (101) and voltage variable diodes (108, 110) to vary the frequency.
This place covers:
Oscillators using amplifier with regenerative feedback with frequency-determining element being a magnetostrictive resonator.
This place does not cover:
Frequency-determining elements connected via bridge circuit to closed ring around which signal is transmitted |
Attention is drawn to the following places, which may be of interest for search:
Magnetic materials in general | |
Magnetostrictive elements in general |
This place covers:
Oscillators comprising a device with negative differential resistance as active element
- Lumped LC tanks as frequency determining element
- Distributed L and C as frequency determining element
This place does not cover:
In this place, the following terms or expressions are used with the meaning indicated:
Negative resistance, negative conductance | A property of an electrical component or circuit characterised in that the relationship between voltage and current in the component exhibits a negative differential resistance at some point in the operating characteristic of the component. NOT: gain element like amplifier or transistor |
In patent documents, the following abbreviations are often used:
Gunn diode | Diode, typically built as monopolar homojunction exhibiting negative differential resistance |
RTD | Resonant tunnelling diode, typically built by a heterojunction multilayer structure with negative differential resistance |
YIG | Yttrium iron garnet, resonating at microwave frequencies when immersed in a DC magnetic field |
This place covers:
Oscillators using active element having a negative resistance between two of its electrodes with frequency-determining element comprising lumped inductance and capacitance and active element being semiconductor device.
Oscillators with negative differential resistance elements such as Gunn diodes in so far as their transit time effect is not relevant.
This place covers:
Oscillators using active element having a negative resistance between two of its electrodes with frequency-determining element comprising lumped inductance and capacitance and active element being a tunnel diode.
Example:


Xiong et al., Sensors and actuators A, 150 (2009), p. 169
Oscillator using a resonant tunnel diode (RTD) as an element with negative differential resistance
This place covers:
Oscillators using active element having a negative resistance between two of its electrodes with frequency-determining element comprising distributed inductance and capacitance and active element being a semiconductor device.
Example:

US5223802, J.F. Harvey
Oscillator with frequency determining element comprising transmission as distributed inductance and a resonant tunnel diode (22) as an active semiconductor device with negative differential resistance.
This place covers:
Oscillators comprising a device with transit-time effects as frequency determining element:
- discharge tubes
- solid state devices, e.g. Gunn-effect devices
Attention is drawn to the following places, which may be of interest for search:
Gunn diodes, in so far as only their negative differential resistance is relevant, not their transit time effect, are classified in H03B 7/06.
In this place, the following terms or expressions are used with the meaning indicated:
Transit-time effect | oscillation period equal to transit time |
In patent documents, the following abbreviations are often used:
Impatt diode | IMPact ionization Avalanche Transit-Time |
Schottky diode | Diode formed by a metal-semiconductor junction |
Gunn diode | Diode, typically built as monopolar homojunction exhibiting negative differential resistance |
This place covers:
Examples:

US2010085126, Y.-W. Lee et al.
Oscillator with metal-insulator device (700)

US2002011604, M. Yagura et al.
Gunn-diode (601) based oscillator
This place covers:
Generation of oscillations using transit-time effects in solid state devices and elements comprising distributed inductance and capacitance, the frequency being determined by a cavity resonator
This place does not cover:
Voltage sensitive elements | |
Magnetic field sensitive elements | |
More than one solid state device | |
Frequency being determined by a stripline resonator | |
Frequency being determined by a dielectric resonator |
This place does not cover:
Voltage sensitive elements | |
Magnetic field sensitive elements | |
More than one solid state device | |
Frequency being determined by a dielectric resonator |
This place does not cover:
Voltage sensitive elements | |
Magnetic field sensitive elements | |
More than one solid state device |
This place covers:
Spark excited oscillation circuits
Interrupter excited oscillation circuits
This place does not cover:
Oscillators using a shock-excited tuned circuit with feedback |
In this place, the following terms or expressions are used with the meaning indicated:
Shock-excited tuned circuit | Circuits where an electrical impulse is applied (repeatedly) to a resonant circuit which then oscillates freely at its resonant frequency. Not systems where oscillation is sustained by feedback. |
This place covers:

EP1873903
Microwave generator including a spark gap (36) between central (12) and external (14) electrode.
This place does not cover:
Spark gaps specially adapted for generating oscillations |
This place covers:
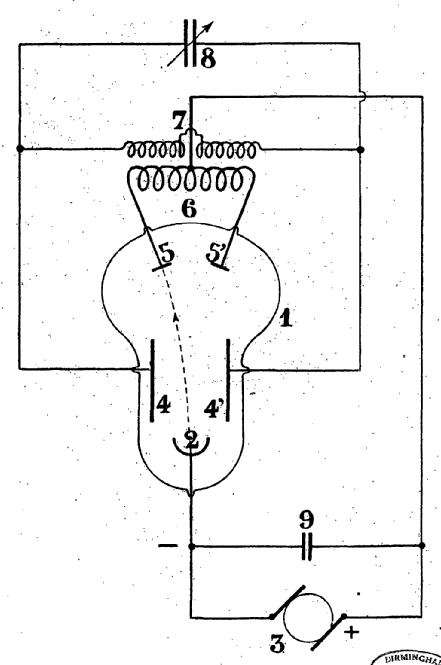
Oscillators based on cathode ray tubes with a feedback path.
Example:

GB 126019, J. Bethenod. Electric field applied between two plates 4 to steer the electron beam and oscillate it between the two anodes 5 and 5'.
This place covers:
Oscillators based on galvano-magnetic devices
- Hall effect devices
- Superconductivity effects
- Spin transfer effects or giant magnetoresistance (GMR)
Attention is drawn to the following places, which may be of interest for search:
Measuring magnetic variables | |
Recording by magnetisation | |
Magnetic memory devices | |
Thin magnetic films without application as an oscillator | |
Spin-exchange-coupled multilayers | |
Galvano-magnetic devices per se |
In this place, the following terms or expressions are used with the meaning indicated:
Spin torque | Torque of electron spin interacting with permanent magnetic field |
Spin-transfer torque oscillator | Partially magnetized multilayer structure generating current oscillations when a DC voltage is applied |
Spin valve | Partially magnetized multilayer structure leading to precession of electron spin of a traversing current |
Josephson Junction | Two superconductors linked by a non-conducting barrier |
In patent documents, the following abbreviations are often used:
GMR | Giant magneto-resistance |
TMR | Tunnel magneto-resistance |
SMT | Spin momentum transfer |
SV | Spin valve |
This place covers:
Oscillators including a radiation source and detector, for example opto-electronic oscillators based on detection of optical signals. The radiation could be in the form of light, but also other radiation types, (e.g. terahertz radiation).
Example:

WO2007143627
Opto-electronic oscillator generating electronic oscillations by detecting an optical signal
In this place, the following terms or expressions are used with the meaning indicated:
Obturator | This term is not used in any of the documents in this group and is apparently not significant. |
This place covers:
Generation of periodic sinusoidal waveforms based on an oscillating input signals and subsequent division or multiplication
- using non-linear inductance
- using non-linear capacitance, e.g. varactor diodes
- using discharge or semiconductor devices with more than two electrodes
- using uncontrolled rectifying devices such as diodes
Examples:

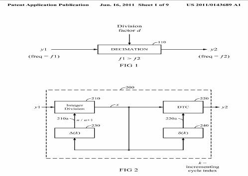
US2011143689
Generation of a periodic signal (y2) based on a higher frequency signal (y1) followed by configurable division (210) and a configurable delay (220).
Attention is drawn to the following places, which may be of interest for search:
Generating clock signals | |
Transference of modulation from one carrier to another | |
Frequency dividers comprising counting chains |
This place covers:
Combination of periodic unmodulated signals of different frequencies to form an oscillating signal
- by adding or subtracting unmodulated signals of different frequencies
- by selecting unmodulated signals of different frequencies
- by beating unmodulated signals of different frequencies
Example for H03B 21/00:

US6081696
Generation of a multi-channel oscillation by adding independent signals of various frequencies.
This place does not cover:
Generation of oscillations by non-regenerative frequency multiplication or division of a signal from a separate source |
Attention is drawn to the following places, which may be of interest for search:
Beating | Mixing |
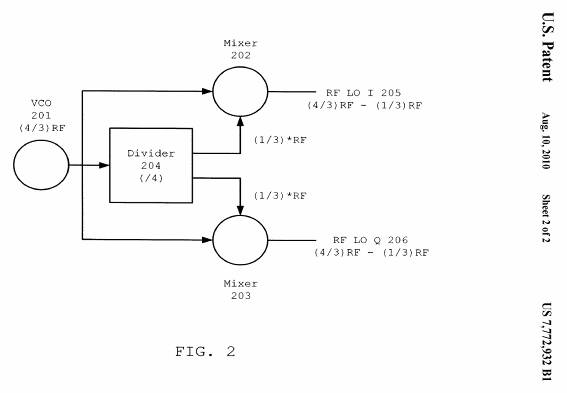
This place covers:
Example:

US7772932
Generation of an oscillation by mixing unmodulated signals of different frequencies ((4/3) RF and (1/3) RF)
This place covers:
Periodic sweeping of oscillation frequency
Examples:
EP2127066
Sweep of oscillation frequency of a radar generator (free running dielectric resonator oscillator, FRDRO) controlled by a complex programmable logic device (CPLD) and a direct digital synthesiser (DDS).
Attention is drawn to the following places, which may be of interest for search:
Noise generation | |
Angle-modulating circuits in general |
In this place, the following terms or expressions are used with the meaning indicated:
EMI | Electromagnetic interference |
Spread spectrum generation | Deliberate spreading of a spectrum in the frequency domain |
Bandwidth | Measure of the width of a range of frequencies occupied by an oscillating signal |
In patent documents, the following abbreviations are often used:
Frequency wobbling | Frequency sweeping |
This place covers:
Circuits and methods generating at least two oscillating signals differing in frequency.
Examples:

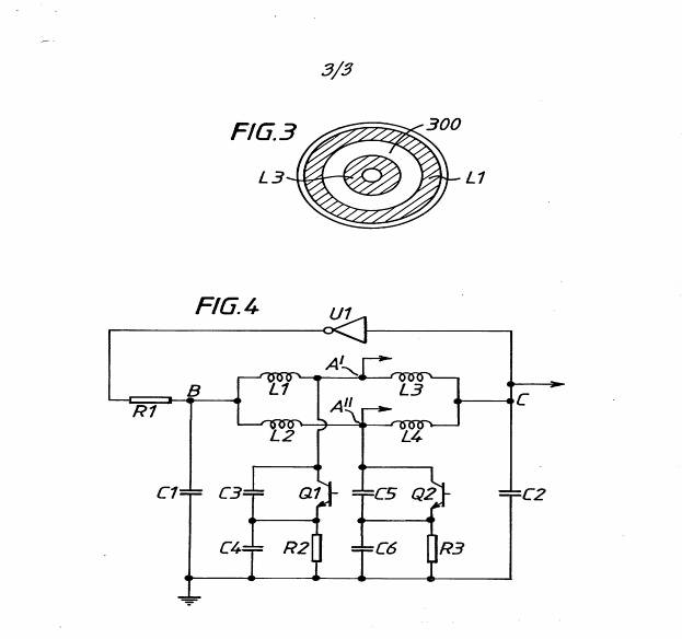
GB2340681
Generation of three signals differing in frequency at individual outputs (A', A'', C)

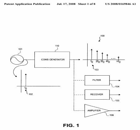
US2008169846
Comb generator providing base frequency and harmonics
Attention is drawn to the following places, which may be of interest for search:
Generation of oscillations providing a plurality of outputs of the same frequency but differing in phase |
In this place, the following terms or expressions are used with the meaning indicated:
Free-running oscillator | Oscillator with no tuning of frequency for a given set of tuning parameters. |
This place covers:
Oscillators generating polyphase signals, such as quadrature oscillators.
Examples:

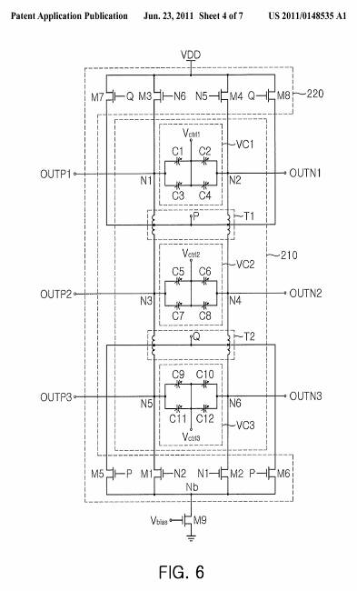
US2011148535
Oscillator generating 6 signals of same frequency and 60° phase difference.

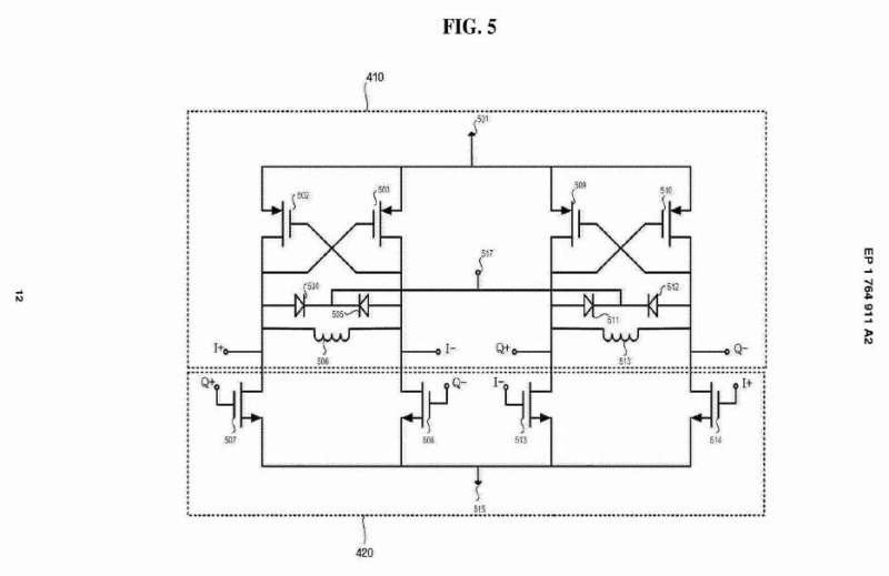
EP1764911
Quadrature oscillator
In this place, the following terms or expressions are used with the meaning indicated:
Quadrature oscillators | Oscillators generating two signals with same frequency shifted by 90° |
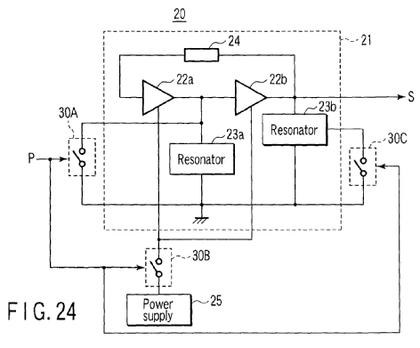
This place covers:
Any types of oscillators which fall within the group definition for H03B, but which do not fall within any of the main groups. Includes combining or filtering non-sinusoidal waves to generate a sinusoid.
Examples:

EP2206231
Summing of square waves to provide an approximation of a sinusoidal waveform
This place does not cover:
Generation of oscillations using amplifier with regenerative feedback from output to input | |
Generation of oscillations using active element having a negative resistance between two of its electrodes | |
Generation of oscillations using transit-time effects | |
Generation of oscillations using a shock-excited tuned circuit | |
Generation of oscillations using deflection of electron beam in a cathode-ray tube | |
Generation of oscillations using galvano-magnetic devices, e.g. Hall-effect devices, or using super-conductivity effects | |
Generation of oscillations using radiation source and detector | |
Generation of oscillations by non-regenerative frequency multiplication or division of a signal from a separate source | |
Generation of oscillations by combining unmodulated signals of different frequencies | |
Generation of oscillations periodically swept over a predetermined frequency range | |
Simultaneous generation by a free-running oscillator of oscillations having different frequencies | |
Generation of oscillations providing a plurality of outputs of the same frequency but differing in phase, other than merely two anti-phase outputs | |
Analogue function generators for performing computing operations |
This place covers:
Circuits used to generate random or noise signals e.g. Additive White Gaussian Noise (AWGN) or other noise distributions.
This place does not cover:
Noise cancellation systems or generation of so-called noise signals for such systems, where the generated signal is a representation of the measured noise, not a random signal. | |
Gasfilled discharge tubes with solid cathode specially adapted as noise generators |
This place covers:
Types of oscillators
Structural aspects of oscillators
Circuit elements of oscillators
Functional aspects of oscillators
This place does not cover:
Oscillators with frequency-determining element comprising lumped inductance and capacitance using amplifier with regenerative feedback the active element of which comprising a semiconductor device and a voltage variable capacitance diode to vary the frequency | |
Oscillators with frequency-determining element being an piezoelectric resonator using amplifier with regenerative feedback the active element of which comprising a semiconductor device and a voltage variable capacitance diode to vary the frequency |
This place does not cover:
Oscillators using amplifier with regenerative feedback including modifications to ensure starting of oscillations |










