CPC Definition - Subclass D06F
This place covers:
- Domestic or laundry dry-cleaning apparatuses using volatile solvents;
- Domestic, laundry or tailors' ironing or other hot-pressing of clothes, linen or other textile articles;
- Controlling or regulating domestic laundry dryers (cf. D06F 58/30).
The Indexing Codes D06F 2101/00 - D06F 2101/20 cover user input for the control of domestic laundry washing machines, washer-dryers or laundry dryers.
The Indexing Codes D06F 2103/00 - D06F 2103/70 cover parameters monitored or detected for the control of domestic laundry washing machines, washer-dryers or laundry dryers.
The Indexing Codes D06F 2105/00 - D06F 2105/62 cover systems or parameters controlled or affected by the control systems of washing machines, washer-dryers or laundry dryers.
This subclass does not cover treatment of textiles by purely chemical means, which is covered by subclasses D06L and D06M.
Apparatuses for wringing, washing, dry cleaning, ironing or other hot-pressing of textiles in manufacturing operations are covered by D06B and D06C.
A document should be classified in D06F if:
- It mainly relates to the treatment of home textiles, the treatment of other kinds of textiles should generally be classified somewhere else.
- It generally (but not always) relates to a domestic appliance for treating a textile article (the machine may however be coin-operated).
Exceptions to the rule at point (II) above are:
D06F 31/00, D06F 43/00, D06F 47/00, D06F 58/12, D06F 67/04, D06F 71/00, D06F 89/00 , D06F 93/00, D06F 95/00 as well as their subgroups.
Applications regarding washing machine components like e.g. pumps, electric motors, electronic devices, displays per se, i.e. applications which claim the technical features of those components without describing any particular interaction between said components and the household appliance do not usually belong to D06F, but to the general classification entry of their function per se.
The above-mentioned devices are mainly seen as "black boxes" connected to the appliance so as to interact with the appliance's operation.
For example, if an application relates to a jog dial, a display or a selector switch, there must be an interaction between said devices and the appliance itself in order to classify said application in D06F 34/28 (the display or the switch should e.g. be mounted to the front panel and/or should e.g. be used for selecting a washing program).
A set of claims including a claim like " a household appliance comprising the device (e.g. a pump) according to claim 1" does only mean that a device according to claim 1 may be used in a household appliance (e.g. in a washing machine) and that the application may be classified in D06F only if there's a clear interaction between the component and the appliance's operation.
It is not to be automatically assumed that such applications belong to D06F, nor that a household appliance should automatically be a washing machine or a dryer (a household appliance could e.g. be a stove, an oven, a refrigerator etc.).
Examples of places where the subject matter of this place is covered when specially adapted, used for a particular purpose, or incorporated in a larger system:
Apparatus for blocking, pressing, steaming or stretching hats |
Attention is drawn to the following places, which may be of interest for search:
In this place, the following terms or expressions are used with the meaning indicated:
Drum | Washing receptacle, rotating drum, washing drum or washing tub; the washing receptacle or drum is where the clothes are placed. Drums are generally perforated and are usually the rotating part of the washing machine, however, in D06F 13/00 and subgroups, D06F 15/00 and subgroups, D06F 17/00 and subgroups, D06F 18/00 and subgroups and D06F 19/00 and subgroups,the drum is always stationary. |
Tub | Enclosing receptacle, external drum, external tub or fixed tub; the tub is the fixed part of the washing assembly, it contains the washing drum as well as the washing fluid; the tub is generally stationary and water-tight. |
Washing assembly | Oscillating assembly, oscillating part or suspended part; it is generally composed by both the drum and the tub. |
Lifter | Rib, elements mounted to a rotating drum and acting mainly on the clothes |
Agitator: | Rotary and/or oscillating device mounted inside a stationary washing drum and acting mainly on the clothes |
Impeller | Rotary devices mounted inside a stationary washing drum and acting mainly on the washing liquid |
This place covers:
Washing receptacles suitable for hand washing (e.g. wash-up bowls).
Illustrative example of subject matter classified in this group.

Attention is drawn to the following places, which may be of interest for search:
Details of washing machines |
This place covers:
Wash-up bowls per se.
Illustrative example of subject matter classified in this group.

This place covers:
Wash-up bowls (generally made of metal) which can be heated by e.g. a gas burner.
Illustrative example of subject matter classified in this group.

This place covers:
Wash-up bowls (generally made of metal) comprising means for concentrating the heat of e.g. a burner and for applying it in such a way (e.g. to a hot water circuit), that steam within the boiler is quickly generated and, together with hot water, it is discharged on the garments to be washed.
Illustrative example of subject matter classified in this group.

This place covers:
Illustrative example of subject matter classified in this group.

This place covers:
Wire frame baskets or perforated metal containers suitable for supporting clothes in washing receptacles.
Illustrative example of subject matter classified in this group.

This place covers:
Corrugated means against which the clothes are rubbed.
Illustrative example of subject matter classified in this group.

This place does not cover:
Wash-tubs with the tub walls or bottom having corrugations |
This place covers:
Corrugated boards against which the clothes are rubbed.
Illustrative example of subject matter classified in this group.

This place covers:
Rubbing devices which are supposed to be used directly by hand.
Illustrative example of subject matter classified in this group.

This place covers:
Hand implements which are specifically designed for uniformly distributing/stirring the washing agent and/or the laundry in the washing tub.
Illustrative example of subject matter classified in this group.

This place does not cover:
Hand rubbing appliances |
Attention is drawn to the following places, which may be of interest for search:
Brushes |
This place covers:
Washing receptacles, wherein the washing action is obtained by shaking or squeezing the receptacle itself.
Illustrative example of subject matter classified in this group.


This place covers:
Washing devices which, during the washing action, are repeatedly pressed against the laundry/removed from the laundry along a generally vertical direction.
Illustrative example of subject matter classified in this group.

This place does not cover:
Grippers |
This place covers:
Illustrative example of subject matter classified in this group.

This place covers:
Laundry grippers specially designed for washing purposes.
Illustrative example of subject matter classified in this group.

This place covers:
Illustrative example of subject matter classified in this group.

This place covers:
Impellers or similar rotating bodies suitable for agitating the washing liquid.
Illustrative example of subject matter classified in this group.

This place covers:
Washing devices, wherein the agitation of the washing fluid is generally obtained by oscillating e.g. a solid flat surface with a steady uninterrupted rhythm.
Illustrative example of subject matter classified in this group.

This place covers:
Washing devices, wherein the washing action is obtained by agitating the washing liquid using e.g. air jets.
Illustrative example of subject matter classified in this group.

This place covers:
Devices for washing home textiles comprising one or more brushing elements, wherein said brushing element comprises bristles hard enough to remove dirt but not so hard that they cause damage to the laundry.
Illustrative examples of subject matter classified in this group.


This place covers:
Illustrative example of subject matter classified in this group.

Attention is drawn to the following places, which may be of interest for search:
Wringing machinges with two or more cooperating rollers. |
This place covers:
Vertical axis washing machines provided with laundry agitators.
Illustrative example of subject matter classified in this group.

This place does not cover:
Plungers or the like adapted for removable mounting on receptacles |
Attention is drawn to the following places, which may be of interest for search:
Washing devices adapted to be used independently of any particular receptacle |
This place covers:
Illustrative example of subject matter classified in this group.

In this place, the following terms or expressions are used with the meaning indicated:
Agitator | Rotary and/or oscillating device mounted inside a stationary washing drum and acting mainly on the clothes |
This place covers:
Illustrative example of subject matter classified in this group.

This place covers:
Illustrative example of subject matter classified in this group.

This place covers:
Vertical axis washing machines, wherein the agitator rotates and/or has an orbital motion.
Illustrative example of subject matter classified in this group.

This place covers:
Illustrative example of subject matter classified in this group.

This place does not cover:
Plungers or the like adapted for removable mounting on receptacles | |
Mangle-type washing machines |
This place covers:
Illustrative example of subject matter classified in this group.

This place covers:
Washing machines, wherein the washing action is only obtained by circulating or agitating the washing fluid.
Illustrative example of subject matter classified in this group.

Attention is drawn to the following places, which may be of interest for search:
Washing devices adapted to be used independently of any particular receptacle | |
Using vibrations for washing purposes |
This place covers:
Illustrative example of subject matter classified in this group.

This place does not cover:
Washing action effected solely by water jets |
Attention is drawn to the following places, which may be of interest for search:
Dishwashers / washing liquid circulation by appl. pressure |
This place covers:
Washing machines technically close to dishwashers.

Attention is drawn to the following places, which may be of interest for search:
Dishwashers having stat. baskets and rigidly mounted spraying devices |
This place covers:
Illustrative example of subject matter classified in this group.

In this patent documents, the word "Impeller" is often used as a "synonym" for "pulsator".
This place covers:
Illustrative example of subject matter classified in this group.

This place covers:
Illustrative example of subject matter classified in this group.

This place covers:
Washing machines technically close to dishwashers (no drum is present).

Attention is drawn to the following places, which may be of interest for search:
Dishwashers wherein the circulation of the washing liquid is obtained by introducing compressed gas (e.g. air) in the washing liquid |
This place covers:
Illustrative example of subject matter classified in this group.

This place does not cover:
Control of washing or of washing and drying | |
Domestic laundry dryers |
This place covers:
Washing machines comprising vibrating devices.

Attention is drawn to the following places, which may be of interest for search:
Devices of the vibrator type adapted to be used independently of any particular receptacle |
This place covers:
General concepts regarding the washing machine as a whole;
Machines which do not necessarily spin-dry and which may comprise lifters and/or impellers.
This place does not cover:
Washing machines with receptacles moving bodily about an axis | |
Programme-control aspects of washing machines |
Attention is drawn to the following places, which may be of interest for search:
Washing machines with receptables moving bodily about an axis |
In patent documents, the following words/expressions are often used as synonyms:
- receptacle and drum
- enclosing receptacle and tub
- lifters and ribs
This place covers:
Illustrative example of subject matter classified in this group.

This place covers:
Illustrative example of subject matter classified in this group.

This place covers:
Illustrative example of subject matter classified in this group.

This place covers:
Washing machines comprising a tub (enclosing receptacle).
Illustrative example of subject matter classified in this group.

This place covers:
Illustrative example of subject matter classified in this group.

This place covers:
Illustrative example of subject matter classified in this group.

This place covers:
Illustrative example of subject matter classified in this group.

This place covers:
General layouts.
This place does not cover:
Washing machines of this type with further drying means | |
Programme-control aspects |
In patent documents, the following words/expressions are often used as synonyms:
- tub and drum
This place covers:
Washing machines with receptacles, e.g. perforated, having a rotary movement, e.g. oscillatory movement around an horizontal axis, the receptacle serving both for washing and centrifugally draining.
Illustrative example of subject matter classified in this group.

This place covers:
Illustrative example of subject matter classified in this group.

This place covers:
Washing machines with receptacles, e.g. perforated, having a rotary movement, e.g. oscillatory movement around a vertical axis, the receptacle serving both for washing and centrifugally draining.
Illustrative example of subject matter classified in this group:

This place covers:
Washing machines with receptacles, e.g. perforated, having a rotary movement, e.g. oscillatory movement around an inclined axis, the receptacle serving both for washing and centrifugally draining.
Illustrative example of subject matter classified in this group.

This place covers:
Illustrative example of subject matter classified in this group.

This place covers:
General and simple aspects of the drying means.
Illustrative example of subject matter classified in this group.

This place does not cover:
Control of washing or of washing and drying | |
Domestic laundry dryers |
In patent documents, the following words/expressions are often used as synonyms:
- "receptacle" and "drum
This place covers:
Washing machines having receptacles which do not necessarily rotate around an axis and, wherein the washing action is mainly obtained by shaking, oscillating, lifting and/or dropping of the receptacle as a whole.
Illustrative example of subject matter classified in this group.

This place covers:
Combinations of washing machines with other separate household appliances, wherein both devices share the same support structure (e.g. frame or casing).
Illustrative example of subject matter classified in this group.

This place covers:
Illustrative example of subject matter classified in this group.

This place covers:
Illustrative example of subject matter classified in this group.

This place does not cover:
Combination with roller wringer |
This place covers:
Industrial devices for hospitals, hotels or professional laundries.
Illustrative example of subject matter classified in this group.

This place covers:
Batch or tunnel washing machines, wherein the drums have either vertical or horizontal axes.
Illustrative example of subject matter classified in this group.

This place covers:
Illustrative example of subject matter classified in this group.

This place covers:
Illustrative example of subject matter classified in this group.

This place covers:
Illustrative example of subject matter classified in this group.

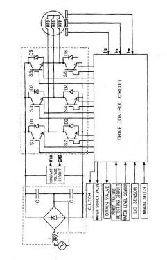
This place covers:
The controlling processes of washing machines that are classified in this group and its subgroups according to their specific purpose, e.g. the optimization / improvement of the washing phase or the prevention of imbalance or noise. The further information relating to the (manual and/or automatic) input and the output of these controlling processes is classified with the mandatory indexing codes and any details of the control means per se, i.e. the "hardware" is classified in the groups relating to the details of the control means (see special rules of classification for this group and its subgroups).
Concept
The following picture schematically illustrates how a controlling process of a washing machine, washer-dryer or laundry dryer is classified based on how it works. An input signal (i.e. a user input as "manual input" or an automatically detected signal as "automatic input", e.g. by a sensors) is fed into a control unit as "control means", which depending on the purpose of the control sends corresponding command signals to the machine components.

A controlling process for a laundry treating apparatus (e.g. a washing machine) has a specific "control purpose" and implies the presence of a "control means" (e.g. a CPU), whereby the control means is usually a control unit which comprises a user interface (e.g. a control panel) and several sensors for the automatic detection of e.g. temperature, pressure, liquid level, etc.
Moreover, the control unit is usually configured to perform actions as "automatic output" (e.g. switching a heater ON/OFF, regulating the drum speed, etc.), depending on the purpose of the control and based on the input of the user and/or the signals provided by the sensors.
Example: washing machine - control method
Control method for a washing machine employing a control unit adapted to detect the level and the temperature of the washing liquid and to switch the tub heater ON/OFF based on the laundry load, as input by the user, such as to reduce the energy consumption.
Classification of the example:
- Purpose: D06F 33/46 (Control of the energy or water consumption)
- Manual input: D06F 2101/04 (Characteristics of laundry or load – Quantity, e.g. weight)
- Automatic input: D06F 2103/16 (Washing liquid temperature); D06F 2103/18 (Washing liquid level)
- Automatic output: D06F 2105/10 (Temperature of washing liquids; Heating means therefor)
- Note: The method of the present example essentially concerns the control of the machine per se and, as such, it should not be classified in the D06F 35/00 area, which relates to methods focused on the treatment of the laundry.
This place does not cover:
Controlling processes of washer-dryers |
Attention is drawn to the following places, which may be of interest for search:
Methods for washing, rinsing or spin-drying | |
Controlling processes for dishwashers |
It is mandatory to classify all relevant aspects related to: purpose, manual input, automatic input, automatic output and details of the control means.
- Purpose (washing machines) D06F 33/30 - D06F 33/48
- Manual Input D06F 2101/00 - D06F 2101/20
- Automatic Input D06F 2103/00 - D06F 2103/70
- Automatic Output D06F 2105/00 - D06F 2105/62
- Details of the Control Means D06F 34/00 - D06F 34/34
Note: The methods in the present area essentially concern the control of the machine per se; as such, they should not be classified in D06F 35/005, D06F 35/006 and D06F 35/007, which relate to methods focused on the treatment of the laundry; however, in exceptional cases where both aspects are important, classification symbols belonging to both areas might be assigned.
It is noted that D06F 35/005 and subgroups relate to methods for treating the laundry whereas D06F 33/00 and subgroups relate to devices and methods for controlling the appliance.
This place covers:
The control of the individual operational steps or phases of a washing machine cycle.
This place covers:
The control of individual operational steps concerning the water-filling phase.
Attention is drawn to the following places, which may be of interest for search:
Liquid discharge or supply arrangements | |
Water supply components, e.g. water supply valves |
This place covers:
The control of individual operational steps concerning the washing phase.
This place covers:
The control of individual operational steps concerning the employment of detergents or additives, e.g. determining the appropriate detergent amount based on the type and amount of laundry.
Attention is drawn to the following places, which may be of interest for search:
Devices for adding soap or other washing agents, components for dispensing detergent |
This place covers:
Control methods or control arrangements concerning the rinsing phase, e.g. having the purpose of reducing the amount of water for rinsing the laundry.
Methods for rinsing the laundry are classified in D06F 35/006.
This place covers:
Control methods or control arrangements concerning the spinning phase.
Methods for spinning the laundry are classified in D06F 35/007.
This place covers:
Control methods or control arrangements concerning the draining phase.
Attention is drawn to the following places, which may be of interest for search:
Liquid supply or discharge arrangements | |
Detecting faulty draining operations, e.g. filter blockage, faulty pump | |
Liquid discharge or recirculation arrangements, draining components |
This place covers:
Control methods or control arrangements having the purpose of cleaning or disinfection of washing machine parts, e.g. of tubs.
Attention is drawn to the following places, which may be of interest for search:
Arrangements for disinfecting the tub or the drum |
Methods for disinfecting the tub or the drum are classified under D06F 35/008.
Control methods for disinfecting the clothes or the washing fluid are classified in other places of D06F, such as D06F 35/00; D06F 35/001; D06F 35/004; D06F 37/00; D06F 39/00.
This place covers:
Control methods or control arrangements concerning the operating time, e.g. reduction of overall operating time.
Attention is drawn to the following places, which may be of interest for search:
Timing arrangements | |
Control of the operating time in laundry dryers | |
Time settings | |
Time, e.g. duration | |
Remaining operation time; Remaining operational cycles |
This place covers:
The control of operational steps concerning the reduction of energy or water consumption.
Attention is drawn to the following places, which may be of interest for search:
Arrangements for the recovery of water in laundry washing machines | |
Arrangements for the recovery of energy in laundry washing machines |
This place covers:
The control of operational steps concerning the prevention and early detection of potentially dangerous or abnormal working conditions that might cause damage to the user and/or to the machine, e.g. clogging of the drain pump, water leaks, electric malfunctions, etc.
This place does not cover:
Safety arrangements |
This place covers:
The control of operational steps to reduce and/or prevent imbalance or noise.
Attention is drawn to the following places, which may be of interest for search:
Control of washer-dryers for preventing or reducing imbalance or noise | |
Arrangements for detecting or measuring imbalance | |
Mountings, e.g. resilient mountings, for the rotary receptacle, motor, tub, or casing; Preventing or damping vibrations | |
Damping vibrations by displacing, supplying or ejecting a material, e.g. liquid, into or from counterbalancing pockets (in machines with a receptacle rotating or oscillating about a horizontal axis) | |
Damping vibrations by displacing, supplying or ejecting a material, e.g. liquid, into or from counterbalancing pockets (in machines with a receptacle rotating or oscillating about a vertical axis) | |
Parameters of unbalance or noise monitored or detected for the control of domestic laundry washing machines, washer-dryers or laundry dryers |
This place covers:
The controlling processes of washer-dryers that are classified in this group and its subgroups according to their specific purpose, e.g. the optimization / improvement of the washing phase or the prevention of imbalance or noise. The same classification rules set out for D06F 33/30 also apply mutatis mutandis to D06F 33/50 - D06F 33/76, as shown in the schematic picture below. It is noted that a symbol belonging to the aforementioned range should only be given in case the control process applies specifically to a washer-dryer, and would therefore not work for a washing machine or a laundry dryer.
The further information relating to the (manual) input and the output of these controlling processes is classified with the mandatory indexing codes and any details of the control means per se, i.e. the "hardware" is classified in the groups relating to the details of the control means (see special rules of classification for this group and its subgroups).
Concept
The following picture schematically illustrates how a controlling process of a washing machine, washer-dryer or laundry dryer is classified based on how it works: an input signal (i.e. a user input as "manual input" or an automatically detected signal as "automatic input", e.g. by a sensors) is fed into a control unit as "control means", which depending on the purpose of the control sends corresponding command signals to the machine components.

The preceding image makes reference to the following symbols: D06F 33/30-D06F 33/48, D06F 33/50-D06F 33/76, D06F 58/34-D06F 58/52, D06F 2101/00, D06F 2103/00, D06F 34/00, D06F 2105/00.
Example: washer-dryer
Washer-dryer provided with a control circuit, a control panel, an air heater and a temperature sensor for measuring the temperature of the drying air, whereby the user interface allows the user to set the maximum temperature of the drying air and the control unit is configured to regulate both the heater (e.g. by switching it ON/OFF) and the blower fan based on the temperature of the drying air.
Moreover, according to the description, the control aims to avoid damaging the laundry by overheating.
Classification of the example:
- Purpose: D06F 33/52 (Control of the operational steps, e.g. optimisation or improvement of operational steps depending on the condition of the laundry)
- Manual input: D06F 2101/18 (Target temperature for the drying process, e.g. low-temperature cycles)
- Automatic input: D06F 2103/32 (Air properties – Temperature)
- Automatic output: D06F 2105/28 (Electric heating); D06F 2105/30 (Blowers)
- Washer-dryers: D06F 25/00
Note: As a general rule, all washer-dryers are classified in D06F 25/00.
Attention is drawn to the following places, which may be of interest for search:
Washing machines with receptacles, e.g. perforated, having a rotary movement, e.g. oscillatory movement, the receptacle serving both for washing and centrifugally draining and having further drying means, e.g. using hot air |
As a general rule, all washer-dryers are classified in D06F 25/00.
It is mandatory to classify all relevant aspects related to: purpose, manual input, automatic input, automatic output and details of the control means.
- Purpose (washer-dryers) D06F 33/50 - D06F 33/76
- Manual Input D06F 2101/00 - D06F 2101/20
- Automatic Input D06F 2103/00 - D06F 2103/70
- Automatic Output D06F 2105/00 - D06F 2105/62
- Details of the Control Means D06F 34/00 - D06F 34/34
Note: The methods in the present area essentially concern the control of the machine per se and as such, they should not be classified in the D06F 35/00 area, which relates to methods focused on the treatment of the laundry. However, in exceptional cases where both aspects are important, classification symbols belonging to both areas might be assigned.
This place covers:
The control of operational steps, which are focused on the condition of the laundry.
Attention is drawn to the following places, which may be of interest for search:
Washing machines with receptacles, e.g. perforated, having a rotary movement, e.g. oscillatory movement, the receptacle serving both for washing and centrifugally draining and having further drying means, e.g. using hot air |
This place covers:
The control of operational steps concerning the water-filling phase.
Attention is drawn to the following places, which may be of interest for search:
Washing machines with receptacles, e.g. perforated, having a rotary movement, e.g. oscillatory movement, the receptacle serving both for washing and centrifugally draining and having further drying means, e.g. using hot air | |
Liquid discharge or supply arrangements | |
Water supply components, e.g. water supply valves |
This place covers:
The control of operational steps concerning the washing phase.
Attention is drawn to the following places, which may be of interest for search:
Washing machines with receptacles, e.g. perforated, having a rotary movement, e.g. oscillatory movement, the receptacle serving both for washing and centrifugally draining and having further drying means, e.g. using hot air |
This place covers:
The control of individual operational steps concerning the employment of detergents or additives, e.g. determining the appropriate detergent amount based on the type and amount of the laundry load.
Attention is drawn to the following places, which may be of interest for search:
Washing machines with receptacles, e.g. perforated, having a rotary movement, e.g. oscillatory movement, the receptacle serving both for washing and centrifugally draining and having further drying means, e.g. using hot air | |
Devices for adding soap or other washing agents, components for dispensing detergent |
This place covers:
Control methods or control arrangements concerning the rinsing phase, e.g. reducing the amount of water for rinsing the laundry load.
Attention is drawn to the following places, which may be of interest for search:
Washing machines with receptacles, e.g. perforated, having a rotary movement, e.g. oscillatory movement, the receptacle serving both for washing and centrifugally draining and having further drying means, e.g. using hot air |
Methods for rinsing the laundry (i.e. wherein the focus is on the treatment of the laundry, not on the control of the machine) are classified in D06F 35/006.
This place covers:
Control methods or control arrangements concerning the laundry-spinning phase.
Attention is drawn to the following places, which may be of interest for search:
Washing machines with receptacles, e.g. perforated, having a rotary movement, e.g. oscillatory movement, the receptacle serving both for washing and centrifugally draining and having further drying means, e.g. using hot air |
This place covers:
Control methods or control arrangements concerning the draining phase.
Attention is drawn to the following places, which may be of interest for search:
Washing machines with receptacles, e.g. perforated, having a rotary movement, e.g. oscillatory movement, the receptacle serving both for washing and centrifugally draining and having further drying means, e.g. using hot air | |
Liquid supply or discharge arrangements | |
Detecting faulty draining operations, e.g. filter blockage, faulty pump | |
Liquid discharge or recirculation arrangements, draining components |
This place covers:
Control methods or control arrangements aiming at steering the airflow and having purposes different from pure drying.
Attention is drawn to the following places, which may be of interest for search:
Washing machines with receptacles, e.g. perforated, having a rotary movement, e.g. oscillatory movement, the receptacle serving both for washing and centrifugally draining and having further drying means, e.g. using hot air | |
Parameters monitored or detected for the control of domestic laundry washing machines, washer-dryers or laundry dryers - related to blowers or fans | |
Parameters monitored or detected for the control of domestic laundry washing machines, washer-dryers or laundry dryers - related to air ducts, e.g. position of flow diverters | |
Systems or parameters controlled or affected by the control systems of washing machines, washer-dryers or laundry dryers - airflow control means |
This place covers:
Control methods or control arrangements aiming to steer the airflow and having purposes different from pure drying, wherein the air is unheated.
Attention is drawn to the following places, which may be of interest for search:
Washing machines with receptacles, e.g. perforated, having a rotary movement, e.g. oscillatory movement, the receptacle serving both for washing and centrifugally draining and having further drying means, e.g. using hot air | |
Parameters monitored or detected for the control of domestic laundry washing machines, washer-dryers or laundry dryers - related to blowers or fans | |
Parameters monitored or detected for the control of domestic laundry washing machines, washer-dryers or laundry dryers - related to air ducts, e.g. position of flow diverters | |
Systems or parameters controlled or affected by the control systems of washing machines, washer-dryers or laundry dryers - air flow control means |
This place covers:
Control methods or control arrangements for washer-dryers having the purpose of conditioning or finishing the laundry, e.g. using a laundry-conditioning agent like water, steam, perfume, starch.
Attention is drawn to the following places, which may be of interest for search:
Washing machines with receptacles, e.g. perforated, having a rotary movement, e.g. oscillatory movement, the receptacle serving both for washing and centrifugally draining and having further drying means, e.g. using hot air | |
Steam generating arrangements | |
Laundry conditioning arrangements | |
Steam generators per se |
This place covers:
Control methods or control arrangements for washer-dryers having the purpose of controlling the sequence of washing and drying operations.
Attention is drawn to the following places, which may be of interest for search:
Washing machines with receptacles, e.g. perforated, having a rotary movement, e.g. oscillatory movement, the receptacle serving both for washing and centrifugally draining and having further drying means, e.g. using hot air | |
Timing arrangements | |
Changing sequence of operational steps; carrying out additional operational steps; Modifying operational steps, e.g. by extending duration of steps |
This place covers:
Control methods or control arrangements for cleaning or disinfecting washer-dryer parts, e.g. the condenser, air duct, etc.
Attention is drawn to the following places, which may be of interest for search:
Washing machines with receptacles, e.g. perforated, having a rotary movement, e.g. oscillatory movement, the receptacle serving both for washing and centrifugally draining and having further drying means, e.g. using hot air | |
Arrangements for disinfecting the tub or the drum | |
Lint collecting arrangements |
Control methods for disinfecting the clothes or the washing fluid are generally classified in D06F 35/00; D06F 35/001; D06F 35/004; D06F 37/00; D06F 39/00 and, if applicable, also in the group concerning the item on which the disinfecting device is mounted (e.g. the detergent drawer, the gasket, the water pump, the tub etc.).
Cleaning of the lint collecting arrangements is classified in D06F 58/45.
Methods for disinfecting the tub or the drum are classified in D06F 35/008.
This place covers:
Control methods or control arrangements concerning to the operating time, e.g. reduction of overall operating time.
Attention is drawn to the following places, which may be of interest for search:
Washing machines with receptacles, e.g. perforated, having a rotary movement, e.g. oscillatory movement, the receptacle serving both for washing and centrifugally draining and having further drying means, e.g. using hot air | |
Timing arrangements | |
Control of the operating time for laundry dryers | |
Time settings | |
Time, e.g. duration | |
Remaining operation time; Remaining operational cycles |
This place covers:
The control of individual operational steps concerning the reduction of energy or water consumption.
Attention is drawn to the following places, which may be of interest for search:
Washing machines with receptacles, e.g. perforated, having a rotary movement, e.g. oscillatory movement, the receptacle serving both for washing and centrifugally draining and having further drying means, e.g. using hot air | |
Arrangements for the recovery of water in laundry washing machines | |
Arrangements for the recovery of energy in laundry washing machines |
This place covers:
The control of individual operational steps concerning the prevention and early detection of potentially dangerous or abnormal working conditions, which might cause damage to the user and/or to the machine, e.g. clogging of the drain pump, water leaks, electric malfunctions, etc.
This place does not cover:
Safety arrangements for washing machines |
Attention is drawn to the following places, which may be of interest for search:
Washing machines with receptacles, e.g. perforated, having a rotary movement, e.g. oscillatory movement, the receptacle serving both for washing and centrifugally draining and having further drying means, e.g. using hot air |
This place covers:
The control of individual operational steps for reducing and/or preventing imbalance or noise.
Attention is drawn to the following places, which may be of interest for search:
Washing machines with receptacles, e.g. perforated, having a rotary movement, e.g. oscillatory movement, the receptacle serving both for washing and centrifugally draining and having further drying means, e.g. using hot air | |
Control of washing machines characterised for preventing or reducing imbalance or noise | |
Arrangements for detecting or measuring imbalance | |
Mountings, e.g. resilient mountings, for the rotary receptacle, motor, tub, or casing; Preventing or damping vibrations | |
Damping vibrations by displacing, supplying or ejecting a material, e.g. liquid, into or from counterbalancing pockets (in machines with a receptacle rotating or oscillating about a horizontal axis) | |
Damping vibrations by displacing, supplying or ejecting a material, e.g. liquid, into or from counterbalancing pockets (in machines with a receptacle rotating or oscillating about a vertical axis) | |
Parameters of unbalance or noise monitored or detected for the control of domestic laundry washing machines, washer-dryers or laundry dryers |
This place covers:
Details of control systems for washing machines, washer-dryers or laundry dryers. See also definition statement and examples shown under D06F 33/30 and D06F 33/50.
Illustrative example of subject matter classified in this group.

This place covers:
Details of control systems for washing machines, washer-dryers or laundry dryers, relating to wired signal transfer or data transmission arrangements.
This place covers:
Details of control systems for washing machines, washer-dryers or laundry dryers, relating to wireless signal transfer or data transmission arrangements, e.g. Wi-Fi®, Bluetooth®, RF, NFC, optic.
Illustrative example of subject matter classified in this group.
This place covers:
Details of control systems for washing machines, washer-dryers or laundry dryers, concerning timing.
Attention is drawn to the following places, which may be of interest for search:
User input for the control of domestic laundry washing machines, washer-dryers or laundry dryers – time settings | |
Parameters monitored or detected for the control of domestic laundry washing machines, washer-dryers or laundry dryers - time, e.g. duration | |
Systems or parameters controlled or affected by the control systems of washing machines, washer-dryers or laundry dryers - starting machine operation, e.g. delayed start or re-start after power cut | |
Systems or parameters controlled or affected by the control systems of washing machines, washer-dryers or laundry dryers - changing sequence of operational steps; carrying out additional operational steps; modifying operational steps, e.g. by extending duration of steps | |
Systems or parameters controlled or affected by the control systems of washing machines, washer-dryers or laundry dryers - remaining operation time; remaining operational cycles |
This place covers:
Illustrative example of subject matter classified in this group.
This place covers:
Illustrative example of subject matter classified in this group.

This place covers:
Details of control systems for washing machines, washer-dryers or laundry dryers relating to the detection of specific parameters.
This place covers:
Details of control systems for washing machines, washer-dryers or laundry dryers relating to the detection of imbalance.
Illustrative example of subject matter classified in this group.
Attention is drawn to the following places, which may be of interest for search:
Control of washing machines characterised for preventing or reducing imbalance or noise | |
Control of washer-dryers for preventing or reducing imbalance or noise | |
Mountings, e.g. resilient mountings, for the rotary receptacle, motor, tub, or casing; Preventing or damping vibrations | |
Damping vibrations by displacing, supplying or ejecting a material, e.g. liquid, into or from counterbalancing pockets (in machines with a receptacle rotating or oscillating about a horizontal axis) | |
Damping vibrations by displacing, supplying or ejecting a material, e.g. liquid, into or from counterbalancing pockets (in machines with a receptacle rotating or oscillating about a vertical axis) | |
Parameters of unbalance or noise monitored or detected for the control of domestic laundry washing machines, washer-dryers or laundry dryers |
This place covers:
Details of control systems for washing machines, washer-dryers or laundry dryers, relating to the detection of the condition of the laundry, comprising both the sensors and their control arrangements.
Illustrative example of subject matter classified in this group.
Attention is drawn to the following places, which may be of interest for search:
Parameters monitored or detected for the control of domestic laundry washing machines, washer-dryers or laundry dryers - characteristics of laundry or load | |
Parameters monitored or detected for the control of domestic laundry washing machines, washer-dryers or laundry dryers - quantity, e.g. weight or variation of weight | |
Parameters monitored or detected for the control of domestic laundry washing machines, washer-dryers or laundry dryers - type or material | |
Parameters monitored or detected for the control of domestic laundry washing machines, washer-dryers or laundry dryers - humidity / temperature |
This place covers:
Details of control systems for washing machines, washer-dryers or laundry dryers, relating to the detection of specific parameters of constructional components of the appliance, e.g. checking the position of the door, lint filter, detergent drawer, etc.
Illustrative example of subject matter classified in this group.

Attention is drawn to the following places, which may be of interest for search:
Security means for doors of drums rotating about a horizontal or inclined axis | |
Security means for doors of drums rotating about a vertical axis | |
Security means for doors of tubs | |
Driving arrangements for automatic drum positioning | |
Safety arrangements, e.g. for stopping rotation of the receptacle upon opening of the casing door | |
Devices for adding soap or other washing agent | |
Filtering arrangements | |
Casings | |
Securing means for doors of casings | |
General details of domestic laundry dryers | |
Lint collecting arrangements | |
Opening or locking status of doors |
Details concerning safety arrangements are classified in D06F 37/42; safety arrangements for preventing water damage in D06F 39/081; preventing and responding to irregular working conditions in D06F 33/47.
This place covers:
Details of control systems for washing machines or washer-dryers, relating to the detection of the condition of the washing liquid, e.g. devices for measuring and/or controlling the detergent concentration, water hardness, etc., comprising both the sensors and their control arrangements.
Illustrative example of subject matter classified in this group.
This place covers:
Details of control systems for washing machines or washer-dryers, relating to the detection of the temperature of the washing liquid, e.g. thermostats, etc., comprising both the sensors and their control arrangements.
Illustrative example of subject matter classified in this group.
Attention is drawn to the following places, which may be of interest for search:
Temperature measuring arrangements for dishwashers |
This place covers:
Details of control systems for washer-dryers or laundry dryers, relating to the detection of the condition of the drying air, e.g. humidity sensors, temperature sensors, pressure sensors, etc., comprising both the sensors and their control arrangements.
Illustrative example of subject matter classified in this group.
This place covers:
Details of control systems for washer-dryers or laundry dryers, relating to arrangements for programme selection and/ or visualization.
Illustrative example of subject matter classified in this group.

Attention is drawn to the following places, which may be of interest for search:
Drying processes in domestic laundry dryers | |
Alarm-clock-controlled mechanisms for coffee or tea making apparatus | |
Arrangements for program selection in dishwashers, e.g. control panels | |
Control devices for stoves, e.g. control panels | |
Arrangement or mounting of control or safety devices for refrigerators | |
Indicating or measuring liquid level, in general | |
Light guides | |
Electric program-control systems in general | |
Electric program-control systems using selector switches | |
Input and output arrangements for electrical digital data processing | |
Digitisers, e.g. for touch screens or touch pads, characterised by the transducing means | |
Arrangements for transmitting signals characterised by the use of a wireless link | |
Circuit arrangements for providing remote monitoring or remote control of equipment in a power distribution network | |
Optical indicating means for TV sets and radios |
This place covers:
Illustrative example of subject matter classified in this group.


This place covers:
Illustrative example of subject matter classified in this group.
This place covers:
Illustrative example of subject matter classified in this group.

This place covers:
Washing machines implementing washing concepts and/or characterised by technical features which cannot be classified elsewhere.
Illustrative example of subject matter classified in this group.

This place covers:
Illustrative example of subject matter classified in this group.

Attention is drawn to the following places, which may be of interest for search:
Dishwashers / Sterilizing arrangements using ozone | |
Preparation of ozone in general |
This place covers:
Washing machines, wherein the washing action is performed by gas bubbles getting in contact with the articles to be washed.
Illustrative example of subject matter classified in this group.

This place covers:
Illustrative example of subject matter classified in this group.

Attention is drawn to the following places, which may be of interest for search:
Dishwashers / Sterilizing arrangements using electrochemical cells. |
This place covers:
Illustrative example of subject matter classified in this group.

This place covers:
Washing methods (per se) explicitly comprising a washing, a rinsing, and a spinning phase.
This place covers:
Washing methods (per se) explicitly related to the washing and rinsing phases only.
Illustrative example of subject matter classified in this group.

This place covers:
Washing methods (per se) related to the spinning phase only.
Illustrative example of subject matter classified in this group.

Pure hardware should not be classified here.
Methods for disinfecting the clothes or the washing fluid should not be classified here.
This place covers:
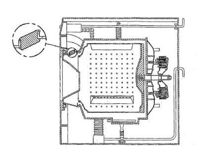
Bearing supports (see figure - reference sign (1)).

Attention is drawn to the following places, which may be of interest for search:
Details of more general application | |
Details concerning drying only |
This place covers:
Details of the drum surface for drums having both horizontal and vertical axes.
Illustrative example of subject matter classified in this group.

This place covers:
Illustrative example of subject matter classified in this group.

This place covers:
Illustrative example of subject matter classified in this place:

Attention is drawn to the following places, which may be of interest for search:
Drums adapted for rotation about a vertical axis, characterised by the shape of the side wall | |
Construction of the inside surface of the drum | |
Projections or partitions |
This place covers:
Ribs/lifters comprising water passages (e.g. holes).
Illustrative example of subject matter classified in this group.

This place covers:
Shoe holders.
Illustrative example of subject matter classified in this group.

This place covers:
Only doors for "top-loaders" (e.g. drum doors).
Illustrative example of subject matter classified in this group.

Attention is drawn to the following places, which may be of interest for search:
Doors hinged to the tub |
This place covers:
Illustrative example of subject matter classified in this group.

This place covers:
Illustrative example of subject matter classified in this group.

This place covers:
Illustrative example of subject matter classified in this group.

This place covers:
Illustrative example of subject matter classified in this group.

This place covers:
Drum doors for drums having a vertical axis.

This place covers:
Illustrative example of subject matter classified in this group.

Attention is drawn to the following places, which may be of interest for search:
Counterweights mounted to the tub or mountings therefor | |
Vibration dampers having rectilinearly moving Friction surfaces; | |
Vibration dampers of the cylinder piston type. |
This place covers:
Illustrative example of subject matter classified in this group.

This place covers:
Dampers mounting and configuration.
Illustrative example of subject matter classified in this group.

This place covers:
Illustrative example of subject matter classified in this group.

Attention is drawn to the following places, which may be of interest for search:
Correcting or balancing weights by using rolling bodies |
This place covers:
Illustrative example of subject matter classified in this group.

This place covers:
Illustrative example of subject matter classified in this group.

This place covers:
Tubs (finished products).
This place does not cover:
Casings |
Attention is drawn to the following places, which may be of interest for search:
Dishwashers / Details of the tub |
This place covers:
Illustrative example of subject matter classified in this group.

This place covers:
Illustrative example of subject matter classified in this group.

This place covers:
Illustrative example of subject matter classified in this group.

This place covers:
Illustrative example of subject matter classified in this group.

This place covers:
Water pockets.
Illustrative example of subject matter classified in this group.

Attention is drawn to the following places, which may be of interest for search:
Polymeric concrete compositions | |
Mortars or concrete compositions |
Bearings and bearing supports are not to be classified here.
This place covers:
Illustrative example of subject matter classified in this group.

This place covers:
Special components mounted to the tub.
Illustrative example of subject matter classified in this group.

This place covers:
Illustrative example of subject matter classified in this group.

This place covers:
Illustrative example of subject matter classified in this group.

This place covers:
Doors hinged to the tub.
Illustrative example of subject matter classified in this group.

This place does not cover:
Doors hinged to the casing.
This place covers:
Gears and motors (pure hardware).
Illustrative example of subject matter classified in this group.

This place does not cover:
Control circuits or arrangements |
This place covers:
Automatic drum positioning devices for top-loaders, wherein the drum doors are aligned with the casing door in order to empty the drum.
Illustrative example of subject matter classified in this group.

Attention is drawn to the following places, which may be of interest for search:
Electric components | |
Motors or generators. |
This place covers:
Illustrative example of subject matter classified in this group.


Attention is drawn to the following places, which may be of interest for search:
Electric motors as such; | |
Combination of a motor and a further component, e.g. a circuit. |
This place covers:
Illustrative example of subject matter classified in this group.

This place covers:
Illustrative example of subject matter classified in this group.

This place covers:
Illustrative example of subject matter classified in this group.

This place covers:
Illustrative example of subject matter classified in this group.

This place covers:
Illustrative example of subject matter classified in this group.

This place covers:
Illustrative example of subject matter classified in this group.

Attention is drawn to the following places, which may be of interest for search:
Washing machines having receptacles,stationary for washing purposes,with agitators therein contacting the articles being washed | |
Washing machines having receptacles,stationary for washing purposes, wherein the washing action is effected solely by circulation or agitation of the washing liquid |
This place covers:
- Safety devices for avoiding leakage;
- Door locks for all kind of washing machines.
Illustrative example of subject matter classified in this group.

Attention is drawn to the following places, which may be of interest for search:
Automatic drum positioning | |
Door locks for dishwashers |
This place covers:
General details of washing machines, i.e. details that can be applied to several types of the machines covered by groups D06F 9/00 - D06F 27/00
Illustrative example of subject matter classified in this group.

This place does not cover:
Control of operations performed in washing machines | |
Details of control systems for washing machines |
Details of washing machines specifically adapted to a single type of the machines covered by groups D06F 9/00 - D06F 27/00 are covered by the group corresponding to the machine type.
This place covers:
Mechanical means for temporaneously fixing the suspended part of the washing machine (e.g. the tub) to its stationary part (e.g. the frame).
Illustrative example of subject matter classified in this group.



This place covers:
Illustrative example of subject matter classified in this group.

Attention is drawn to the following places, which may be of interest for search:
Dishwashers / Water softeners | |
Dishwashers / Details of the salt containe |
This place covers:
Multiple dosing systems.
Illustrative example of subject matter classified in this group.

Attention is drawn to the following places, which may be of interest for search:
Dishwashers / Devices for adding cleaning agents |
This place covers:
Illustrative example of subject matter classified in this group.


Attention is drawn to the following places, which may be of interest for search:
Dishwashers / Devices for adding cleaning agents in the form of liquids. |
This place covers:
- Laundry balls for clothes dryers;
- Test sheets for testing the washing performance;
- Colour catcher sheets.

Attention is drawn to the following places, which may be of interest for search:
Domestic laundry dryers / Laundry conditioning arrangements | |
Dishwashers / Detachable devices | |
Free body dispensers |
This place covers:
Illustrative example of subject matter classified in this group.

Attention is drawn to the following places, which may be of interest for search:
Dishwashers / Devices for adding cleaning agents | |
Dishwashers / Devices for adding cleaning agents by tipping containers; | |
Detergent tablets | |
Detergent tablets |
This place covers:
Illustrative example of subject matter classified in this group.

This place covers:
Illustrative example of subject matter classified in this group.

Attention is drawn to the following places, which may be of interest for search:
Dishwashers / water-heater arrangements |
Steam devices specifically designed for washing machines have to be classified in D06F 39/40 only.
This place covers:
Sensors.
Illustrative example of subject matter classified in this group.

This place covers:
Illustrative example of subject matter classified in this group.

This place does not cover:
Supply of soap or other washing agents |
Attention is drawn to the following places, which may be of interest for search:
Dishwashers / Water supply / recirculation arrangements | |
Sensors |
This place covers:
Water stopping devices (safety devices mounted to the tap).
Illustrative example of subject matter classified in this group.

Attention is drawn to the following places, which may be of interest for search:
Dishwashers / Safety arrangements for preventing water damage | |
Investigating fluid-tightness of structures / by detecting presence of fluid at the leakage point |
This place covers:
Illustrative example of subject matter classified in this group.

This place covers:
Illustrative example of subject matter classified in this group.

Attention is drawn to the following places, which may be of interest for search:
Control of flow / without auxiliary power |
This place covers:
Pumps specially adapted for washing machines.
Illustrative example of subject matter classified in this group.


Attention is drawn to the following places, which may be of interest for search:
Dishwashers / Recirculation or discharge pumps |
This place covers:
Non-return valves (e.g. ball or flap valves).
Illustrative example of subject matter classified in this group.


Attention is drawn to the following places, which may be of interest for search:
Valves in general |
This place covers:
Illustrative example of subject matter classified in this group.

Attention is drawn to the following places, which may be of interest for search:
From separate hot and cold water inlets | |
Dishwashers / Water level measuring devices |
This place covers:
Illustrative example of subject matter classified in this group.

Attention is drawn to the following places, which may be of interest for search:
Dishwashers,Water supply,recirculation arrangements |
This place covers:
Filters disposed in the water circuit.
Illustrative example of subject matter classified in this group.

Attention is drawn to the following places, which may be of interest for search:
Dishwashers / Water filters; | |
Dishwashers / Flat filters | |
Dishwashers / Tubular filters | |
Dishwashers / Filters / Arrangements for avoiding clogging |
This place covers:
Casings.
Illustrative example of subject matter classified in this group.

Attention is drawn to the following places, which may be of interest for search:
Tubs | |
Kitchen cabinets / Worktops | |
Dishwasher / Details of the casing | |
Domestic plumbing installations / Sinks |
This place covers:
Pedestals.
Illustrative example of subject matter classified in this group.

Attention is drawn to the following places, which may be of interest for search:
Furniture / Adjustable feet; | |
Furniture / Adjustable feet having screw means; | |
Dishwasher / details of the casing / Rollers or supporting legs | |
Machine casings / Attaching supporting legs on foundations | |
Legs or bases | FTERM-3B155/DA13 |
This place covers:
- Doors hinged to the casing for both top- and front-loaders;
- Door hinges;
- Door locks.
Illustrative example of subject matter classified in this group.

Attention is drawn to the following places, which may be of interest for search:
Doors hinged to the drum | |
Doors hinged to the tub | |
Dishwashers / Details of the casing / Locks | |
Dishwashers / Details of the casing / Hinges |
This place covers:
Arrangements for the recovery of water used in washing machines, e.g. water storage means or waste water treatment.
Illustrative example of subject matter classified in this group:

Attention is drawn to the following places, which may be of interest for search:
Recovery arrangements for the recovery of energy or water in dishwashers |
This place covers:
Arrangements for the recovery of energy used in washing machines, including thermal energy, potential energy, kinetic energy or electric energy.
Attention is drawn to the following places, which may be of interest for search:
Recovery arrangements for the recovery of energy or water in dishwashers |
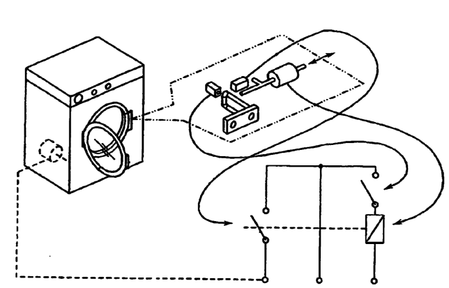
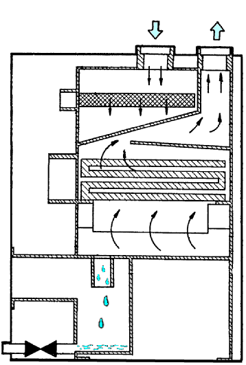
This place covers:
Illustrative example of subject matter classified in this group:

The drawing shows a washing machine provided with a steam generating equipment in the top-right rear corner. It is connected to the washing tub and can provide a spray of steam thereto. An enlarged drawing of the steam generating equipment is provided.
Attention is drawn to the following places, which may be of interest for search:
Methods of steam generation in boilers heated electrically with water in reservoirs |
This place covers:
Implements for rinsing and squeezing soiled reusable cloth diapers.
Illustrative example of subject matter classified in this group.

This place covers:
Industrial dry-cleaning machines and dry-cleaning methods.
Illustrative example of subject matter classified in this group.

This place does not cover:
Washing machines |
Attention is drawn to the following places, which may be of interest for search:
CO2 cleaning |
This place covers:
Industrial and/or household handheld spot-removing devices
Illustrative example of subject matter classified in this group.

This place covers:
Solvent condition (e.g. humidity) detecting arrangement for industrial dry-cleaning machines.
Illustrative example of subject matter classified in this group.

This place covers:
Illustrative example of subject matter classified in this group.

This place covers:
Industrial dry-cleaning machines comprising a single rotary cleaning receptacle.
Illustrative example of subject matter classified in this group.

This place covers:
Industrial dry-cleaning machines comprising more than one rotary cleaning receptacle.
Illustrative example of subject matter classified in this group.

This place covers:
Illustrative example of subject matter classified in this group.

This place covers:
Solvent recovery devices for industrial dry cleaning machines, wherein the recovery device lies in a separate structure with respect to the dry cleaning machine.
Illustrative example of subject matter classified in this group.

Attention is drawn to the following places, which may be of interest for search:
Separate apparatus for purifying dry-cleaning solvents |
This place covers:
Solvent reclaiming or recovery arrangements for industrial dry-cleaning machines.
Illustrative example of subject matter classified in this group.

This place covers:
Solvent condensing arrangements for industrial dry-cleaning machines.
Illustrative example of subject matter classified in this group.

This place covers:
Solvent filtering / filter cleaning arrangements for industrial dry-cleaning machines.
Illustrative example of subject matter classified in this group.

This place covers:
Industrial dry-cleaning machines comprising means for recovering the solvent from the drying air current.
Illustrative example of subject matter classified in this group.

This place covers:
Industrial dry-cleaning machines comprising solvent condensing means for recovering the solvent from the drying air current.
Illustrative example of subject matter classified in this group.

This place covers:
Wringing machines comprising two or more rotary pressing bodies, suitable for removing excess liquids from rags or any equivalent absorbent and pliant items.
Illustrative example of subject matter classified in this group.

This place covers:
Wringing machines comprising two or more rotary pressing bodies, wherein pressure is exerted via spring means.
Illustrative example of subject matter classified in this group.

This place covers:
Wringing machines comprising two or more rotary pressing bodies and hand-operated pressure release means.
Illustrative example of subject matter classified in this group.

This place covers:
Wringing machines comprising two or more rotary pressing bodies and automatically-operated pressure release means.
Illustrative example of subject matter classified in this group.

This place covers:
Wringing machines comprising two or more rotary pressing bodies, wherein pressure is exerted via e.g. hydraulic means.
Illustrative example of subject matter classified in this group.

This place covers:
Wringing machines comprising three or more rotary pressing bodies
Illustrative example of subject matter classified in this group.

This place covers:
Wringing machines (comprising two or more rotary pressing bodies) permanently combined with a washing machine.
Illustrative example of subject matter classified in this group.

This place covers:
Wringing machines (comprising two or more rotary pressing bodies) removeably attached to a washing machine, table or other support.
Illustrative example of subject matter classified in this group.

Attention is drawn to the following places, which may be of interest for search:
Combined with tables |
This place covers:
Constructive details belonging to wringing machines comprising two or more rotary pressing bodies.
Illustrative example of subject matter classified in this group.



This place covers:
Illustrative example of subject matter classified in this group.

This place covers:
Illustrative example of subject matter classified in this group.

This place covers:
Illustrative example of subject matter classified in this group.

This place covers:
Illustrative example of subject matter classified in this group.

This place covers:
Illustrative example of subject matter classified in this group.

This place covers:
Illustrative example of subject matter classified in this group.

This place covers:
Industrial pressing machines for removing excess liquids from wet clothing.
Illustrative example of subject matter classified in this group.

This place covers:
Industrial pressing machines for removing excess liquids from wet clothing, comprising a mechanically-actuated ram.
Illustrative example of subject matter classified in this group.

This place covers:
Industrial pressing machines for removing excess liquids from wet clothing, comprising a fluid-actuated ram.
Illustrative example of subject matter classified in this group.

This place covers:
Industrial pressing machines for removing excess liquids from wet clothing, comprising a flexible diaphragm.
Illustrative example of subject matter classified in this group.

This place covers:
Covers and securing means therefor, specially adapted for sealing industrial pressing machines for removing excess liquids from wet clothing.
Illustrative example of subject matter classified in this group.

This place covers:
Household spin-dryers (general aspects and/or constructive details) which cannot be classified under any hierarchically lower group.
Illustrative example of subject matter classified in this group.

Attention is drawn to the following places, which may be of interest for search:
Centrifuges in general |
This place covers:
Doors, covers or safety arrangements for household spin-dryers.
Illustrative example of subject matter classified in this group.

This place covers:
Water spraying arrangements for wetting the laundry during spinning, specially adapted for household spin-dryers.
Illustrative example of subject matter classified in this group.

This place covers:
Constructional details of rotary drums for household spin-drying devices.
Illustrative example of subject matter classified in this group.

This place covers:
Driving means of rotary drums for household spin-drying devices.
Illustrative example of subject matter classified in this group.

This place covers:
Vibration damping arrangements for rotary drums of household spin-dryers.
Illustrative example of subject matter classified in this group.

Attention is drawn to the following places, which may be of interest for search:
Damping vibrations in general |
This place covers:
Water draining arrangements for household spin-dryers.
Illustrative example of subject matter classified in this group.

This place covers:
Hand operated apparatuses for removing excess liquids from wet clothing.
Illustrative example of subject matter classified in this group.

This place covers:
Illustrative example of subject matter classified in this group.

This place covers:
Illustrative example of subject matter classified in this group.

This place does not cover:
Drying frames incorporating clothes-lines |
Attention is drawn to the following places, which may be of interest for search:
Supports or holders specially adapted or mounted for storing and repeatedly paying-out and restoring lengths of lines | |
Ropes, cables |
This place covers:
Illustrative example of subject matter classified in this group.


This place covers:
Any line, such as a piece of rope or cable, which is specifically designed and used for hanging clothes thereon for drying the clothes, the line being characterised by features that render the line particularly useful for suspending or hanging clothes thereon to dry.
Illustrative example of subject matter classified in this group:

This place covers:
Illustrative example of subject matter classified in this group.

Attention is drawn to the following places, which may be of interest for search:
Poles in general |
This place covers:
Illustrative example of subject matter classified in this group.

This place covers:
Illustrative example of subject matter classified in this group.


Attention is drawn to the following places, which may be of interest for search:
Devices for keeping articles together during laundering | |
Clothing hangers |
This place covers:
Illustrative example of subject matter classified in this group.

Attention is drawn to the following places, which may be of interest for search:
Friction grip fastenings / using pivoting jaws |
This place does not cover:
In combination with means for heating or positive air circulation | |
Adapted to retain the shape of particular articles being dried |
Attention is drawn to the following places, which may be of interest for search:
Clothing hangers, e.g. suit hangers | |
Pivotal connections / Arrangements for locking | |
Drying in general |
for the classification in D06F 57/00 and its subgroups:
- supporting means mounted on pillars (D06F 57/02 and D06F 57/04) are not considered "stands". Hence, foldable supporting means mounted on pillars are not classified in the subgroups D06F 57/08 or D06F 57/10 relating to stands only;
- supporting means specially adapted for attachment to walls, ceilings, stoves, or other structures or objects (D06F 57/12 and subgroups) are considered neither "mounted on pillars" nor "stands". Hence, such supporting means are only classifed in D06F 57/12 and subgroups even if foldable.
In this place, the following terms or expressions are used with the meaning indicated:
Stand | Supporting means, other than simple clothes-lines, for linen or garments to be dried or aired, comprising more than one leg for standing on the ground and being self-supporting, i.e. without being mounted to the ground or a further support. |
This place covers:
Illustrative example of subject matter classified in this group.

Attention is drawn to the following places, which may be of interest for search:
Sockets or holders for poles or posts |
This place covers:
Illustrative example of subject matter classified in this group.

Attention is drawn to the following places, which may be of interest for search:
Umbrellas Parasols |
This place covers:
Supporting means comprising more than one vertical member which are interconnected by horizontal bars. The vertical members must be truly vertical, i.e. perpendicular to the ground, in the operating position of the supporting means.
Illustrative example of subject matter classified in this group:

This place covers:
Folding stands, i.e. stands that are foldable for stowing.
This group covers in particular, but not exclusively, folding stands as defined above which are foldable about a horizontal axis.
Illustrative example of subject matter classified in this group:

This place covers:
Any foldable stand with intersecting leg members, the leg members being foldable using a mechanism involving at least two parallel folding axes in which the members intersect.
Illustrative example of subject matter classified in this group.

This place covers:
Illustrative example of subject matter classified in this group.

Attention is drawn to the following places, which may be of interest for search:
Towel racks |
This place covers:
Illustrative example of subject matter classified in this group.

This place covers:
Illustrative example of subject matter classified in this group.

This place covers:
Illustrative example of subject matter classified in this group.

Attention is drawn to the following places, which may be of interest for search:
Drying in general |
This place covers:
Domestic laundry drier having a drier drum rotating about a horizontal axis in general.
For instance: a domestic laundry drier having a drier drum rotating about a horizontal axis defined by a particular arrangement of conducting air inside the laundry drier, this particular arrangment involving inter alia the drum.
An example of such a domestic laundry drier in D06F 58/02 is:

This place covers:
Details that are directly relating to the drier drum rotating about a horizontal axis of the domestic laundry drier.
Examples of such details of a domestic laundry drier in D06F 58/04 include:




This place does not cover:
Controlling or regulating devices |
In case an aspect of the detail falls also in D06F 58/20 and its subgroups, i.e. this aspect of the detail is not restricted to laundry driers having a drum rotating about a horizontal axis, then also D06F 58/20 or its relevant subgroup should be assigned.
For instance: a domestic laundry drier having a drier drum rotating about a horizontal axis and comprising an electric heating device specially shaped or adapted to the drier drum should be classified in both, D06F 58/04 (aspect: specially shaped to the drier drum) and D06F 58/26 (aspect: heating device).
This place covers:
Any detail related to the mounting of the rotating drum, for instance bearings or supports of the rotating drum.
An example of a detail of a mounting for a rotating drum in D06F 58/06 is:

This place covers:
Device details or components of the domestic laundry drier directly related or linked to the driving arrangement of the drier drum.
For instance: the motor, mounting and support of the motor, as well as details of the drive system such as belts and pulleys.
An example of such a details of a driving arrangement in D06F 58/08 is:

This place covers:
Illustrative example of subject matter classified in this group.

Attention is drawn to the following places, which may be of interest for search:
Clothes dryers having a rotating drum |
This place covers:
Conveying means for moving the clothes, for instance along an endless track, along a rotating screw, or back and forth
Illustrative example of subject matter classified in this group.

This place covers:
Collapsible drying cabinets, such as collapsible and portable drying devices; Wall mounted collapsible hoods
Illustrative example of subject matter classified in this group.

This place covers:
Domestic laundry driers having heatable surfaces for contacting the laundry, the domestic laundry drier being specifically designed for, and used as, domestic device for drying laundry.
Illustrative example of subject matter classified in this group.

This place does not cover:
Supports adapted to retain the shape of particular articles being dried |
Attention is drawn to the following places, which may be of interest for search:
Towel racks having drying means | |
Radiators per se |
This place covers:
Drying arrangement which can be removably attached to a washing machine and which does not form part of the washing machine; door-mounted drying arrangement suitable for a washing machine, the drying arrangement being self-contained.
Illustrative example of subject matter classified in this group.

Attention is drawn to the following places, which may be of interest for search:
Washing machines having receptacles, stationary for the washing purposes, and having further drying means | |
Washing machines with receptactles having a rotary movement, the receptacle serving both for washing and centrifugally draining and having further drying mean |
This place covers:
General details of domestic laundry driers being relevant for all different type of domestic laundry driers.
For instance:
- vents or pipes or air valves used in domestic laundry driers;
- fans or air blowing arrangement;
- air/air heat exchangers for heat exchange without condensation, e.g. heat exchanger for heat recovery;
- casing details specific to laundry driers.
This place does not cover:
Supports adapted to retain the shapeof particular articles being dried |
Attention is drawn to the following places, which may be of interest for search:
Washing machines / casings | |
Washing machines / supporting arrangements for the casing | |
Washing machines / doors or covers; securing means thereof | |
Dishwashers / details of the casing |
In case the details or the components relate to an air/air heat exchanger which effects the condensation of moisture, only the subgroup D06F 58/24 should be assigned (i.e. not D06F 58/20 in addition).
This place covers:
Details of laundry conditioning devices or components in domestic laundry driers (e.g. free body dispensers or laundry balls specially adapted for releasing laundry conditioning agent during a drying cycle of a domestic laundry dryer) using a laundry conditioning agent (e.g. water, steam, perfume, starch) to be applied to the laundry.
An example of such a laundry conditioning arrangement in a domestic laundry drier may involve the injection of a laundry conditioning agent into the treatment chamber, as shown below:

Attention is drawn to the following places, which may be of interest for search:
Free body dispensers for adding soap or other washing agents | |
Washing machines / Steam generating arrangements | |
Detergent compositions incorporated into a dispensing means, specially adapted for dry cleaning or laundry dryer related applications | |
Steam generators per se |
This place covers:
Heat pump arrangements for domestic laundry dryers, e.g. heat pumps of the compressor type, of the sorption type or using thermo-electric elements (e.g. Peltier / Seebeck devices).

Attention is drawn to the following places, which may be of interest for search:
Heat pumps
Drying arrangements for dishwashers / using condensers | |
Air conditioning | |
Combined heating and refrigeration systems | |
Heating and cooling | |
Drying by using sorbent | |
Drying by condensing the moisture | |
Heating arrangements |
Thermo-electric heat pumps (e.g. Peltier)
Air conditioning | |
Heating and cooling | |
Basic electric elements |
This place covers:
Details of devices or components related or linked to the collection of lint or other particles, such as air filters and air filter cleaning devices.
Illustrative example of subject matter classified in this group.

This place covers:
Details of devices or components related or linked to the collection of lint or other particles, such as air filters and air filter cleaning devices.
- condensers or the components effecting the condensation of moisture;
- condensation handling devices such as condensation pump and condensation container;
- details directly related to the condenser, such as components effecting the cleaning or enabling maintenance of the condenser.
Illustrative example of subject matter classified in this group.


Attention is drawn to the following places, which may be of interest for search:
Drying arrangements for dishwashers / using condensers | |
Heat exchangers |
This place covers:
Illustrative example of subject matter classified in this group.

This place does not cover:
Detachable or door-mounted drying arrangements for washing machines |
This place covers:
Domestic laundry driers having gas heating equipment including the burner and the gas supply devices.
Illustrative example of subject matter classified in this group:

This place covers:
Illustrative example of subject matter classified in this group.

This place covers:
Laundry drying processes per se, i.e. machine working methods characterized by several laundry treating steps.
It is noted that in this group the focus is set on the treating process the laundry undergoes.
Illustrative example of subject matter classified in this group.
The above diagram represents a typical drying method for laundry dryers, in which several laundry treating steps are performed, for example during the drying process the heater and the blower fan are subsequently turned ON/OFF while the drum is rotated.
This place does not cover:
Controlling a series of operations in domestic laundry dryers |
Attention is drawn to the following places, which may be of interest for search:
Methods for washing, rinsing or spin-drying | |
General details of domestic laundry dryers | |
Controlling processes for dishwashers |
This place covers:
General control aspects that are not covered by D06F 58/34 - D06F 58/52.
This place covers:
The controlling processes of laundry dryers that are classified in this group and its subgroups according to their specific purpose, e.g. the optimization / improvement of the drying phase or the prevention of laundry ignition.
The further information relating to the (manual) input and the output of these controlling processes is classified with the mandatory indexing codes and any details of the control means per se, i.e. the "hardware" is classified in the groups relating to the details of the control means (see special rules of classification for this group and its subgroups).
Concept
The following picture schematically illustrates how a controlling process of a washing machine, washer-dryer or laundry dryer is classified based on how it works. An input signal (i.e. a user input as "manual input" or an automatically detected signal as "automatic input, e.g. by a sensors) is fed into a control unit as "control means" which depending on the purpose of the control sends corresponding command signals to the machine components.
The preceding image makes reference to the following symbols: D06F 33/30-D06F 33/48, D06F 33/50-D06F 33/76, D06F 58/34-D06F 58/52, D06F 2101/00, D06F 2103/00, D06F 34/00, D06F 2105/00.
A controlling process of a laundry treating apparatus (e.g. a laundry dryer) has a specific "control purpose" and implies the presence of a "control means" (e.g. a CPU), whereby the control means is usually a control unit which comprises a user interface (e.g. a control panel) and several sensors for the automatic detection of e.g. air temperature, laundry humidity, liquid level in the condensed water tank, etc.
Moreover, the control unit is usually configured to perform actions as "automatic output" (e.g. switching a heater ON/OFF, regulating the blower fan speed, etc.), depending on the purpose of the control and based on the input of the user and/or the signals provided by the sensors.
First example: laundry dryer - control method
Control method for a laundry dryer employing a control unit adapted to detect the temperature of the drying air and to switch the fan speed and the heater ON/OFF based on the target humidity of the laundry load, as input by the user, such as to reduce the operating time.
Classification of the example:
- Purpose: D06F 33/70 (Control of the operating time)
- Manual input: D06F 2101/16 (Target humidity for the drying process)
- Automatic input: D06F 2103/32 (Air properties – temperature)
- Automatic output: D06F 2105/28 (Electric heating); D06F 2105/30 (Blowers)
Second example: washer-dryer
Washer-dryer provided with a control circuit, a control panel, an air heater and a temperature sensor for measuring the temperature of the drying air, whereby the user interface allows the user to set the maximum temperature of the drying air, and the control unit is configured to regulate the heater (e.g. by switching it ON/OFF) and the blower fan based on the temperature of the drying air. The control aims to avoid damaging the laundry by overheating.
Classification of the example:
- Purpose: D06F 33/52 (Control of the operational steps, e.g. optimisation or improvement of operational steps depending on the condition of the laundry)
- Manual input: D06F 2101/18 (Target temperature for the drying process, e.g. low-temperature cycles)
- Automatic input: D06F 2103/32 (Air properties – Temperature)
- Automatic output: D06F 2105/28 (Electric heating); D06F 2105/30 (Blowers)
- Note: All washer-dryers have to be also classified, as a general rule, in D06F 25/00.
It is compulsory to classify also all relevant aspects related to the Purpose, Manual Input, Automatic Input, Automatic Output and Details of the control means.
- Purpose D06F 58/34- D06F 58/52
- Manual Input D06F 2101/00- D06F 2101/20
- Automatic Input D06F 2103/00- D06F 2103/70
- Automatic Output D06F 2105/00- D06F 2105/62
- Details of the Control Means D06F 34/00- D06F 34/34

The above diagram represents a typical drying method for laundry dryers, belonging to D06F 58/30 in which, during the drying process, the heater and the blower fan are subsequently turned ON/OFF while the drum is rotated. It is noted that D06F 58/30 relates to methods for treating the laundry whereas D06F 58/34 and subgroups relate to devices for controlling the appliance (i.e. the focus is set on the treating process the laundry undergoes).
This place covers:
The control of individual operational steps, which are focused on the condition of the laundry.
This place covers:
The control of individual operational steps, which are focused on the achievement of one or more target drying parameters.
This place covers:
The control of individual operational steps, which are focused on the initial heating phase.
This place covers:
Control methods or control arrangements having the purpose of steering and/or optimizing the air flow, wherein the air is unheated.
This place covers:
Control methods or control arrangements of laundry dryers having the purpose of conditioning or finishing the laundry, e.g. using a laundry-conditioning agent like water, steam, perfume, starch.
Attention is drawn to the following places, which may be of interest for search:
Steam generating arrangements | |
Laundry conditioning arrangements | |
Steam generators per se |
This place covers:
Control methods or control arrangements having the purpose of cleaning or disinfecting of laundry dryer components, e.g. of the lint filter, condenser, air duct, etc.
Attention is drawn to the following places, which may be of interest for search:
Control of cleaning or disinfection of washer-dryer parts, e.g. of washer-dryer tubs | |
Methods for disinfecting the tub or the drum for washing machines | |
Laundry conditioning arrangements | |
Lint collecting arrangements |
Arrangements for disinfecting the tub or the drum are classified under D06F 35/008.
Devices for collecting lint or fluff are classified under D06F 58/22.
This place covers:
Control methods concerning the operating time, e.g. reduction of overall operating time.
Attention is drawn to the following places, which may be of interest for search:
Control of the operating time of washer-dryers | |
Timing arrangements | |
Time settings | |
Time, e.g. duration | |
Remaining operation time; Remaining operational cycles |
This place covers:
The control of individual operational steps concerning the reduction of energy consumption.
Attention is drawn to the following places, which may be of interest for search:
Control of the energy or water consumption (washer-dryers) | |
Arrangements for the recovery of water in laundry washing machines | |
Arrangements for the recovery of energy in laundry washing machines |
This place covers:
The control of individual operational steps concerning the prevention and early detection of potentially dangerous or abnormal working conditions that might cause damage to the user and/or to the machine, e.g. clogging of the lint filter, laundry ignition, electric malfunctions, etc.
Attention is drawn to the following places, which may be of interest for search:
Control of washer-dryers responding to irregular working conditions, e.g. malfunctioning of pumps |
This place covers:
The control of individual operational steps to reduce and/or prevent imbalance or noise.
Attention is drawn to the following places, which may be of interest for search:
Control of washing machines characterised for preventing or reducing imbalance or noise | |
Control of washer-dryers for preventing or reducing imbalance or noise | |
Arrangements for detecting or measuring imbalance | |
Mountings, e.g. resilient mountings, for the rotary receptacle, motor, tub, or casing; Preventing or damping vibrations, for washing machines | |
Damping vibrations by displacing, supplying or ejecting a material, e.g. liquid, into or from counterbalancing pockets, for washing machines with a receptacle rotating or oscillating about a horizontal axis | |
Damping vibrations by displacing, supplying or ejecting a material, e.g. liquid, into or from counterbalancing pockets for washing machines with a receptacle rotating or oscillating about a vertical axis | |
Parameters of unbalance or noise monitored or detected for the control of domestic laundry washing machines, washer-dryers or laundry dryers |
This place covers:
Illustrative example of subject matter classified in this group.

Attention is drawn to the following places, which may be of interest for search:
Apparatuses for changing the form and size of hats |
This place covers:
Illustrative example of subject matter classified in this group.

This place covers:
Illustrative example of subject matter classified in this group.

This place covers:
Illustrative example of subject matter classified in this group.

This place covers:
Illustrative example of subject matter classified in this group.

Attention is drawn to the following places, which may be of interest for search:
Stretching devices for straining screens | |
Stretching printing fabrics | |
Quilting frames | |
Frames for embroidering | |
Stretching frames |
This place covers:
Illustrative example of subject matter classified in this group.

This place covers:
Illustrative example of subject matter classified in this group.

This place covers:
Illustrative example of subject matter classified in this group.

This place covers:
Illustrative example of subject matter classified in this group.


This place covers:
Illustrative example of subject matter classified in this group.

This place covers:
Illustrative example of subject matter classified in this group.

This place covers:
Illustrative example of subject matter classified in this group.

This place covers:
Illustrative example of subject matter classified in this group.

This place covers:
Illustrative example of subject matter classified in this group.

This place covers:
Illustrative example of subject matter classified in this group.

This place covers:
Illustrative example of subject matter classified in this group.

This place covers:
Mechanical safety features.

This place covers:
Illustrative example of subject matter classified in this group.

This place covers:
Illustrative example of subject matter classified in this group.

This place does not cover:
Coverings or pads for ironing or pressing members |
This place covers:
Illustrative example of subject matter classified in this group.

This place covers:
Illustrative example of subject matter classified in this group.

This place covers:
Illustrative example of subject matter classified in this group.

This place covers:
Illustrative example of subject matter classified in this group.

This place covers:
Illustrative example of subject matter classified in this group.

This place covers:
Illustrative example of subject matter classified in this group.

This place covers:
Illustrative example of subject matter classified in this group.

This place covers:
Ironing machines comprising a moving endless belt pressed against a moveable roller.

This place covers:
Illustrative example of subject matter classified in this group.

This place covers:
Illustrative example of subject matter classified in this group.

Examples of places where the subject matter of this place is covered when specially adapted, used for a particular purpose, or incorporated in a larger system:
Devices, for household use, for cold-pressing garments |
Attention is drawn to the following places, which may be of interest for search:
Smoothing by cold rolling between two or more co-operating rollers |
This place covers:
Illustrative example of subject matter classified in this group.

This place does not cover:
Apparatuses wherein one or more of the pressing elements is moved laterally between successive pressing operations |
This place covers:
Illustrative example of subject matter classified in this group.

This place covers:
Illustrative example of subject matter classified in this group.

This place covers:
Illustrative example of subject matter classified in this group.

This place does not cover:
Apparatuses wherein one or more of the pressing elements is moved laterally between successive pressing operations |
This place covers:
Illustrative example of subject matter classified in this group.

This place covers:
Illustrative example of subject matter classified in this group.

This place covers:
Illustrative example of subject matter classified in this group.

This place covers:
Illustrative example of subject matter classified in this group.

This place covers:
Illustrative example of subject matter classified in this group.

This place covers:
Illustrative example of subject matter classified in this group.

This place covers:
Illustrative example of subject matter classified in this group.

This place covers:
Illustrative example of subject matter classified in this group.

This place covers:
Illustrative example of subject matter classified in this group.

This place covers:
Illustrative example of subject matter classified in this group.

This place does not cover:
For pressing particular garments or parts thereof |
This place covers:
Illustrative example of subject matter classified in this group.

This place covers:
Illustrative example of subject matter classified in this group.

This place covers:
Illustrative example of subject matter classified in this group.

This place covers:
Illustrative example of subject matter classified in this group.

This place covers:
Illustrative example of subject matter classified in this group.


This place covers:
Illustrative example of subject matter classified in this group.

This place covers:
Illustrative example of subject matter classified in this group.

This place covers:
Illustrative example of subject matter classified in this group.

This place covers:
Illustrative example of subject matter classified in this group.

This place does not cover:
For pressing particular garments or parts thereof |
This place covers:
Illustrative example of subject matter classified in this group.

This place covers:
Illustrative example of subject matter classified in this group.

This place covers:
Illustrative example of subject matter classified in this group.

This place covers:
Illustrative example of subject matter classified in this group.

This place covers:
Illustrative example of subject matter classified in this group.

This place does not cover:
For use in pressing particular garments or parts thereof | |
Coverings or pads therefor |
This place covers:
Illustrative example of subject matter classified in this group.

This place does not cover:
Feeding by lateral movement of pressing elements |
This place covers:
Illustrative example of subject matter classified in this group.

Attention is drawn to the following places, which may be of interest for search:
Shaping or stretching of fabrics |
This place covers:
Illustrative example of subject matter classified in this group.

This place does not cover:
Combined with external pressure means |
Attention is drawn to the following places, which may be of interest for search:
Stretchers for drying purposes | |
Combined with external pressure means | |
Stretchers for use with presses | |
Apparatus for moistening or otherwise conditioning the article to be ironed or pressed, e.g. handheld steamers | |
Dress-forms for the tailoring trade | |
Garment stretchers without the application of heat | |
Garment bags |
This place covers:
Illustrative example of subject matter classified in this group.

This place covers:
Illustrative example of subject matter classified in this group.

Attention is drawn to the following places, which may be of interest for search:
Carpet irons | |
Steam generators |
This place covers:
Illustrative example of subject matter classified in this group.

This place covers:
Illustrative example of subject matter classified in this group.

This place covers:
Illustrative example of subject matter classified in this group.

This place does not cover:
Attachments for converting hand irons to steam irons |
This place covers:
Any hand iron internally heated by electricity that cannot be classified in one of the lower subgroups of D06F 75/08. This group comprises, for instance, illuminating devices.

Information regarding steam irons should not be classified in D06F 75/08 itself (information regarding steam irons should be classified in D06F 75/10 and/or lower)
This place covers:
Illustrative example of subject matter classified in this group.

This place does not cover:
Attachments for converting hand irons to steam irons |
Attention is drawn to the following places, which may be of interest for search:
Methods of steam generation, steam boilers |
This place covers:
Hand irons having means for supplying steam, wherein steam or water for producing steam are supplied to the iron from an external source (e.g. an external steam generator or a water reservoir and pump).

This place covers:
Illustrative example of subject matter classified in this group.

This place covers:
Illustrative example of subject matter classified in this group.

This place covers:
Illustrative example of subject matter classified in this group.

This place covers:
Steam outlets arrangements.

This place covers:
Hand irons comprising water sprays.

This place does not cover:
Hand irons heated by electricity with means for supplying steam to the article being ironed |
This place covers:
Illustrative example of subject matter classified in this group.

Attention is drawn to the following places, which may be of interest for search:
Electric heating in general | |
Thermostats for home appliances |
This place covers:
Illustrative example of subject matter classified in this group.

This place covers:
Any heating means using lamps or light sources for generating heat radiation, for instance:
- Heating means comprising infrared lamps;
- Heating means comprising sources of visible light;
- Heating means comprising sources of ultraviolet light.

This place covers:
Temperature control or indicating arrangements for hand irons, including details for controlling or representing general displays, buttons, position detectors and thermostats of a hand iron.
Illustrative example of subject matter classified in this group:

Attention is drawn to the following places, which may be of interest for search:
Thermally actuated switches |
This place covers:
Illustrative example of subject matter classified in this group.

This place covers:
Cable supports that are part of the hand iron.

This place covers:
Hand irons having a special shape or use.


This place covers:
Illustrative example of subject matter classified in this group:

This place covers:
Illustrative example of subject matter classified in this group.

This place covers:
Illustrative example of subject matter classified in this group.

This place covers:
Construction details of fixed or removable soleplates (how the soleplate is built e.g. layers, materials etc.).
Illustrative example of subject matter classified in this group:

This place does not cover:
Arrangements for discharging the steam to the article being ironed |
This place covers:
Illustrative example of subject matter classified in this group.

This place covers:
Illustrative example of subject matter classified in this group.

This place covers:
Illustrative example of subject matter classified in this group.

This place covers:
For instance: water containers for filling the iron.
Illustrative example of subject matter classified in this group.

This place covers:
Illustrative example of subject matter classified in this group.

This place covers:
Illustrative example of subject matter classified in this group.

This place covers:
Illustrative example of subject matter classified in this group.

This place covers:
Illustrative example of subject matter classified in this group.

Attention is drawn to the following places, which may be of interest for search:
Stoves in general |
This place covers:
Illustrative example of subject matter classified in this group.

This place covers:
Illustrative example of subject matter classified in this group.

This place does not cover:
Coverings or pads therefor | |
Kitchen cabinets with ironing boards movable outwards to a position of use |
Attention is drawn to the following places, which may be of interest for search:
Tables in general | |
Ironing boards stored in kitchen cabinets | |
Ironing boards combined with ladders |
This place covers:
Illustrative example of subject matter classified in this group.

This place covers:
Illustrative example of subject matter classified in this group.

This place covers:
Illustrative example of subject matter classified in this group.


This place covers:
Illustrative example of subject matter classified in this group.

Attention is drawn to the following places, which may be of interest for search:
Tables with means for varying the height of the top |
This place covers:
Illustrative example of subject matter classified in this group.

This place covers:
Illustrative example of subject matter classified in this group:

This place covers:
Illustrative example of subject matter classified in this group.


This place covers:
Illustrative example of subject matter classified in this group.

This place covers:
Illustrative example of subject matter classified in this group.

This place covers:
Illustrative example of subject matter classified in this group.

Attention is drawn to the following places, which may be of interest for search:
Ironing machines using two or more co-operating pressing rollers | |
Ironing boards |
This place covers:
Illustrative example of subject matter classified in this group.

This place covers:
Steamers.

This place does not cover:
Devices used in combination with a laundry dryer | |
Apparatuses for smoothing or removing creases from garments or other textile articles by formers, cores, stretchers or internal frames, with the application of heat or steam |
This place covers:
Devices for creating temporary folds.

This place does not cover:
Hand irons with means for supplying steam to the article being ironed | |
Devices for creating permanent folds |
In this place, the following terms or expressions are used with the meaning indicated:
Seam | generally formed by two pieces of cloth stitched and/or glued together |
Fold | generally formed by folding a piece of cloth onto itself, such that a folding line is formed |
This place covers:
Manual folding devices for any kind of household textiles with the exception of textile articles to be worn.
Illustrative example of subject matter classified in this group.

This place covers:
Manual folding devices for textile articles to be worn, with exception of shirts or parts thereof.
Illustrative example of subject matter classified in this group.

This place covers:
Manual folding devices for shirts or parts thereof.
Illustrative example of subject matter classified in this group.

This place covers:
Collar holders for manual folding devices for shirts.
Illustrative example of subject matter classified in this group.

This place covers:
Manual devices for wetting clothes.
Illustrative example of subject matter classified in this group.

This place covers:
Industrial clothes counting or sorting arrangements.
Illustrative example of subject matter classified in this group.

This place covers:
Marks as well as marking arrangements.

Attention is drawn to the following places, which may be of interest for search:
Record carriers with integrated circuit chips |
This place covers:
Industrial laundry arrangements comprising a combination of laundry sorting and/or transporting and/or treating appliances.
Illustrative example of subject matter classified in this group.

This place does not cover:
Washing installations comprising an assembly of several washing machines or washing units |
Attention is drawn to the following places, which may be of interest for search:
Laundries as buildings |
This place covers:
Basket or bags for holding or transporting laundry.
Illustrative example of subject matter classified in this group.

Attention is drawn to the following places, which may be of interest for search:
Sack holders |
This place covers:
Supports for bags for holding or transporting laundry.
Illustrative example of subject matter classified in this group.

This place covers:
Bags for holding or transporting laundry, which are suitable for being washed together with their content.
Illustrative example of subject matter classified in this group.

This place covers:
Devices for shielding delicate clothing articles (e.g brassieres) and/or for keeping small articles (e.g. socks) together.
Illustrative example of subject matter classified in this group.

Attention is drawn to the following places, which may be of interest for search:
Clothes pegs | |
Pairing socks | |
Friction grip fastenings / using pivoting jaws |

