CPC Definition - Subclass H03C
This place covers:
- Modulation, keying, or interruption of sinusoidal oscillations or electromagnetic waves, the modulating signal having any desired waveform.
- Amplitude modulation
- Angle modulation
- Amplitude and angle modulation produced simultaneously or at will by the same modulating signal
- Modulating electromagnetic waves
In this subclass, modulation is a process of applying information onto a sinusoidal carrier.
Transference of modulation from one carrier to the other and frequency changing is classified in H03D 7/00. Frequency changers used to convert from baseband may, where appropriate, additionally be classified in H03C.
H03C is used to classify modulators essentially at circuit level, e.g. transistor level. Higher level aspects, e.g. transmitters or transmission systems, particularly where the modulator type is only a black box or of a standard configuration, are generally classified in H04B, H04L or with the specific application. In general, Demodulation is covered in H03D. However, circuits usable both as modulator and demodulator are covered by H03C.
Attention is drawn to the following places, which may be of interest for search:
Measuring, testing | |
Transference of modulation from one carrier to another and frequency changing | |
Amplifiers | |
Modulators specially adapted for use in DC amplifiers | |
Pulse Technique, , e.g. modulating non-sinusoidal oscillations | |
Modulating pulses | |
So-called modulators capable only of switching between predetermined states of amplitude, frequency or phase | |
Transmission | |
Details of transmission systems, e.g. suppression of noise and interference | |
Monitoring and testing arrangements for transmission systems | |
Transmission of digital information | |
Modulated carrier transmission systems for digital information | |
Synchronous modulators specially adapted for colour television |
- Circuits usable both as modulator and demodulator are classified in H03C.
- Cases concerning a type of modulation that effects neither amplitude nor angle modulation, e.g. waveform modulation, should be classified in H03C 99/00.
This place covers:
Circuits and methods usable for modulation of a sinusoidal electromagnetic carrier wave whereby its amplitude is modified according to a modulating signal with frequency lower than that of the carrier. The modulating signal can be digital, resulting e.g. in Amplitude Shift Keying, or analog (see the example below).
Example: Waveform of amplitude modulated carrier wave

- Means in, or combined with, modulating stage for reducing angle modulation
- Reduction of distortion in amplitude modulators
- Amplitude modulation by means of variable impedance
- Amplitude modulation by means of discharge devices
- Amplitude modulation by means of transit time tube
- Amplitude modulation by deflection of electron beam in discharge tubes
- Amplitude modulation by means of semiconductor devices having at least three electrodes, e.g. transistors
- Amplitude modulation by means of light sensitive elements, e.g. photo detectors
- Amplitude modulators with mechanically or acoustically driven parts
- Amplitude modulation by means of Hall effect devices
- Conversion of angle to amplitude modulation, e.g. by combining two phase shifted signals
- Amplitude modulation including suppression of carrier or one side-band
- Modulators in which amplitude of carrier component in output is dependent upon strength of modulation signal
This place does not cover:
Attention is drawn to the following places, which may be of interest for search:
Mixers per se | |
Balanced arrangements for transference of modulation from one carrier to another | |
Modifications of amplifiers to raise the efficiency, e.g. summing of phase-modulated signals | |
Summing of phase-modulated signals | |
Automatic control of gain | |
Pulse amplitude modulation | |
Details of transmission systems | |
Modulated carrier transmission systems including digital amplitude modulation circuits |
In this place, the following terms or expressions are used with the meaning indicated:
by means of | The actual amplitude modulation is performed by these "means". It does not mean that such "means" are merely present in the circuit but fulfilling another purpose. |
In patent documents, the following abbreviations are often used:
AM | Amplitude Modulation |
SSB | single side band |
DSB SC | Double side band suppressed carrier |
VSB | vestigial side band |
This place does not cover:
Amplitude Modulation by means of transit-time tube | |
Amplitude Modulation by means of a magnetron | |
Amplitude Modulation by deflection of electron beam in discharge tube | |
Amplitude Modulation by means of light-sensitive element | |
Amplitude Modulators with mechanically or acoustically driven parts | |
Amplitude Modulation by means of Hall-effect devices | |
Amplitude Modulation by converting angle modulation to amplitude modulation | |
Amplitude Modulators in which carrier or one side-band are wholly or partially suppressed | |
Amplitude Modulators in which amplitude of carrier component in output is dependent upon strength of modulating signal, e.g. no carrier output when no modulating signal is present |
This place does not cover:
Amplitude Modulation by means of transit-time tube | |
Amplitude Modulation by means of a magnetron | |
Amplitude Modulation by deflection of electron beam in discharge tube | |
Amplitude Modulation by means of light-sensitive element | |
Amplitude Modulation by converting angle modulation to amplitude modulation | |
Amplitude Modulators in which carrier or one side-band are wholly or partially suppressed | |
Amplitude Modulators in which amplitude of carrier component in output is dependent upon strength of modulating signal, e.g. no carrier output when no modulating signal is present |
This place does not cover:
Amplitude Modulation by means of light-sensitive element | |
Amplitude Modulation by converting angle modulation to amplitude modulation | |
Amplitude Modulators in which carrier or one side-band are wholly or partially suppressed | |
Amplitude Modulators in which amplitude of carrier component in output is dependent upon strength of modulating signal, e.g. no carrier output when no modulating signal is present |
This place covers:
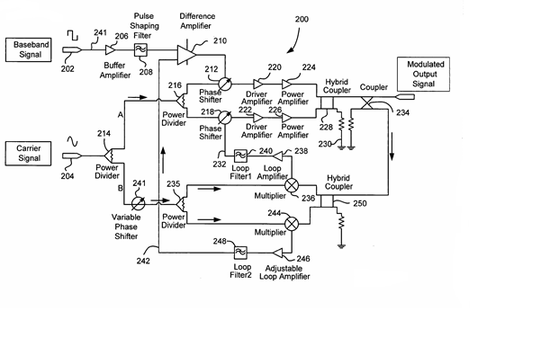
- Generation of an amplitude modulated signal by combining phase modulated signals
- Out-phasing modulators
Example:

Conversion of angle modulation (212) in amplitude modulation (228).
This place does not cover:
Amplitude Modulation by means of transit-time tube | |
Amplitude Modulation by means of a magnetron | |
Amplitude Modulation by deflection of electron beam in discharge tube | |
Amplitude Modulation by means of light-sensitive element | |
Amplitude Modulators with mechanically or acoustically driven parts | |
Amplitude Modulation by means of Hall-effect devices |
This place does not cover:
Amplitude Modulation by means of transit-time tube | |
Amplitude Modulation by means of a magnetron | |
Amplitude Modulation by deflection of electron beam in discharge tube | |
Amplitude Modulation by means of light-sensitive element | |
Amplitude Modulators with mechanically or acoustically driven parts | |
Amplitude Modulation by means of Hall-effect devices |
This place covers:
Carrier suppression in a double balanced modulator using field effect transistors.
Example:

This place does not cover:
Amplitude Modulation by means of transit-time tube | |
Amplitude Modulation by means of a magnetron | |
Amplitude Modulation by deflection of electron beam in discharge tube | |
Amplitude Modulation by means of light-sensitive element | |
Amplitude Modulators with mechanically or acoustically driven parts | |
Amplitude Modulation by means of Hall-effect devices |
This place covers:
- Circuits and methods usable for angle, i.e. frequency and/or phase modulation
- Means in, or combined with, modulating stage for reducing amplitude modulation
- Linearization of angle modulators
- PLL modulators and other modulators with regulation of mean frequency
- Angle modulation by variation of reactance
- Angle modulation by variation of resistance
- Angle modulation by variation of impedance driven mechanically or acoustically
- Angle modulation using transit-time or discharge tubes
- Angle modulation using light-sensitive elements
- Conversion of amplitude modulation to angle modulation, e.g. using quadrature modulators
- Angle modulation using electromechanical devices
This place does not cover:
Attention is drawn to the following places, which may be of interest for search:
Generation of oscillations including frequency tuning | |
Mixers per se | |
Reduction of nonlinear distortion in amplifiers (particularly regarding H03C 3/406 and H03C 5/00) | |
Tuning of resonant circuits | |
Pulse/frequency modulators | |
PLLs and other frequency regulation arrangements in general | |
PLL with fractional dividers | |
Transmitters and details of transmission | |
Modulated carrier transmission systems including digital phase or frequency modulation circuits |
In this place, the following terms or expressions are used with the meaning indicated:
FM | Frequency Modulation |
PLL | Phase Locked Loop |
VCO | Voltage Controlled Oscillator |
by means of | The actual amplitude modulation is performed by these "means". It does not mean that such "means" are merely present in the circuit but fulfilling another purpose. |
This place covers:
Means for modifying the frequency modulation characteristics, e.g. the frequency range or bandwidth or the sensitivity of frequency deviation with respect to the modulating signal.
Attention is drawn to the following places, which may be of interest for search:
Demodulation of angle-modulated oscillations | |
Arrangements for reducing frequency deviation, e.g. by negative frequency feedback | |
Details by means of a variable resistive element, e.g. tube | |
The oscillator combined with means for controlling the frequency of a further oscillator, e.g. for negative frequency feedback |
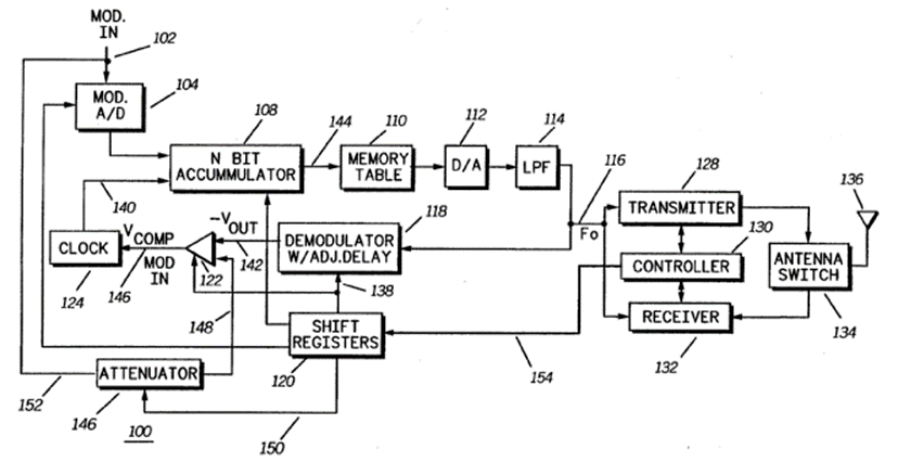
This place covers:
Modifications of angle modulators for regulating the mean frequency, e.g. by using feedback techniques to reduce jitter and spurious output frequencies in direct synthesisers with a modulation output.
Example:

Regulation of mean frequency in a modulator without PLL, using a demodulator in the feedback path
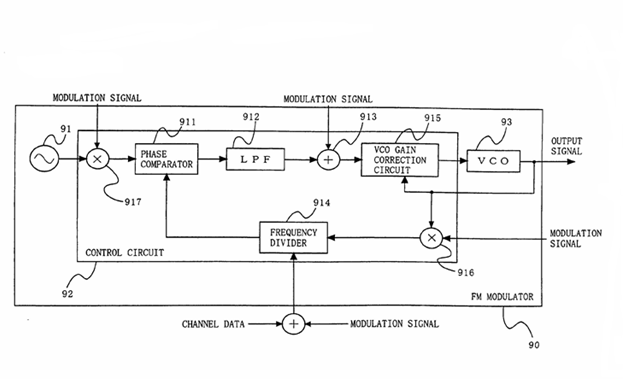
This place covers:
Example:

Regulation of mean frequency in a modulator with PLL, using three point modulation (H03C 3/0941) in divider (H03C 3/0925), reference clock (H03C 3/0966) and in front of the VCO (H03C 3/095) and at a mixer (H03C 3/0983).
Attention is drawn to the following places, which may be of interest for search:
PLL with frequency divider/counter in general |
Attention is drawn to the following places, which may be of interest for search:
PLL synthesisers with fractional dividers |
This place covers:
Circuits or methods using an element with variable impedance for angle modulation.
This place does not cover:
This place does not cover:
Using a combination of bipolar transistors and field effect transistors |
This place does not cover:
Using a combination of bipolar transistors and field effect transistors |
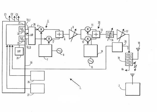
This place covers:
Example:

Conversion of amplitude to angle modulation by using two quadrature frequency conversion stages in cascade (4, 5 and 11, 12)
This place covers:
- Circuits selectable between FM and AM modulation
- Polar or phase-amplitude modulation by means of transistor circuits
- Polar or phase-amplitude modulation by means of transit time tubes
Example:

Polar modulation resulting in simultaneous amplitude and phase modulation.
This place does not cover:
Modulating electromagnetic waves |
Attention is drawn to the following places, which may be of interest for search:
Conversion of angle to amplitude modulation | |
Conversion of amplitude to angle modulation | |
Modifications of amplifiers to raise the efficiency of amplifying modulated radio frequency waves in discharge-tube amplifiers; to raise the efficiency of amplifiers acting also as modulators in discharge-tube amplifiers | |
Phase-modulated carrier systems | |
Amplitude- and phase-modulated carrier systems, e.g. quadrature-amplitude modulated carrier systems |
In this place, the following terms or expressions are used with the meaning indicated:
"by the same modulating signal" | also includes the common case where the modulation signal is split into two components |
This place covers:
- Modulation of electromagnetic waves, e.g. microwaves
- Modulation of electromagnetic waves in transmission lines, waveguides, cavity resonators or radiation field of antennas.
This place does not cover:
Devices or arrangements for modulating light |
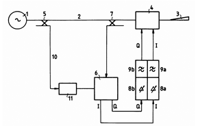
This place covers:
Example:

Microwave modulator using transmission line (2), vector modulator (4) and quadrature detector (6).
This place does not cover:
Using ferromagnetic devices, e.g. ferrites |
This place covers:
Modulation, keying, or interruption of sinusoidal oscillations or electromagnetic waves not covered by other groups of this subclass.
This place covers:
- Particular circuit elements of modulators
- Functional aspects of modulators